ПК под управлением Windows 95, 98, 98SE, ME, NT, или 2000 с параллельным портом принтера, в конфигурации либо LPT1, либо LPT2.
Описание
Утилита называется MAX6952.EXE и является программой Visual Basic 5. Для запуска программы необходима стандартная библиотека подпрограмм Visual Basic (run time library) MSVBVM50.DLL. Программа использует freeware драйвер параллельного порта DriverLINXT DLPortIO.DLL, который обеспечивает функции аппаратного I/O в Win32 DLL, как правило, недоступные в стандартной версии Visual Basic. Windows NT и 2000 также требуют подключение драйвера ядра DLPortIO.SYS. Права на оба этих драйвера являются собственностью Scientific Software Tools, Inc. (http://www.sstnet.com/). DriverLINXT является зарегистрированной торговой маркой Scientific Software Tools, Inc.
Инсталляция
Для установки программы на платформу с ОС Windows 95, 98, 98SE, ME, загрузите файл MAX6952-95.EXE (793 Kb) . Это самораспаковывающийся архив, содержащий файлы ReadMe.txt, ReadMeSST.txt, MAX6952.EXE, DLPortIO.DLL, и MSVBVM50.DLL. Директория для установки по умолчанию - C:MAX6952. Файл MSVBVM50.DLL может быть удален, если библиотека уже зарегистрирована на данном ПК.
Для установки на платформу с Windows NT или 2000, загрузите файл MAX6952-NT.EXE (2 378 Kb). Это самораспаковывающийся архив, содержащий файлы ReadMe.txt, ReadMeSST.txt, MAX6952.EXE, PORT95NT.EXE и MSVBVM50.DLL. Директория для установки по умолчанию - C:MAX6952. Программа PORT95NT.EXE устанавливает и регистрирует библиотеку DLPortIO.DLL и драйвер DLPortIO.SYS, являющиеся составной частью DriverLINX. Файл PORT95NT.EXE может быть удален после инсталляции. При желании, пользователи ОС Windows 95, 98, 98SE, ME также могут использовать данную процедуру инсталляции.
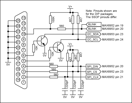
Подключение MAX6952 или MAX6953 к параллельному порту
Данная утилита использует 3 из 8 выходных линий параллельного порта для симуляции процесса работы последовательного интерфейса SPI, и еще две выходные линии для организации работы I2C - последовательного интерфейса. Входная управляющая линия параллельного порта дополнительно используется для обратного чтения статуса мерцания (blink status). Возможно управление несколькими (до 16-ти последовательно - подключенных) ИС MAX6952, и/или (до 16-ти, с разными адресами I2C) ИС MAX6953, одновременно. Вы можете выбрать протокол LPT1 или LPT2 с помощью интерфейса программы. Режим работы порта может быть: стандартный (standard), ECP, или EPP. Схема подключения к порту показана на рис. 1:
Полное число подключенных ИС MAX6952 устанавливается ползунковым переключателем "Number of Drivers". При установке более, чем одного драйвера, становятся доступны переключатели "Enable global driver write" и "Enable auto-increment". Когда переключатель "Enable global driver write" снят, при выполнении команды записи, запись производится только в драйвер MAX6952, выбранный с помощью движка "Current Driver", при этом все остальные драйверы получают код операции . Если отметка в поле "Enable global driver write" установлена, одинаковые данные записываются во все драйверы MAX6952. При включении режима "Enable auto-increment" текущее состояние счетчика драйвера автоматически увеличивается на единицу после каждой операции записи. Это позволяет оперативно рассылать идентичные данные по всем последовательно - подключенным драйверам MAX6952.
Работоспособность SPI интерфейса, подключенного к параллельному порту, может быть протестирована с помощь функции "Test Stream", которая может быть найдена в разделе "Port Connections and Help...", после запуска программы. Утилита "Test Stream" непрерывно передает код операции no-op на драйвер(ы) MAX6952 (в соответствии с положением движка "Number of Drivers"), позволяя проверить работоспособность интерфейса, без изменения содержимого регистров.
В режиме управления по интерфейсу I2C программа позволяет контролировать до 16 - ти драйверов MAX6953. Предполагается, что первый драйвер имеет адрес 1010000x, и все последующие драйверы имеют адреса в порядке возрастания до 1011111x для последнего устройства. Для обращения, например, к одиночному драйверу MAX6953 с адресом 1011111x, просто установите движок "Number of Drivers" на 16 и, затем, движок "Current Driver" на 16, адрес 1011111x. Основное окно программы в режиме I2C показано на рис.3.
Подключение интерфейса I2C к параллельному порту может быть протестировано с помощью функции "Test Stream", которая может быть найдена в разделе "Port Connections and Help...", после запуска программы. Утилита "Test Stream" непрерывно передает код операции no-op на драйвер(ы) MAX6953 (в соответствии с положением движка "Number of Drivers"), позволяя проверить работоспособность интерфейса, без изменения содержимого регистров.
Программа сохраняет данные символов в порядке от символа # 0 до символа #23, т.е. в том порядке, как это требуется при последовательной записи в ИС MAX6952 или MAX6953. Следовательно, данные файла MAX6952-3_fonts.txt могут быть использованы с минимальным редактированием для включения в код пользовательского программного обеспечения.
Font 0 Data 00011100 Data 00011100 Data 00011100 Data 00011100 Data 00011100 Font 1 Data 01111111 Data 01111111 Data 00111110 Data 00011100 Data 00001000 Font 2 Data 00000000 Data 00000000 Data 01111111 Data 00000000 Data 00000000 ...
Рис. 5. Пример формата представления набора символов, определяемых пользователем
ДокументацияПолучить консультации и преобрести компоненты вы сможете у официального дистрибьютора фирмы Maxim компании Rainbow Technologies.
Источник: rtcs.ru
