Однако на этих микросхемах можно построить еще ряд полезных устройств. Прежде всего, если отказаться от традиционной частоты, стабилизируемой "часовым" кварцевым резонатором (32 768 Гц), на них можно собрать прецизионный генератор прямоугольных импульсов, который сможет работать в широком диапазоне частот. Причем нужно иметь в виду, что максимальная частота повторения импульсов, при которой еще устойчиво переключаются счетчики, зависит от напряжения питания и находится в пределах от 1,5 (при +5 В) до 5 (при +15 В) МГц.
Следует отметить, что во многих радиоэлектронных устройствах высокая стабильность частоты следования импульсов совсем не нужна. В них лишь требуется получить ее заданное значение и возможность изменения в пределах ±5...10 %. В таких случаях частоту целесообразно стабилизировать контуром, который обеспечивает долговременную стабильность не хуже 104. Если же и она оказывается чрезмерной, то на этих микросхемах можно реализовать мультивибратор с относительной стабильностью частоты 1...3 % при изменении напряжения питания от 4-5 до +12 В. Выходами устройств будут служить выходы счетчиков- делителей, соединенных с генераторной частью внутри микросхем.
В зависимости от примененной микросхемы дополнительные элементы к генераторной части подключают различно, как показано на рис. 1 и 2. Благодаря высокому входному сопротивлению микросхем структуры "МОП добротность подключенного контура (рис. 1) оказывается довольно высокой, позволяя получить стабильную частоту генерации в LC-генераторах, собранных по схеме емкостной трехточки. Ее определяют по параметрам элементов из выражения f = 1 /2nVL1C1C2/(C1+C2). Причем отношение емкостей конденсаторов С1 и С2 для устойчивой генерации должно находиться в пределах 2...4.
Puc.1 Большой максимальный коэффициент деления счетчиков обеспечивает формирование стабильных колебаний во всем диапазоне звуковых частот при небольших габаритах катушки контура, поэтому на их основе нетрудно построить, например, прибор для настройки музыкальных инструментов.
Частота колебаний (ниже 1 МГц) мультивибраторов (рис. 2) при сопротивлении резистора R1 более 20 кОм обратно пропорциональна произведению R1C1, а коэффициент пропорциональности зависит от образца микросхемы. Типичное значение частоты можно определить по формуле
f=2/C1,
где f - в мегагерцах, С1 - в пикофарадах.
Puc.2 Устройства, собранные по схемам на рис. 2, представляют собой одновибраторы повышенной точности. Они формируют одиночные импульсы длительностью от 20 мс до десятков часов с точностью не хуже 1...2% при разумных габаритах времязадающих элементов. Одновибраторы имеют практически нулевое время восстановления и могут быть повторно запущены вновь даже до окончания текущего выходного импульса. В этом случае он продлевается на полное значение заданной длительности.
При запуске устройства счетчик микросхемы считает импульсы мультивибратора, служащего тактовым генератором, до тех пор, пока на выходе 15 (К176ИЕ5) или S1 (К176ИЕ12, К176ИЕ18) не появится уровень 1. Как только это происходит, мультивибратор прекращает работу из-за связи через диод VD1. Уровень 1 на выходе удерживается сколь угодно долго, пока импульс запуска (сброса) не установит весь счетчик в нулевое состояние, и счет начнется снова. Длительность формируемого импульса равна 16384 периодам колебаний мультивибратора.
Счетчики микросхем К176ИЕ12 и К176ИЕ18 можно использовать и в качестве распределителей стабильных по частоте импульсов, например, в устройствах управления шаговыми и синхронными электродвигателями. Такие двигатели все более широко применяют в промышленной автоматике и бытовой радиоаппаратуре, в частности в высококачественных электропроигрывателях.
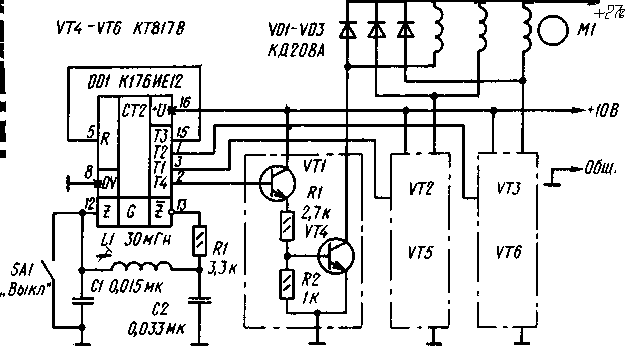
Устройство, схема которого показана на рис. 3, обеспечивает необходимую коммутацию тока в обмотках трехфазного шагового электродвигателя ШД-300/300 с шагом 3°. Оно содержит генератор-распределитель на микросхеме DD1 и двухкаскадные транзисторные ключи VT1VT4, VT2VT5 и VT3VT6. Остановить двигатель можно в любом положении, включив выключатель SA1.
Puc.3 Параметры элементов L1, C1 и C2 определяются требуемой частотой шагов и указаны для частоты 100 Гц. Максимальная частота шагов этого электродвигателя - 250...300 Гц.
Это же устройство может быть с успехом применено для управления электродвигателем 0-ЭПУ-82СК электропроигрывателя "Радиотехника-001" вместо шести микросхем и всех остальных элементов платы управления двигателем. При этом повышается стабильность частоты его вращения. Для питания устройства можно использовать имеющийся в электропроигрывателе стабилизатор напряжения +15 В.
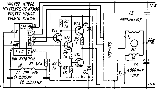
В случае регулирования частоты вращения синхронных электродвигателей изменением частоты питающих обмотки напряжений сложнее всего получить неизменный сдвиг фаз между ними (обычно 90°). При использовании для этой цели цифрового формирователя тока обеспечивается сдвиг фаз, не зависящий от частоты, и не требуется применение крупногабаритных фазосдвигающих конденсаторов.
Puc.4 Такое устройство реализовано по схеме, изображенной на рис. 4, и предназначено для замены генератора питания электродвигателя ТСК-1 в электропроигрывателе "Электроника Б1-01". Оно состоит из генератора-распределителя импульсов на микросхеме DD1 и двух одинаковых двухтактных ключевых усилителей мощности на транзисторах VT1- VT4, VT5-VT8. Форма напряжения на обмотках двигателя, показанная на рис. 5, заметно отличается от синусоидальной.
Puc.5 Однако благодаря индуктивному характеру обмоток двигателя ток через них изменяется плавно и содержит в основном первую гармонику, создающую вращающий момент. Частоту вращения диска проигрывателя можно изменять подстроечником катушки L1. Так как усилители мощности работают в ключевом режиме, устройство имеет высокий КПД. Выходные транзисторы усилителей нужно установить на теплоотводе с эффективной площадью поверхности всего 20... 40 см2.
Следует иметь в виду, что в устройствах, собранных по схемам на рис. 3 и 4, выводы 7 и 9 микросхем DD1 нужно соединить с общим проводом.
