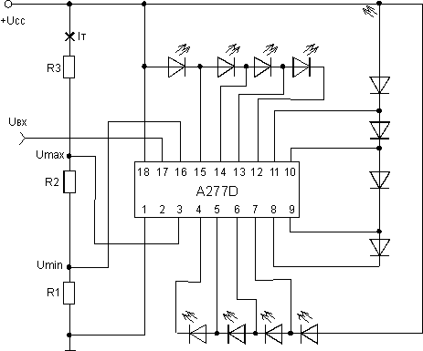
Типовая схема включения приведена на рис.1.
Рис.1 С помощью резисторов R1, R2 и R3 устанавливаются верхняя (Umax) и нижняя (Umin) границы индицируемых напряжений. Расчет сопротивлений этих резисторов осуществляется по нижеприведенным формулам:
Iт=Ucc/(R1+R2+R3)
Пусть Ucc=1B, Umin=1V, Umax=6V.
R1:R2:R3=Umin
Umax-Umin)
Ucc-Umax)R1:R2:R3=1:5:9 15R1=Ucc/Iт=15V/0,1mA=150к
R1=10к, R2=50к, R3=90к
На рис.2 приведена еще одна схема включения. Здесь нижняя граница измерения Umin=0 Вольт.
Рис.2 Расчетные формулы для этой схемы будут:
Umin=0V,Iт=0,1mA
R1:R2=Umax
Ucc-Umax)