В системах промышленной автоматизации и автоматизации зданий применяется ряд удаленных устройств сбора данных, которые передают и принимают информацию через центральный модуль, предоставляющий доступ к данным пользователям и другим процессорам. Регистраторы данных и считывающие устройства типичны для таких приложений. Почти идеальная линия передачи данных для этих целей определена стандартом RS-485, который связывает устройства сбора данных кабелем на основе витой пары.
Поскольку многие из устройств сбора и накопления данных в сетях RS-485 являются компактными автономными устройствами с батарейным питанием, для контроля за их тепловыделением и увеличения срока службы батарей необходимо принятие мер по снижению их энергопотребления. Точно так же экономия энергии важна для носимых устройств и других приложений, в которых интерфейс RS-485 используется для загрузки данных в центральный процессор.
Следующий раздел предназначен в первую очередь для тех, кто не знаком с RS-485.
RS-485: история и описание
Стандарт RS-485 был совместно разработан двумя ассоциациями производителей: Ассоциацией электронной промышленности (EIA - Electronics Industries Association) и Ассоциацией промышленности средств связи (TIA - Telecommunications Industry Associastion). EIA некогда маркировала все свои стандарты префиксом "RS" (Рекомендованный стандарт). Многие инженеры продолжают использовать это обозначение, однако EIA/TIA официально заменил "RS" на "EIA/TIA" с целью облегчить идентификацию происхождения своих стандартов. На сегодняшний день, различные расширения стандарта RS-485 охватывают широкое разнообразие приложений.
Стандарты RS-485 и RS-422 имеют много общего, и поэтому их часто путают. Таблица 1 сравнивает их. RS-485, определяющий двунаправленную полудуплексную передачу данных, является единственным стандартом EIA/TIA, допускающим множественные приемники и драйверы в шинных конфигурациях. EIA/TIA-422, с другой стороны, определяет единственный однонаправленный драйвер с множественными приемниками. Элементы RS-485 обратно совместимы и взаимозаменяемы со своими двойниками из RS-422, однако драйверы RS-422 не должны использоваться в системах на основе RS-485, поскольку они не могут отказаться от управления шиной.
Таблица 1. Стандарты RS-485 и RS-422
| RS-422 | RS-485 | |
| Режим работы | Дифференциальный | Дифференциальный |
| Допустимое число Tx и Rx | 1 Tx, 10 Rx | 32 Tx, 32 Rx |
| Максимальная длина кабеля | 1200 м | 1200 м |
| Максимальная скорость передачи данных | 10 Мбит/с | 10 Мбит/с |
| Минимальный выходной диапазон драйвера | ± 2 В | ± 1.5 В |
| Максимальный выходной диапазон драйвера | ± 5 В | ± 5 В |
| Максимальный ток короткого замыкания драйвера | 150 мА | 250 мА |
| Сопротивление нагрузки Tx | 100 Ом | 54 Ом |
| Чувствительность по входу Rx | ± 200 мВ | ± 200 мВ |
| Максимальное входное сопротивление Rx | 4 кОм | 12 кОм |
| Диапазон напряжений входного сигнала Rx | ± 7 В | от -7 В до +12 В |
| Уровень логической единицы Rx | > 200 мВ | > 200 мВ |
| Уровень логического нуля Rx | < 200 мВ | < 200 мВ |
Дифференциальная передача сигнала в системах на основе RS-485 и RS-422 обеспечивает надежную передачу данных в присутствии шумов, а дифференциальные входы их приемников кроме того могут подавлять значительные синфазные напряжения. Однако для защиты от значительно больших уровней напряжений, которые обычно ассоциируются с электростатическим разрядом (ESD), необходимо принимать дополнительные меры.
Заряженная емкость человеческого тела позволяет человеку уничтожать интегральную схему простым ее касанием. Такой контакт запросто может произойти при прокладке и подключении интерфейсного кабеля. Для защиты от таких разрушительных воздействий, интерфейсные микросхемы MAXIM включают "ESD структуры". Эти структуры защищают выходы передатчиков и входы приемников в приемопередатчиках RS-485 от уровней ESD до ±15кВ.
Чтобы гарантировать заявленную защиту от ESD, Maxim осуществляет многократное тестирование положительных и отрицательных выводов питания с шагом 200В, для проверки последовательности уровней до ±15кВ. Устройства этого класса (отвечающие спецификациям модели человеческого тела (Human Body Model) или IEC 1000-4-2) маркируются в обозначении изделия дополнительным суффиксом "E".
Скорости передачи данных и нагрузка драйвера
Допустимая нагрузка драйвера RS-485/RS-422 количественно определяется в терминах единичной нагрузки, которая, в свою очередь, определяется как входной импеданс одного стандартного приемника RS-485 (12кОм). Таким образом, стандартный драйвер RS-485 может управлять 32 единичными нагрузками (32 параллельных 12-килоомных нагрузки). Однако для некоторых приемников RS-485 входное сопротивление является более высоким - 48 кОм (1/4 единичной нагрузки) или даже 96 кОм (1/8 единичной нагрузки) - и, соответственно, к одной шине могут быть подключены сразу 128 или 256 таких приемников. Вы можете подключить любую комбинацию типов приемников, если их параллельный импеданс не превышает 32 единичных нагрузки (т.е. суммарное сопротивление не меньше 375 Ом).
Последствия высоких скоростей
Более быстрые передачи требуют более высоких скоростей нарастания напряжения на выходе драйвера, а они, в свою очередь, производят большие уровни электромагнитных помех (EMI). Некоторые приемопередатчики RS-485 сводят EMI к минимуму, ограничивая их скорости нарастания. Меньшие скорости нарастания также помогают контролировать отражения, вызванные быстрыми переходными процессами, высокими скоростями передачи данных или длинными линиями связи. Основой для минимизации отражений является использование согласующих резисторов с номиналами, соответствующими волновому сопротивлению кабеля. Для обычных кабелей RS-485 (витая пара проводов 24AWG) это означает размещение 120-омных резисторов на обоих концах линии связи.
Куда уходит вся мощность?
Очевидным источником потери мощности является ток покоя приемопередатчика (IQ), который в современных устройствах значительно снижен. В таблице 2 токи покоя малопотребляющих КМОП приемопередатчиков сравниваются с являющимся промышленным стандартом устройством 75176.
Таблица 2. Сравнение токов утечки для различных приемопередатчиков RS-485
| Устройство | IQ (Драйвер отключен) | IQ (драйвер включен) | Ток в режиме отключения | Макс. скорость |
| MAX3471 | 2,8 мкА | 83 мкА | N/A | 64 Кбит/с |
| MAX1483 | 20 мкА | 55 мкА | 0,1 мкА | 250 Кбит/с |
| MAX3088 (SRL = GND) | 420 мкА | 475 мкА | 1 нА | 10 Мбит/с |
| SN75ALS176 | 26 мкА | 30 мкА | N/A | 35 Мбит/с |
Подключение стандартного приемопередатчика RS-485 к минимальной нагрузке (еще один приемопередатчик, два согласующих и два защитных резистора) позволяет измерить зависимость тока питания от скорости передачи данных в более реальных условиях. На рисунке 2 представлена зависимость ICC от скорости передачи данных для MAX1483 при следующих условиях: стандартные резисторы на 560 Ом, 120 Ом и 560 Ом, VCC = 5В, DE = /RE = VCC, и кабель длиной 300 м.
Как вы можете видеть из рисунка 2, ток потребления возрастает приблизительно до 37мА даже при чрезвычайно низких скоростях передачи данных; это вызвано прежде всего добавлением согласующих резисторов и резисторов защитного смещения. Для малопотребляющих приложений, это должно продемонстрировать важность типа используемого согласования, равно как и способа достижения отказоустойчивости. Отказоустойчивость обсуждается в следующем разделе, а подробное описание согласования имеется в разделе "Злые шутки согласования".
Отказоустойчивость
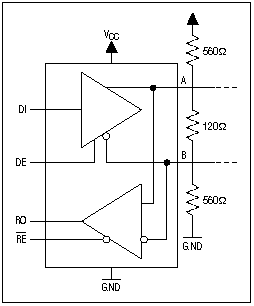
При напряжениях на входах приемников RS-485 в диапазоне от -200мВ до +200мВ, выходное состояние остается неопределенным. Иными словами, если дифференциальное напряжение на стороне RS-485 в полудуплексной конфигурации равно 0В и ни один из приемопередатчиков не ведет линию (или соединение разорвано), тогда логическая единица и логический ноль на выходе равновероятны. Для обеспечения определенного состояния на выходе в таких условиях, большинство современных приемопередатчиков RS-485 требуют установки резисторов защитного смещения: резистор задания начального высокого уровня (pullup) на одну линию (A) и низкого уровня (pulldown) на другую (B), как это показано на рисунке 1. Исторически, резисторы защитного смещения в большинстве схем указывались с номиналом 560 Ом, однако для снижения энергопотерь (когда согласование производится только на одном конце линии связи) это значение можно увеличить приблизительно до 1,1 кОм. Некоторые разработчики устанавливают на обоих концах резисторы с номиналами от 1,1кОм до 2,2кОм. Здесь приходится искать компромисс между помехоустойчивостью и энергопотреблением.
Рисунок 1. Три внешних резистора формируют цепь согласования и защитного смещения для данного приемопередатчика RS-485.
Рисунок 2. Зависимость тока питания приемопередатчика MAX1483 от скорости передачи данных.
Производители приемопередатчиков RS-485 прежде исключали необходимость использования внешних смещающих резисторов, обеспечивая внутренние резисторы положительного смещения по входам приемника, однако такой подход был эффективен только для решения проблемы разомкнутых цепей. Резисторы положительного смещения, используемые в этих псевдоотказоустойчивых приемниках были слишком слабы для установления уровня на выходе приемника в согласованной шине. Другие попытки избежать использования внешних резисторов за счет изменения пороговых значений приемника на 0В и -0,5В нарушали спецификацию RS-485.Семейство приемопередатчиков MAX3080 и MAX3471 компании Maxim решило обе эти проблемы, определив точный диапазон пороговой чувствительности от -50мВ до -200мВ, устранив, таким образом, потребность в резисторах защитного смещения, сохраняя при этом полное соответствие стандарту RS-485. Эти микросхемы гарантируют, что 0В на входе приемника вызовет высокий логический уровень на выходе. Более того, эта конструкция гарантирует известное состояние выхода приемника для условий замкнутой и разорванной линии.
Как сохранить энергию?
Как было показано в таблице 2, приемопередатчики сильно различаются значениями их токов покоя. Таким образом первым шагом в деле сохранения энергии должен стать выбор малопотребляющего устройства, такого, как MAX3471 (2,8 мкА при отключенном драйвере, до 64 Кбит/с). Поскольку потребление энергии существенно возрастает при передаче данных, другой целью является минимизация времени работы драйверов за счет передачи коротких телеграмм (блоков данных, прим. пер.) с длительными периодами ожидания между ними. В таблице 3 представлена структура типовой телеграммы последовательной передачи.
Таблица 3. Телеграмма последовательной передачи
| Биты управления | Адресные биты | Биты данных | Контрольные биты | Биты управления |
Подобное изменение длины телеграммы со структурой, определяемой такими стандартами, как X.25, обеспечивает надежность данных за счет увеличения времени использования шины и потребляемой мощности. Например, передача 20 битов при 200 Кбит/с потребует 100 мкс. При использовании MAX1483 для ежесекундной отправки данных на скорости 200 Кбит/с, средний ток составит
(100 мкс * 53 мА + (1 с - 100 мкс) * 20 мкА) / 1 с = 25.3 мкА
Когда приемопередатчик находится в неактивном режиме (idle mode), его драйвер должен быть отключен для минимизации потребляемой мощности. В таблице 4 демонстрируется влияние длины телеграммы на потребляемую мощность одиночного драйвера MAX1483, который работает с определенными перерывами между передачами. Использование режима отключения (shutdown mode) может еще больше снизить потребляемую мощность в системе, использующей технологию опроса через фиксированные промежутки времени или более длинные, детерминированные перерывы между передачами.Таблица 4. Соотношение между длиной телеграммы и потребляемым током при использовании драйвера MAX1483
| Телеграмма | Ежесекундно | Каждые 10 секунд | Ежеминутно |
| 20-битовая | 25,3 мкА | 20,5 мкА | 20,1 мкА |
| 100-битовая | 61,1 мкА | 24,1 мкА | 20,7 мкА |
| 255-байтовая | 560,4 мкА | 74,0 мкА | 29,0 мкА |
Рисунок 3. Микросхемы приемопередатчиков сильно отличаются зависимостью тока потребления от скорости передачи данных.
Злые шутки согласованияКак было отмечено выше, согласующие резисторы устраняют отражения, вызваные рассогласованием импедансов, однако их недостаток - дополнительное рассеяние мощности. Их влияние показано в таблице 5, в которой приводятся токи потребления для различных приемопередатчиков (при активном драйвере) для условий отсутствия резисторов, использования только согласующих резисторов, а также комбинации согласующих резисторов и резисторов защитного смещения.
Таблица 5. Использование согласующих резисторов и резисторов защитного смещения увеличивает потребляемый ток
| MAX1483 | MAX3088 | MAX3471 | SN75ALS176 | |
| IVCC (no RT) | 60 мкА | 517 мкА | 74 мкА | 22 мкА |
| IVCC (RT =120) | 24 мкА | 22.5 мкА | 19.5 мкА | 48 мкА |
| IVCC (RT = 560-120-560) | 42 мкА | N/A | N/A | 70 мкА |
Первый способ уменьшения потребляемой мощности состоит в том, чтобы вообще устранить согласующие резисторы. Этот вариант возможен только для коротких линий связи и низких скоростей передачи данных, которые позволяют отражениям успокоиться еще до того, как данные будут обработаны приемником. Как показывает практика, согласование не нужно, если время нарастания сигнала по крайней мере в четыре раза превосходит время задержки одностороннего прохождения сигнала через кабель. Следующие шаги используют это правило для вычисления максимальной допустимой длины несогласованного кабеля:
- Шаг 1. Для рассматриваемого кабеля найдите скорость одностороннего прохождения сигнала, обычно предоставляемую производителем кабеля как процентное отношение к скорости света в свободном пространстве (c = 3x108 м/с). Типовое значение для стандартного кабеля в поливинилхлоридной изоляции (состоящего их витой пары #24 AWG) составляет 203мм/нс.
- Шаг 2. Из спецификации приемопередатчика RS-485 найдите его минимальное время нарастания (tr min). Например, для MAX3471 оно равно 750нс.
- Шаг 3. Разделите это минимальное время нарастания на 4. Для MAX3471 получим tr min/4 = 750нс/4 = 187.5нс.
- Шаг 4. Вычислите максимальную протяженность кабеля, для которой не требуется согласование: 187.5нс (230мм/нс) = 38м.
Рисунок 4. Согласующие резисторы - основной потребитель мощности.
RC-согласованиеНа первый взгляд, способность RC согласования блокировать постоянный ток является весьма многообещающей. Вы найдете, однако, что эта техника налагает определенные условия. Согласование состоит из последовательной RC цепочки, включенной параллельно дифференциальным входам приемника (A и B), как показано на рисунке 5. Несмотря на то, что R всегда равно волновому сопротивлению кабеля (Z0), выбор C требует некоторых рассуждений. Большая величина C обеспечивает хорошее согласование, позволяя любому сигналу видеть R, которое соответствует Z0, однако большие значения также увеличивают пиковое значение выходного тока драйвера. К сожалению, более длинные кабели требуют больших значений емкости C. Целые статьи были посвящены определению номинала C для достижения этого компромисса. Вы можете найти детальные уравнения на эту тему в руководствах, ссылки на которые приведены в конце настоящей статьи.
Рисунок 5. RC согласование снижает потребление, однако требует тщательного выбора номинала C.
Среднее напряжение сигнала - другой важный фактор, который часто игнорируется. Если только среднее напряжение сигнала не сбалансировано по постоянному току, эффект зубчатого контура (stair-stepping effect) по постоянному току вызывает значительные дрожания из-за эффекта, известного как "межсимвольная интерференция." Если коротко, то RC согласование эффективно для снижения потребления, однако оно склонно к разрушению качества сигнала. Поскольку RC согласование налагает так много ограничений на свое использование, лучшая альтернатива во многих случаях - отсутствие согласования вообще.Согласование на диодах Шотки
Диоды Шотки предлагают альтернативный метод согласования, когда большая потребляемая мощность вызывает беспокойство. В отличие от других типов согласования, диоды Шотки не пытаются соответствовать волновому сопротивлению шины. Вместо этого, они просто подавляют положительные и отрицательные выбросы на фронтах импульсов, вызванные отражением. В результате, изменения напряжения ограничены положительным пороговым напряжением и нулем.
Цепь согласования на диодах Шотки впустую рассеивает незначительную энергию, поскольку они проводят только при наличии положительных и отрицательных выбросов. С другой стороны, стандартное резистивное согласование (как с резисторами защитного смещения, так и без оных), постоянно рассеивает мощность. Рисунок 6 иллюстрирует использование диодов Шотки для борьбы с отражениями. Диоды Шотки не обеспечивают отказоустойчивую работу, однако уровни порогового напряжения, выбранные в приемопередатчиках MAX308X и MAX3471, дают возможность реализовать отказоустойчивую работу с этим типом согласования.
Рисунок 6. Несмотря на дороговизну, цепь согласования на диодах Шотки имеет много достоинств.
Диод Шотки, наилучшее доступное приближение к идеальному диоду (нулевое прямое напряжение Vf, нулевое время включения tON и нулевое время обратного восстановления trr), представляет большой интерес в качестве замены энергоемких согласующих резисторов. Недостаток такого согласования в системах на основе RS-485/RS-422 заключается в том, что диоды Шотки не могут подавлять все отражения. Как только отраженный сигнал угаснет ниже прямого напряжения диода Шотки, его энергия останется незатронутой согласующими диодами и сохранится до тех пор, пока не будет рассеяна кабелем. Существенно или нет это затяжное возмущение, зависит от величины сигнала на входах приемника.Главный недостаток Шотки-терминатора - его стоимость. Одна точка согласования требует двух диодов. Поскольку шина RS-485/RS-422 является дифференциальной, это число снова умножается на два (Рисунок 6). Использование на шине многжественных Шотки-терминаторов не является необычным.
Терминаторы на диодах Шотки дают много преимуществ для систем на основе RS-485/RS-422, и экономия энергии - главное из них (Рисунок 7). Не нужно ничего вычислять, поскольку специфицированные ограничения для длины кабеля и скорости передачи данных будут достигнуты раньше, чем какие либо ограничения Шотки-терминатора. Другое преимущество заключается в том, что множественные Шотки-терминаторы в различных ответвлениях и на входах приемников улучшают качество сигнала без загрузки коммуникационной шины.
Рисунок 7. Потребляемый ток в системах RS-485 сильно зависит от скорости передачи данных и типа согласования.
Подведение итоговКогда скорость передачи данных высока и кабель имеет большую длину, в системе RS-485 трудно обеспечить сверхмалое потребление (в оригинале "flea power" - "мощность блохи", - Прим. пер.), поскольку возникает необходимость устанавливать на линии связи согласующие устройства (терминаторы). В этом случае приемопередатчики с функцией "истиной помехоустойчивости" на выходах приемников могут экономить энергию даже при использовании терминаторов, устраняя потребность в резисторах защитного смещения. Программная организация связи также позволяет снизить потребляемую мощность, переводя приемопередатчик в отключенное состояние или запрещая драйвер, когда он не используется.
Для более низких скоростей и более коротких кабелей разница в энергопотреблении огромна: Передача данных со скоростью 60 Кбит/с по 30-метровому кабелю при использовании стандартного приемопередатчика SN75ALS176 со 120-омными согласующими резисторами потребует от системы электропитания ток 70мА. С другой стороны, использование MAX3471 при тех же самых условиях потребует только 2,5мА от источника питания.
