Журнал «Схемотехника» №10 2002 г.
Олег Николайчук
Целью настоящей статьи является ознакомление читателей с современными микросхемами драйверов сети RS485 фирмы MAXIM, их основными параметрами и особенностями.Олег Николайчук
Интерфейс RS485 наиболее часто используется при создании современных локальных сетей различного назначения, как в промышленных изделиях, так и в любительской практике. Основными преимуществами интерфейса являются:
- Относительно низкая себестоимость микросхем драйверов, что снижает стоимость аппаратной реализации сетевых диспетчеров, т.е. узлов связи между сетевой средой (линиями связи) и ядром станции (узла) сети, т.е. микроконтроллерной или микропроцессорной системой;
- Использование в сетях на базе интерфейса RS485 всего трех проводов (третий, общий, не всегда является обязательным), что значительно снижает себестоимость всей системы, поскольку известно, что себестоимость сетевой среды современных локальных сетей практически всегда составляет более 60% от стоимости всей системы;
- Микросхемы драйверов имеют малые габаритные размеры. Наиболее часто используются микросхемы, выполненные в корпусе DIP8 со стандартным расположением выводов, ставшим , промышленным стандартом. Микросхемы драйверов используют всего несколько дискретных элементов для цепей защиты, использование которых не является обязательным. Малые габаритные размеры микросхем драйверов и минимальное количество обвязки экономит площадь печатной платы, что также положительно сказывается на стоимости системы;
- Современные микросхемы имеют достаточно низкое энергопотребление, многие из них при отсутствии активности в сети автоматически переходят в режим экономии, что снижает энергопотребление системы;
- Современные микросхемы драйверов имеют повышенную нагрузочную способность. Если раннее большинство микросхем было насчитано на работу с 32 станциями, то современные модели обеспечивают нормальное функционирование до 256 станций;
- В настоящее время выпускаются микросхемы в высокой предельной скоростью передачи. Это позволяет создавать высокоскоростные сети, и снижает количество ошибок в сети за счет улучшения формы передаваемого сигнала;
- Драйверы интерфейса RS485 имеют достаточно простое управление. Особенности организации сетей, их схемотехника, способы управления доступом к каналу и примеры программирования достаточно описаны [1-11].
- Микросхемы интерфейса RS485 выпускают многие фирмы мира [12]. Однако несомненным лидером в разработке и выпуске новых микросхем драйверов является известная фирма MAXIM [13]. В настоящее время фирма выпускает более 80 типов микросхем драйверов интерфейса RS485/422.
В приведенных таблицах приняты следующие обозначения:
В колонке «Разрешение RxD»: P — обозначает, что управляющий вход приемника переключает его либо в открытое состояние, либо переводит его в режим энергосбережения, O — означает, что управляющий вход тоько включает/выключает приемник.
В колонке «Режим»: H — означает полудуплексный режим, т.е. интерфейс RS485, F — обозначает полный дуплексный режим, т.е. интерфейс RS422.
Прежде чем приступить к анализу таблиц, определим критерии отбора микросхем для последующего рассмотрения. Мы ставим своей целью ознакомление читателя с широко используемыми микросхемами интерфейса RS485 (но не RS422), т.е. с микросхемами, работающими в полудуплексном режиме, которые в колонке «Режим» имеют символ «H». У этих микросхем входы приемника объединены с выходами передатчика и образуют две линии приема/передачи, «A» и «B». Мы не будем рассматривать ряд микросхем, содержащих только приемники или только передатчики, поскольку их применение также весьма ограничено. И наконец, мы будем рассматривать только микросхемы, выпускаемые в корпусе с восемью выводами (кроме микросхем со встроенной оптической изоляцией и микросхем в корпусе 6/5/SO), как наиболее распространенные и используемые.
Таблица 1. Микросхемы драйверов интерфейса RS485/422 с питанием +5 В
| ТИП | Нали чие TxD | Нали чие RxD | Разре шение TxD | Разре шение RxD | Состо яние RxD | Режим | Быстро действие, Mbps | Кол-во стан ций | Защ ита ESD | Пит ание, V | Ток потре бления, mA | Ток эко номии, чA | Корпус |
| MAX1481 | 1 | 1 | NC | F | 0.25 | 256 | - | 5 | 0.3 | 0.1 | 10/µMAX | ||
| MAX1482 | 1 | 1 | O | F | 0.25 | 256 | - | 5 | 0.02 | 0.1 | 14/PDIP.300 14/SO.150 |
||
| MAX1483 | 1 | 1 | O | H | 0.25 | 256 | - | 5 | 0.02 | 0.1 | 8/µMAX 8/PDIP.300 8/SO.150 |
||
| MAX1484 | 1 | 1 | NC | F | 12 | 256 | - | 5 | 0.3 | - | 10/µMAX | ||
| MAX1485 | 1 | 1 | - | NC | H- F | 0.25 | 256 | - | 5 | 0.3 | - | 10/µMAX | |
| MAX1486 | 1 | 1 | - | NC | H- F | 12 | 256 | - | 5 | 0.3 | - | 10/µMAX | |
| MAX1487 MAX1487E | 1 | 1 | O | H | 2.5 | 128 | - ±15kV |
5 | 0.23 | - | 8/µMAX 8/PDIP.300 8/SO.150 |
||
| MAX3040 | 4 | 0 | - | - | - | 0.25 | - | ±10kV | 5 | 1 | 0.002 | 16/SO.150 16/SO.300 16/TSSOP |
|
| MAX3041 | 4 | 0 | - | - | - | 2.5 | - | ±10 kV | 5 | 1 | 0.002 | 16/SO.150 16/SO.300 16/TSSOP |
|
| MAX3042B | 4 | 0 | - | - | - | 20 | - | ±10 kV | 5 | 1 | 0.002 | 16/SO.150 16/SO.300 16/TSSOP |
|
| MAX3043 | 4 | 0 | - | - | - | 0.250 | - | ±10 kV | 5 | 1 | 0.002 | 16/SO.150 16/SO.300 16/TSSOP |
|
| MAX3044 | 4 | 0 | - | - | - | 2.5 | - | ±10 kV | 5 | 1 | 0.002 | 16/SO.150 16/SO.300 16/TSSOP |
|
| MAX3045B | 4 | 0 | - | - | - | 20 | - | ±10 kV | 5 | 1 | 0.002 | 16/SO.150 16/SO.300 16/TSSOP |
|
| MAX3080 MAX3080E | 1 | 1 | P | F | 0.115 | 256 | - ±15 kV |
5 | 0.375 | 0.001 | 14/PDIP.300 14/SO.150 |
||
| MAX3081 MAX3081E | 1 | 1 | - | - | P | F | 0.115 | 256 | - ±15 kV |
5 | 0.375 | - | 8/PDIP.300 8/SO.150 |
| MAX3082 MAX3082E | 1 | 1 | P | H | 0.115 | 256 | - ±15 kV |
5 | 0.375 | 0.001 | 8/PDIP.300 8/SO.150 |
||
| MAX3083 MAX3083E | 1 | 1 | P | F | 0.5 | 256 | - ±15 kV |
5 | 0.375 | 0.001 | 14/PDIP.300 14/SO.150 |
||
| MAX3084 MAX3084E | 1 | 1 | - | - | P | F | 0.5 | 256 | - ±15 kV |
5 | 0.375 | - | 8/PDIP.300 8/SO.150 |
| MAX3085 MAX3085E | 1 | 1 | P | H | 0.5 | 256 | - ±15 kV |
5 | 0.375 | 0.001 | 8/PDIP.300 8/SO.150 |
||
| MAX3086 MAX3086E | 1 | 1 | P | F | 10 | 256 | - ±15 kV |
5 | 0.375 | 0.001 | 14/PDIP.300 14/SO.150 |
||
| MAX3087 MAX3087E | 1 | 1 | - | - | P | F | 10 | 256 | - ±15 kV |
5 | 0.375 | - | 8/PDIP.300 8/SO.150 |
| MAX3088 MAX3088E | 1 | 1 | P | H | 10 | 256 | - ±15 kV |
5 | 0.375 | 0.001 | 8/PDIP.300 8/SO.150 |
||
| MAX3089 MAX3089E | 1 | 1 | P | H / F | 10 | 256 | - ±15 kV |
5 | 0.375 | 0.001 | 14/PDIP.300 14/SO.150 |
||
| MAX3093E | 0 | 4 | - | O | - | 10 | 128 | ±15 kV | 5 | 2.4 | - | 16/PDIP.300 16/SO.150 16/TSSOP |
|
| MAX3095 | 0 | 4 | O | - | 10 | 128 | ±15 kV | 5 | 2.4 | 0.001 | 16/PDIP.300 16/QSOP 16/SO.150 |
||
| MAX3291 | 1 | 1 | O | F | 10 | 128 | - | 5 | 2 | 1.0 | 14/PDIP.300 14/SO.150 |
||
| MAX3292 | 1 | 1 | O | F | 0.01 | 128 | - | 5 | 2 | 1.0 | 14/PDIP.300 14/SO.150 |
||
| MAX3443E | 1 | 1 | P | H | 10 | 128 | ±15 kV | 5 | 10 | 10 | 8/PDIP.300 8/SO.150 | ||
| MAX3460 | 1 | 1 | P | F | 20 | 128 | - | 5 | 2.5 | 1.0 | 14/PDIP.300 14/SO.150 |
||
| MAX3461 | 1 | 1 | P | F | 20 | 128 | - | 5 | 2.5 | 1.0 | 14/PDIP.300 14/SO.150 |
||
| MAX3462 | 1 | 1 | - | - | P | F | 20 | 128 | - | 5 | 2.5 | - | 8/PDIP.300 8/SO.150 |
| MAX3463 | 1 | 1 | P | H | 20 | 128 | - | 5 | 2.5 | 1.0 | 8/PDIP.300 8/SO.150 | ||
| MAX3464 | 1 | 1 | P | H | 20 | 128 | - | 5 | 2.5 | 1.0 | 8/PDIP.300 8/SO.150 | ||
| MAX481 MAX481E | 1 | 1 | O | H | 2.5 | 32 | - ±15 kV |
5 | 0.3 | 0.1 | 8/µMAX 8/PDIP.300 8/SO.150 |
||
| MAX483 MAX483E | 1 | 1 | O | H | 0.25 | 32 | - ±15 kV |
5 | 0.12 | 0.1 | 8/µMAX 8/PDIP.300 8/SO.150 |
||
| MAX485 MAX485E | 1 | 1 | O | H | 2.5 | 32 | - ±15 kV |
5 | 0.3 0.5 | - | 8/µMAX 8/PDIP.300 8/SO.150 |
||
| MAX487 MAX487E | 1 | 1 | O | H | 0.25 | 128 | - ±15 kV |
5 | 0.12 | 0.1 0.5 | 8/µMAX 8/PDIP.300 8/SO.150 |
||
| MAX488 MAX488E | 1 | 1 | - | - | O | F | 0.25 | 32 | - ±15 kV |
5 | 0.12 | - | 8/µMAX 8/PDIP.300 8/SO.150 |
| MAX489 MAX489E | 1 | 1 | O | F | 0.25 | 32 | - ±15 kV |
5 | 0.12 | - | 14/PDIP.300 14/SO.150 |
||
| MAX490 MAX490E | 1 | 1 | - | - | O | F | 2.5 | 32 | - ±15 kV |
5 | 0.3 | - | 8/µMAX 8/PDIP.300 8/SO.150 |
| MAX491 MAX491E | 1 | 1 | O | F | 25 | 32 | - ±15 kV |
5 | 0.3 | - | 14/PDIP.300 14/SO.150 |
Рис. 1. Расположение выводов семейства MAX481/483/485/487/1487
Напомним обозначения выводов: RO — Receiver Output — Выход приемника. Если А >B на 200mV RO=1, если А RE/ — Receiver Output Enable — Разрешение выхода приемника при RE/=0. При RE/=1 выход RO находится в высокоимпедансном состоянии.
DE — Driver Output Enable — Разрешение выходов передатчика. Если DE=1 выходы активны, в противном случае они находятся в высокоимпедансном состоянии.
DI — Driver Input — Вход передатчика.
GND — Ground — Общий провод питания.
A — Noninverting Receiver Input and Driver Output — Неинвертирующий вход/выход.
B — Inverting Receiver Input and Driver Output — Инвертирующий вход/выход.
VCC — Positive Supply — Напряжение питания.
Семейство микросхем MAX3082/3085/3088 по выводам полностью совместимо со стандартным семейством MAX481/483/485/487/1487. Основными отличиями этой группы являются:
- Повышенная нагрузочная способность выходов, что позволяет объединять в сеть до 256 станций.
- Наличие защиты от электростатики для микросхем с буквой «E».
- Наличие режима экономии, в который микросхемы переходят при закрытии приемника, т.е. при RE/=1.
- Повышенное быстродействие: 500 kbps (Kilo Bit per Second — килобит в секунду) для MAX3085(E) и 10 Mbps (Mega Bit per Second — мегабит в секунду) для MAX3088(E).
- Высокое быстродействие, для 20 Mbps.
- В микросхеме MAX3463 имеется схема автоматического определения неправильного подключения линий «A» и «B».
- Средняя нагрузочная способность выходов, что позволяет объединять в сеть до 128 станций.
- Отсутствие защиты от электростатики.
- Наличие режима экономии, в который микросхемы переходят при выключении приемника и передатчика через 50 nS, а также в случае включенного приемника при статичкском состоянии входов более чем 800 nS. Ток потребления в режиме экономии не превышает 1 mkA.
- Для микросхем этого семейства гарантируется высокий уровень на выходе приемника, если линии сети «A» и «B» замкнуты или свободны или все подключенные к линиям передатчики выключены.
- Микросхемы оснащены цепями защиты входов от «горячего» включения в шину сети.
- Микросхемы имеют защиту выходов передатчиков от короткого замыкания или температуры выходных каскадов передатчика более +140 ºС.
- Микросхемы имеют типовое время переключения приемника не более 2nS.
- Микросхемы совместимы с промышленным стандартом PROFIBUS, в котором используются два терминатора по220Om на концах сети и подтягивающие реpисторы по 390Om. При этом гарантируется размах уровней линий «A» и «B» не менее 2.1 V.
Представляет также интерес микросхема MAX3443E, предназначенная для работы в сетях с повышенным уровнем помех. Перечислим основные достоинства этой микросхемы:
- Высокое быстродействие, для 10 Mbps.
- Наличие режима экономии, в который микросхемы переходят при выключении приемника и передатчика через 50 nS, а также в случае включенного приемника при статическом состоянии входов более чем 800 nS. Ток потребления в режиме экономии не превышает 10 mkA.
- Наличие защиты от электростатики до ±15 kV.
- Микросхема имеет встроенную защиту от импульсных помех в линии до +60 V. Защита гарантируется независимо от состояния микросхемы и наличия или отсутствия ее питания.
- В микросхеме имеется схема автоматического определения неправильного подключения линий «A» и «B».
- Средняя нагрузочная способность выходов, что позволяет объединять в сеть до 128 станций.
- Отсутствие защиты от электростатики.
- Гарантируется высокий уровень на выходе приемника, если линии сети «A» и «B» замкнуты или свободны или все подключенные к линиям передатчики выключены.
- Микросхема оснащена цепями защиты входов от «горячего» включения в шину сети.
- Микросхема имеет защиту выходов передатчиков от короткого замыкания или температуры выходных каскадов передатчика более +140 ºС.
- Микросхема имеет типовое время переключения приемника не более 2 nS.
- Микросхема совместима со стандартом J1708. Напомним читателю, что стандартная конфигурация сети RS485 выглядит, как показано на рис. 2. Управление драйверами осуществляется входами RE/ и DE, а передача информации осуществляется через DI и RO. Стандарт J1708 предполагает, что приемник всегда открыт, т.е. RE/ соединен с общим проводом GND. Вход данных DI передатчика также соединен с общим проводом GND, а передача данных осуществляется по входу управления DE через инвертор. Таким образом, вес обмен осуществляется только двумя сигналами. Типовая схема включения стандарта J1708 приведена на рис. 3. Еще одной особенностью стандарта является использование изолированной земли в шине, как показано на рис. 3.
Рис. 2. Стандартная структура сети на базе интерфейса RS485
Рис. 3. Типовая схема включения драйвера в соответствии со стандартом J1708
Таблица 2. Микросхемы драйверов интерфейса RS485/422 с расширенным диапазоном питанием от +3 В до +5 В | ТИП | Нали чие TxD | Нали чие RxD | Разре шение TxD | Разре шение RxD | Состо яние RxD | Режим | Быстро действие, Mbps | Кол-во стан ций | Защита ESD | Пи тание, V | Ток потре бления, mA | Ток эко номии, чA | Корпус |
| MAX3284E | 0 | 1 | - | P | - | 52 | 128 | ±15 kV | 3.0- 5.5 | 9 | - | 6/SOT23 | |
| MAX3283E | 0 | 1 | - | P | - | 52 | 128 | ±15 kV | 3.0- 5.5 | 9 | - | 6/SOT23 | |
| MAX3281E | 0 | 1 | - | P | - | 52 | 128 | ±15 kV | 3.0- 5.5 | 9 | - | 6/SOT23 | |
| MAX3280E | 0 | 1 | - | - | P | - | 52 | 128 | ±15 kV | 3.0- 5.5 | 9 | - | 5/SOT23 |
| MAX3471 | 1 | 1 | P | H | 0.064 | 64 | - | 2.5- 5.5, 3.3,5 |
0.0016 | - | 8/µMAX |
Рис. 4. Разводка выводов микросхем семейства MAX3280(E)/3281(E)/3283(E)/3284(E)
Приемник в этой группе микросхем всегда открыт. Микросхема MAX3280 содержит только приемник, и представляет ограниченный интерес. В остальных микросхемах управление передатчиком осуществляется разными уровнями для различных микросхем на выводе 5 (см.рис.4). Микросхемы имеют встроенную защиту от электростатики и режим энергосбережения.Таблица 3. Микросхемы драйверов интерфейса RS485/422 с низковольтным питанием +3.3В
| ТИП | Нали чие TxD | Нали чие RxD | Разре шение TxD | Разре шение RxD | Состо яние RxD | Режим | Быстро действие, Mbps | Кол-во стан ций | Защита ESD | Пита ние, V | Ток потре бления, mA | Ток эко номии, чA | Корпус |
| MAX3094E | 0 | 4 | - | O | - | 10 | 128 | ±15 kV | 3.3 | 2.4 | - | 16/PDIP.300 16/SO.150 16/TSSOP |
|
| MAX3096 | 0 | 4 | O | - | 10 | 128 | ±15 kV | 3.3 | 2.4 | 0.001 | 16/PDIP.300 16/QSOP 16/SO.150 |
||
| MAX3097 | 0 | 3 | - | - | P | - | 32 | 256 | ±15 kV | 3.3 | 3.1 | - | 16/PDIP.300 16/QSOP 16/SO.150 |
| MAX3098 | 0 | 3 | - | - | P | - | 32 | 256 | ±15 kV | 3.3 | 3.1 | - | 16/PDIP.300 16/QSOP 16/SO.150 |
| MAX3362 | 1 | 1 | NC | H | 20 | 256 | - | 3.3 | 1.7 | 1.0 | 8/SOT23 | ||
| MAX3483 MAX3483E | 1 | 1 | O | H | 0.25 | 32 | - ±15 kV |
3.3 | 1 | 0.002 | 8/PDIP.300 8/SO.150 |
||
| MAX3485 MAX3485E | 1 | 1 | O | H | 10 | 32 | - ±15 kV |
3.3 | 1 | 0.002 | 8/PDIP.300 8/SO.150 |
||
| MAX3486 MAX3486E | 1 | 1 | O | H | 2.5 | 32 | - ±15 kV |
3.3 | 1 | 0.002 | 8/PDIP.300 8/SO.150 |
||
| MAX3488 MAX3488E | 1 | 1 | - | - | O | F | 0.25 | 32 | - ±15 kV |
3.3 | 1 | - | 8/PDIP.300 8/SO.150 |
| MAX3490 MAX3490E | 1 | 1 | - | - | O | F | 10 | 32 | - ±15 kV |
3.3 | 1 | - | 8/PDIP.300 8/SO.150 |
| MAX3491 MAX3491E | 1 | 1 | O | F | 10 12 | 32 | - ±15 kV |
3.3 | 1 | 0.002 | 14/PDIP.300 14/SO.150 |
Таблица 4. Микросхемы драйверов интерфейса RS485/422 с оптической развязкой
| ТИП | Нали чие TxD | Нали чие RxD | Разре шение TxD | Разре шение RxD | Состо яние RxD | Режим | Быстро действие, Mbps | Кол-во стан ций | Защита ESD | Пита ние, V | Ток потре бления, mA | Ток эконо мии, чA | Корпус |
| MAX1480A | 1 | 1 | + | + | O | H | 2.5 | 32 | - | 5 | 60 | - | 28/PDIP.600 |
| MAX1480B | 1 | 1 | + | + | O | H | 0.25 | 32 | - | 5 | 35 | 0.2 | 28/PDIP.600 |
| MAX1480C | 1 | 1 | + | + | O | H | 0.25 | 32 | - | 5 | 35 | 0.2 | 28/PDIP.600 |
| MAX1480EA | 1 | 1 | + | - | O | H | 2.5 | 128 | ±15 kV | 5 | 85 | 0.2 | 28/PDIP.600 |
| MAX1480EC | 1 | 1 | + | - | O | H | 0.016 | 128 | ±15 kV | 5 | 55 | 0.2 | 28/PDIP.600 |
| MAX1490A | 1 | 1 | - | - | O | F | 2.5 | 32 | - | 5 | 100 | - | 24/PDIP.600 |
| MAX1490B | 1 | 1 | - | - | O | F | 0.25 | 32 | - | 5 | 65 | 0.2 | 24/PDIP.600 |
| MAX1490EA | 1 | 1 | - | - | O | F | 2.5 | 32 | ±15 kV | 5 | 130 | 0.2 | 24/PDIP.600 |
| MAX1490EB | 1 | 1 | - | - | O | F | 0.016 | 32 | ±15 kV | 5 | 65 | 0.2 | 24/PDIP.600 |
| MAX3157 | 1 | 1 | P | H / F | 0.25 | 4 | - | 5 | 25 | 25 | 28/PDIP.600 28/SSOP |
||
| MAX3480A | 1 | 1 | + | + | O | H | 2.5 | 32 | - | 3.3 | 180 | 0.2 | 28/PDIP.600 |
| MAX3480B | 1 | 1 | + | + | O | H | 0.25 | 128 | - | 3.3 | 120 | 0.2 | 28/PDIP.600 |
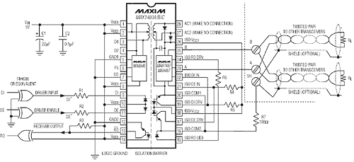
Микросхемы семейства MAX1490 предназначены для организации сети на базе интерфейса RS422, т.е. для работы в дуплексном режиме, и не будут рассматриваться в этой статье. Микросхема MAX3157 предназначена для сверхмалых сетей с количеством станций до 4, в связи с этим она также не представляет интереса для широкого круга читателей. Оставшиеся два семейства MAX1480 и MAX3480 имеют аналогичную внутреннюю структуру и отличаются только напряжением питания и потребляемым током. На рис. 5 приведена типовая схема включения микросхем семейства MAX1480. Для семейства MAX3480 схема включения аналогична и отличается только номиналами некоторых резисторов.
Рис. 5. Схема включения драйверов MAX1480 (MAX3480)
В заключение отметим, что с точки зрения идентичности схемотехники для систем с различным питанием и с точки зрения экономии площади печатной платы наиболее предпочтительно использовать микросхемы серии MAX3280(E)/3281(E)/3283(E)/3284(E) с расширенным диапазоном питания. Однако существует ряд причин, способных привести к другому выбору элементной базы. Например, необходимо использовать наиболее дешевые микросхемы, или микросхемы с более высокой нагрузочной способностью. В каждом конкретном случае в процессе разработки необходимо учитывать все требования, и исходя из них, выбирать требуемую элементную базу.- Литература:
- Локальные вычислительные сети / Под ред. С.В.Назарова Кн. 1: Принципы построения, архитектура, коммуникационные средства. 1994, —206 с.:ил.
- Мячев А.А. Интерфейсы систем обработки данных: Справочник / Под ред. А.А. Мячева. —М.: Радио и связь, 1989. —416 с.: ил.
- Николайчук О. Интерфейс персонального компьютера и локальной сети микроконтроллеров // Приборы и техника эксперимента, 2000, №3, — с.38-40.
- Nicolaiciuc O., Guţuleac E., Cheibaş V. A Small Local Computer Network for Automation of Manufacture and Scientific Researches // Computer Sciences Journal of Moldova, 1999, vol.7, №2(20), p.228-236.
- Nicolaiciuc O. A PC and Local Microcontroller Network Interface // Instruments And Experimental Technique, Consultants Bureau, New York, Vol.43, №3, 2000, —p.318-320.
- Nicolaiciuc O. The Station of Command Information LAN "MISNET" // Proceeding of the 5th International Conference on "Development and Application Systems", DAS2000, 18-20 May, 2000, Suceava, ROMANIA, p.298-300.
- Nicolaiciuc O., Guţuleac E. The Working Algorithms of Command Information LAN "MISNET" // Proceeding of the 5th International Conference on "Development and Application Systems", DAS-2000, 18-20 May, 2000, Suceava, ROMANIA, p.301-306.
- Nicolaiciuc O., Guţuleac E., Cheibaş V. The LAN "MISNET" // The International Symposium On System Theory , Xth-Edition, 25-26 May, 2000, Craiova, ROMANIA, p.17-20.
- Николайчук О. Командно-информационные сети — что это такое? Термины и схемотехника. // Схемотехника, 2001, №6, —c.26-30
- Николайчук О. Командно-информационные сети — что это такое? Алгоритмы и программы. // Схемотехника, 2001,№7, —c.37-41
- Николайчук О. Способы управления доступом к каналу сети RS485 // Схемотехника, 2002, №7, —c.43-45.
Источник: rtcs.ru
