Журнал «Chip News» №3 2002 г.
Д. Онышко
При конструировании электронных устройств часто требуется источник питания с различными значениями выходного напряжения. Широкое применение в современных устройствах находят преобразователи постоянного напряжения на переключающихся конденсаторах, позволяющие вырабатывать требуемые напряжения от одного источника питания. В статье рассматриваются принципы работы таких преобразователей, их технические характеристики и варианты применения.Д. Онышко
Рассмотрим принцип работы преобразователя на примере широко распространенной микросхемы IСL7660/MAX1044 с расширенными функциональными возможностями. Микросхема МАХ1044 отличается от IСL7660 наличием входа Boost (увеличение частоты внутреннего генератора). Структурная схема микросхемы ICL7660 приведена на рис.1.
Рис. 1.
Схема содержит четыре силовых МОП ключа, управляемых логическими элементами и сдвигателем уровня напряжения, работа которых осуществляется на частоте, полученной в результате деления на два частоты задающего RC генератора. Это позволяет формировать управляющие импульсы с требуемыми характеристиками «меандр» и оптимизировать по потреблению работу задающего RC генератора, рабочая частота которого без внешних элементов составляет 10 кГц. Внутренний регулятор напряжения необходим для обеспечения работы микросхемы от источника с пониженным напряжением.Принцип работы микросхемы в режиме идеального инвертора напряжения рассмотрим по функциональной схеме, приведенной на рис.2.
Рис. 2.
При замыкании ключей S1 и S3 и размыкании ключей S2 и S4 во время первой половины цикла внешний конденсатор С1 заряжается от источника питания до напряжения V+, а при замыкании ключей S2 и S4 и размыкании ключей S1 и S3 во время второй половины цикла конденсатор С1 передает частично свой заряд внешнему конденсатору С2, обеспечивая на выводе VOUT микросхемы напряжение -V+. Указанные значения напряжения соответствуют установившемуся режиму.Энергия, передаваемая конденсатором С1 за один цикл, определяется с помощью выражения
где V1 (V2) - напряжение на конденсаторе С1 в конце первой (второй) половины цикла.
Одним из основных показателей преобразователя является коэффициент преобразования
где Uвых - напряжение на выходе преобразователя при токе нагрузки, равном i; Uвых.ид. - напряжение на выходе идеального преобразователя (для инвертора Uвых.ид.=-Uвх).
Из выражения (2) видно, что высокое значение коэффициента преобразования достигается при Uвых(i) = Uвых.ид., т.е. при V1 = V2. Однако, как видно из выражения (1), в этом случае снижается переносимая конденсатором С1 энергия, что затрудняет обеспечение высокого значения коэффициента преобразования. Повышение переносимой конденсатором энергии возможно при увеличении емкости С1 или рабочей частоты. В первом случае возрастают габариты конденсатора и, следовательно, габариты преобразователя. Во втором случае возрастают потери энергии в реальном устройстве, что снижает его коэффициент полезного действия
где Рвых - мощность, отдаваемая в нагрузку; Рвх - мощность, потребляемая от источника питания.
Из проведенного анализа видно, что при разработке конкретного устройства преобразования необходима оптимизация значений рабочей частоты и емкости конденсатора С1. Для этого необходимо предусмотреть возможность изменения рабочей частоты в соответствии со значениями рабочих напряжений и потребляемых токов.
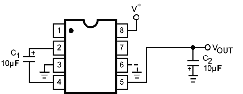
Рассмотрим электрические характеристики микросхемы IСL7660, включенной по тестовой схеме, приведенной на рис.3.
Рис. 3.
Таблица 1. Краткие электрические характеристики микросхемы при V+=5B, СOSC=0 | Параметр | Условие измерения | Мин | Тип | Мах |
| Ток потребления, мкА | RL = беск. | 30 | 250 | |
| Напряжение питания, В | RL = 10К, LV - открыт RL = 10К, LV=0В |
3 1,5 |
10 3,5 |
|
| Частота переключения, | кГц | 10 | ||
| КПД, % | RL = 5К | 95 | 98 | |
| Эффективность преобразования, % | RL = беск. | 97 | 99,9 |
Рис. 4.
Рис. 5.
Рис. 6.
Рис. 7.
Рис. 8.
Приведенные зависимости позволяют уточнить параметры преобразователя для конкретных значений рабочих напряжений и потребляемых токов.Рассмотрим типовые схемы включения микросхемы ICL7660.
Инвертор напряжения
Схема включения микросхемы в режиме инвертора напряжения приведена на рис.9.
Рис. 9.
Инвертор обеспечивает получение на выходе VOUT напряжения, равного -V+ в диапазоне 1,5В <= V+ <= 10В. В реальных условиях параметры инвертора отличаются от идеальных. Так, в соответствии с рис.4 при V+=8В, выходном токе, равном 50 мА, VOUT =-6В. Снижение выходного напряжения определяется выходным сопротивлением микросхемы Rвых, которое для рассмотренного выше случая составляет 60 Ом (рис.7).Выходное сопротивление микросхемы зависит от режима по постоянному току и от реактивного сопротивления конденсатора С1.
Так, для номинала С1=10мкф и частоты f=10кГц XC=3,18 Ом. Для исключения влияния конденсатора С1 на выходное сопротивление необходимо, чтобы ХС<вых.
Для эксплуатации микросхемы в диапазоне 1,5В <= V+ <= 3,5В необходимо вывод LV (6) микросхемы соединить с общим проводом (на рис.9 показано пунктирной линией).
Снижение выходного сопротивления
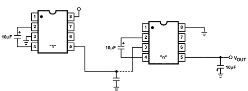
Для снижения выходного сопротивления можно применить параллельное включение микросхем, которое показано на рис.10.
Рис. 10.
Выходное сопротивление такой схемы зависит от числа параллельно включенных микросхем n и определяется с помощью выражения.Из рисунка видно, что конденсатор С1 является индивидуальным для каждой микросхемы, а конденсатор С2 - общий. Рассмотренное включение микросхем позволяет повысить выходной ток, коэффициент преобразования и коэффициент полезного действия преобразователя.
Каскадное включение микросхем
Для повышения выходного напряжения можно применять каскадное включение микросхем, показанное на рис.11.
Рис. 11.
Выходное напряжение такого преобразователя равно -nV+. Учитывая допустимый диапазон 1,5В <= V+ <= 10В число каскадно соединенных микросхем не должно превышать 6.Удвоители напряжения
Для получения положительного напряжения от источника отрицательного напряжения, а также удвоения напряжения применяется включение микросхемы, показанное на рис.12.
Рис. 12.
На выводах 8 и 3 вырабатывается напряжение VOUT=-V-,а на выводах 8 и 5 VOUT=-2V-. Диод необходим для обеспечения начального этапа работы микросхемы. В ряде случае удобно использовать схему включения, показанную на рис.13.Рис. 13.
Выходное напряжение такого преобразователя равно 2V+-2VF, где VF - падение напряжения на диоде в прямом направлении (для кремневых диодов VF=0,5-0,7B).Делители напряжения
С помощью микросхемы ICL7660 можно получить умощненный делитель напряжения при включении ее, как показано рис.14.
Рис. 14.
Комбинированные источники напряженияМикросхема ICL7660 позволяет получать напряжения с различными номиналами. Один из вариантов включения показан на рис.15.
Рис. 15.
В преобразователе напряжения, показанном на рисунке, формируются напряжения -(V+-VF) и 2V+-2VF.Работа в буферном режиме
Как видно из рассмотренного выше материала преобразователи с коммутируемыми конденсаторами обладают обратимыми свойствами. Это позволяет реализовывать буферный режим их функционирования, один из вариантов которых показан на рис.16.
Рис. 16.
Питание устройства осуществляется от источника VIN, который обеспечивает напряжение VOUT (5-ый вывод n-ой микросхемы) и V+ (8-ой вывод первой микросхемы) - напряжение подзаряда аккумулятора. При пропадании питающего напряжения или отключении источника питания напряжение VOUT будет вырабатываться из напряжения аккумулятора V+.Изменение частоты генератора ICL7660
Параметры рассмотренных преобразователей зависят от частоты генератора микросхемы. Зависимость коэффициента полезного действия от частоты показана на рис.6.
Из рисунка видно, что при выходном токе 1мА высокий КПД обеспечивается на частотах, меньших 1 кГц. На более высоких частотах потери в цепях генератора и управления силовыми ключами снижает общий КПД. Для достижения высокого КПД в данном конкретном случае необходимо уменьшить рабочую частоту преобразователя. Рабочую частоту можно уменьшать с помощью внешнего генератора или подключением COSC, как показано на рис.3.
Более простым является способ, использующий внешний конденсатор, емкость которого можно определить из графика, показанного на рис.8.
Для рассмотренного выше случая рабочая частота, равная 1кГц, достигается подключением внешнего конденсатора емкостью СOSC=100пф. При применении этого способа необходимо учитывать, что при СOSC, большей чем 1000пф, емкость конденсаторов С1 и С2 необходимо увеличить до 100 мкф.
Рассмотренный способ изменения частоты генератора применяется в микромощных устройствах для обеспечения высокого коэффициента полезного действия преобразователя.
В ряде случаев рабочую частоту преобразователя необходимо увеличивать. В этих случаях можно применять С1 и С2 меньшей емкости и, следовательно, с меньшими габаритами. Кроме того, при этом снижаются уровни помех от генератора в аудиосистемах. Наиболее просто увеличение частоты достигается с помощью вывода Boost микросхемы MAX1044. При замыкании ключа S1 (рис.3) рабочая частота микросхемы возрастает в 6 раз.
Режим пониженного энергопотребления
При работе в дежурном режиме необходимо снижать потребляемую преобразователем мощность. Некоторые микросхемы имеют вход SD, с помощью которого можно снижать потребляемый ток до единиц микроампер. Режим пониженного энергопотребления можно реализовать также с помощью входа OSC. Варианты реализации этого режима при использовании обычных логических элементов, логических элементов с открытым стоком (коллектором), а также имеющих третье состояние показаны на рис.17.
Рис. 17.
Микросхемы преобразователей напряжения на коммутируемых конденсаторах выпускаются рядом фирм: Maxim, National Semiconductor, Microchip и др. Эти микросхемы имеют одинаковый принцип действия и отличаются реализуемыми функциями, электрическими параметрами и конструктивным исполнением. Несомненным лидером в этой области является фирма Maxim, которая выпускает наиболее широкую номенклатуру микросхем преобразователей. В таблице 2 приведены характеристики некоторых из микросхем, выпускаемых различными фирмами.Таблица 2. Краткие характеристики микросхем.
| Тип микросхемы | Реализованные функции | Выходной ток (мА) | Входное напряжение VIN (В) | Частота (кГц) | Ток потребления (мкА) | Примечание |
| ICL7660 TC7660 LMC7660 |
-(VIN) или 2(VIN) или ½(VIN) |
20 | 1,5÷10 | 10 | 250 | |
| MAX889 | (-2,5В) (-VIN) | 200 | 2,7÷5,5 | 2000 | 50000 | Встроенная функция Shutdown |
| MAX1680 MAX1681 |
-(VIN) или 2(VIN) | 125 | 2÷5,5 | 125÷200 500÷1000 |
30000 | |
| MAX680 | 2(VIN) и -2(VIN) | 10 | 2÷6 | 8 | 1000 | |
| MAX681 | 2(VIN) и -2(VIN) | 10 | 2÷6 | 8 | 1000 | Без внешних конденсаторов |
| MAX1673 | 3В | 125 | 2÷5,5 | 350 | 16000 | |
| LM3350 | 3/2(VIN) или 2/3(VIN) |
50 | 1,5÷5,5 | 1600 | ||
| LM3352 | 2,5В; 3В или 3,3В | 200 | 2,5÷5,5 | 1000 | ||
| MAX870 | -(VIN) или 2(VIN) или ½(VIN) |
50 | 1,6÷5,5 | 56÷194 | 1000 | |
| MAX864 | 2(VIN) и -2(VIN) | 100 | 1,75÷6 | 7÷185 | 5000 | Встроенная функция Shutdown |
Из таблицы видно, что преобразователи на коммутируемых конденсаторах могут работать в режимах инвертора, удвоителя, делителя входного напряжения на два, позволяют формировать на выходе одновременно несколько напряжений. Некоторые микросхемы имеют встроенные стабилизаторы напряжения. Рассмотренные микросхемы находят широкое применение в ноутбуках, мобильных телефонах, пейджерах, переносных приборах и других устройствах. В радиолюбительской практике они могут применяться, например, для формирования разнополярных напряжений питания операционных усилителей, реализации буферного питания электронных устройств от одного аккумуляторного элемента, формирования напряжения питания ЖКИ и др. Малые габариты, высокие коэффициент преобразования и коэффициент полезного действия, отсутствие индуктивностей, обратимые свойства являются весьма привлекательными для применения рассмотренных преобразователей при разработке различных электронных устройств.
Литература
- Maxim full-line CD-Catalog Version 5.0 2001 Edition.
- National Analog and interface products databook, 2001 Edition.
Источник: rtcs.ru
