Для продления срока службы высоковольтных ГЛН, питающихся непосредственно от сети 220 В, поможет простое устройство на специализированной микросхеме фазового регулятора К1182ПМ1Р (КР1182ПМ1).
Дело в том, что в холодном состоянии сопротивление спирали лампы в 10 раз меньше, чем в разогретом. Поэтому пусковой ток ГЛН мощностью, например, 100 Вт может достигать 7 А. После разогрева спирали, который происходит за несколько полупериодов сетевого напряжения, ток уменьшается до рабочего.
Именно этот момент пуска является порой губительным для лампочки. Со временем спираль лампы изнашивается, утончается, приобретает неоднородности в своей структуре. Спираль становится более чувствительной к подобным перегрузкам при включении, соответственно, увеличивается вероятность ее перегорания.
Облегчить условия пуска холодной спирали ГЛН и тем самым снизить вероятность ее перегорания можно. Для этого надо подавать напряжение питания на лампу не с полной, а с постепенно увеличивающейся амплитудой. В результате к моменту подачи полной амплитуды спираль лампы успеет полностью разогреться и перейти в нормальный режим работы.
Микросхема фазового регулятора К1182ПМ1Р (КР1182ПМ1) предназначена для плавного включения/выключения ламп накаливания или для регулировки яркости их свечения. Максимальная рабочая мощность - 150 Вт. Значительно увеличить мощность подключаемой нагрузки можно, применив внешний симистор. ИМС выполнена в стандартном корпусе DIP 16.
ИМС К1182ПМ1Р (рисунки ниже) позволяет путем постепенного увеличения фазового угла включения увеличивать подаваемое на лампу напряжение. При этом спираль успевает разогреться до максимальной температуры к моменту подачи полного напряжения. В результате снижается вероятность выхода спирали лампы из строя.
Дело в том, что в холодном состоянии сопротивление спирали лампы в 10 раз меньше, чем в разогретом. Поэтому пусковой ток ГЛН мощностью, например, 100 Вт может достигать 7 А. После разогрева спирали, который происходит за несколько полупериодов сетевого напряжения, ток уменьшается до рабочего.
Именно этот момент пуска является порой губительным для лампочки. Со временем спираль лампы изнашивается, утончается, приобретает неоднородности в своей структуре. Спираль становится более чувствительной к подобным перегрузкам при включении, соответственно, увеличивается вероятность ее перегорания.
Облегчить условия пуска холодной спирали ГЛН и тем самым снизить вероятность ее перегорания можно. Для этого надо подавать напряжение питания на лампу не с полной, а с постепенно увеличивающейся амплитудой. В результате к моменту подачи полной амплитуды спираль лампы успеет полностью разогреться и перейти в нормальный режим работы.
Микросхема фазового регулятора К1182ПМ1Р (КР1182ПМ1) предназначена для плавного включения/выключения ламп накаливания или для регулировки яркости их свечения. Максимальная рабочая мощность - 150 Вт. Значительно увеличить мощность подключаемой нагрузки можно, применив внешний симистор. ИМС выполнена в стандартном корпусе DIP 16.
ИМС К1182ПМ1Р (рисунки ниже) позволяет путем постепенного увеличения фазового угла включения увеличивать подаваемое на лампу напряжение. При этом спираль успевает разогреться до максимальной температуры к моменту подачи полного напряжения. В результате снижается вероятность выхода спирали лампы из строя.
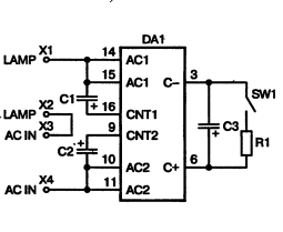
Типовая схема включения К1182ПМ1
Выводы 3 и 6 ИМС DA1 предназначены для подключения цепи управления (С3=100 мкФ 16 В, R1=3,1 кОм, SW1) фазовым регулятором. C1 = С2 = 1 мкФ 10 В. Время плавного включения лампы зависит от емкости конденсатора С3, а время плавного выключения - от сопротивления резистора R1. Номиналы этих элементов можно выбрать самостоятельно. С номиналами, приведенными на схеме, время включения и выключения составляет примерно 1 с.
Принципиальная схемы устройств регулировки яркости на микросхеме К1182ПМ1
Автор: Корякин-Черняк С.Л.
