МИКРОСХЕМА МС34064
Роль точного контроля напряжений питания непрерывно возрастает. Массовое применение устройств с батарейным (в частности аккумуляторным) питанием сделало непрерывный контроль напряжения питания обязательным для многих устройств» например, калькуляторов, карманных компьютеров, МРЗ-плееров, электронных часов и т. д. Разрядка аккумуляторов ниже определенного уровня губительно сказывается на сроке их работы, также как и перезарядка. Кроме того, многие электронные приборы, даже при сетевом питании, чувствительны к изменению напряжения источника. В первую очередь это относится к таким устройствам, как микропроцессоры, аналого-цифровые и цифро-аналоговые преобразователи, модули памяти и т. д.
Известно огромное число устройств контроля напряжения питания — от банального стрелочного вольтметра до сложных интеллектуальных блоков зарядки аккумуляторов. Нередко точность контроля и температурная стабильность порогов у многих таких устройств оказывалась явно низкой, а их повышение вело к неоправданному усложнению узлов контроля и увеличению потребляемой ими мощности. Учитывая эту ситуацию» ряд крупных фирм микроэлектронной промышленности приступил к серийному производству специальных микросхем супервизоров напряжения.
Одной из наиболее распространенных микросхем супервизоров напряжения является МС34064/33064, разработанная фирмой Motorola [1). Она выпускается также фирмами LinFinity Microelectronics, On Semiconductor и др. Микросхема (рис. 1) содержит высокоточный температурно-ком-пенсированный источник опорного напряжения, делитель напряжения R1R2, прецизионный гистерезисный компаратор ГИК с нагрузочным резистором R3 и выходной ключевой транзистор VT с диодом VD.
В микросхеме 21 транзистор и она выпускается во всех наиболее распространенных корпусах для транзисторов и микросхем малой степени интеграции, например в транзисторном корпусе Т0226АА и в корпусах вось-мивыводных микросхем 751 (SO-8) и 846А (Micro-8).
Основной задачей при разработке новых микросхем было их предельно простое применение по основному назначению (контроль за падением напряжения ниже заданного уровня) и наличие только трех выводов. Это несколько сужает возможные области применения таких массовых микросхем и требует внимательного изучения всех особенностей их работы, что и составляет цель данной статьи.
Прежде всего рассмотрим функциональную схему супервизора (рис. 1, а) более подробно. Ясно, что порог срабатывания задается напряжением опорного источника Uref = 1,2 В и делителем напряжения R1R2. В технической документации задаются пороги срабатывания и гистерезис, они приведены в табл. 1.
Таблица 1.
| Параметр | Мин. | Тип. | Макс. |
| Верхний порог, В | 4,5 | 4,61 | 4,7 |
| Нижний порог. В | 4,5 | 4,59 | 4,7 |
| Гистерезис, В | 0,01 | 0,02 | 0,05 |
Статические характеристики
В руководстве по микросхеме МС34064/33064 [1] приведено детальное описание статических характеристик микросхем. Рассмотрим основные их них. Главной является передаточная характеристика, показанная на рис. 2.
Она описывает зависимость выходного напряжения от входного. Нетрудно заметить, что эта характеристика куда сложнее, чем это можно было бы предположить из идеализированного описания микросхемы. Лишь в средней части (в области входных напряжений примерно 1...9В она соответствует описанию типовой роли прибора.
В области малых напряжений (менее 0,5 В), когда источник опорного напряжения перестает работать, передаточная характеристика имеет характерный выброс с линейным участком, на котором выходное напряжение равно входному, но уже при напряжении 0,5 В выходное напряжение падает практически до нуля и остается таким до увеличения входного напряжения до основного порога около 4,6 В. Далее, вплоть до напряжения чуть больше 9 В, выходное напряжение после скачка снова становится практически равным входному. А при входном напряжении более 9,2 В выходное напряжение скачком уменьшается практически до нуля. Причина подобного поведения не поясняется, но это означает, что микросхема может использоваться для двухпорогового контроля. Неясно и то, является ли точное значение 2 для отношения напряжений порогов преднамеренным или случайным обстоятельством.
Исследования показывают, что в малой области главного порога (напряжение около 4,6 В) передаточная характеристика имеет гистерезис, как показано на рис. 3.
При снятии характеристик в статическом режиме ширина петли гистерезиса составляет 20 мВ. Наличие гистерезиса исключает дребезг при переключении, как при нарастании, так и уменьшении контролируемого напряжения, а малая величина гистерезиса делает двойственность порога (при увеличении и уменьшении напряжения) практически незаметной.
Высокая стабильность порога — отличительное качество микросхем данной серии. На рис. 4 представлены температурные изменения верхнего и нижнего порогов в диапазоне температуры окружающей среды ТА = -40.. .+85 °С, разность порогов уменьшается при понижении температуры.
Интересный вид имеют зависимости входного тока от входного напряжения, представленные на рис. 5 для трех значений температуры окружающей среды, в целом они носят почти линейный характер с небольшим отклонением от линейности в области малых значений, однако в области порогов (4,6 и 9,2 В) эти зависимости имеют характерные падающие и нестабильные участки, обусловленные регенеративным переключением устройства. В определенных условиях это может порождать паразитные или полезные релаксационные колебания с частотой 1 МГц и выше.
Когда транзистор VT микросхемы открыт, выходное напряжение определяется начальным участком воль-тамперной характеристики насыщенного транзистора. На рис. 6 показана зависимость выходного напряжения от втекающего выходного тока для разных значений температуры окружающей среды ТА.
Максимальное значение выходного тока (до выхода из насыщения) при нормальных условиях составляет около 25 мА> что достаточно для яркого свечения светодиодного индикатора или включения маломощного реле.
Для оценки свойств микросхем полезно также знать вольтамперную характеристику диода VD, она показана на рис. 7. Из нее видно» что диод выдерживает ток до 70 мА при прямом падении напряжения на нем 1,6 В.
Статические характеристики супервизоров питания неплохо описывают их применение при медленно изменяющихся входных напряжениях, что характерно для многих стандартных применений таких микросхем. Из них следует, что по основному назначению их можно использовать при высокостабильном пороге около 4,6 В. Использование второго порога 9,2 В в технической документации не оговаривается, но, как показала практика, вполне возможно (максимальное напряжение питания с запасом взято равным 10 В).
ТИПОВЫЕ СХЕМЫ ВКЛЮЧЕНИЯ СУПЕРВИЗОРОВ НАПРЯЖЕНИЯ
Узлы порогового контроля со светодиодными индикаторами являются самыми простыми. Устройство (рис. 8, а), приведенное в описании микросхемы, обеспечивает свечение светодиода при падении напряжения источника питания ниже основного порога 4,6 В.
При увеличении питающего напряжения свыше 9,2 В свечения прекращается. Если узел выполнен так, как показано на рис. 13, б, обеспечивается четкая индикация превышения напряжением питания значения 4,6 В, а также и контроль за спадом напряжения ниже 9,2 В. Порог можно увеличивать, включая вход через диод или подключая его к источнику питания через низкоомный (единицы кОм) делитель. К сожалению, способов понизить напряжение порога у данных микросхем нет.
Будучи высокочувствительными регенеративными устройствами состабильным порогом срабатывания, супервизоры могут применяться в огромном количестве пороговых схем, например, в качестве триггеров Шмитта, устройств контроля сигналов с фоторезисторов, фотодиодов и фототранзисторов, пороговых устройств контроля температуры с резисторны-ми и диодными датчиками температуры и т. д. Принципы построения таких устройств вполне очевидны.
На рис 9 показан основной способ включения микросхемы супервизора питающего напряжения для создания сигнала сброса микропроцессорного устройства.
Резистор RH позволяет изменять петлю гистерезиса (ранее приводились данные для RH = 0), что дает возможность в широких пределах менять условия сброса микропроцессора. Обычно гистерезис позволяет создавать зону нечувствительности, предотвращающую сброс микропроцессорных устройств при небольших случайных скачках напряжения питания.
Супервизоры напряжения питания могут использоваться в зарядных устройствах для контроля уровня зарядки аккумуляторных батарей. Примером может служить схема устройства, показанная на рис. 10.
Устройство служит для контроля зарядки аккумуляторной батареи GB1 от солнечной батареи BL1. Пока уровень напряжения GB1 ниже основного порога, напряжение на выходе микросхемы супервизора равно нулю и внешний транзистор закрыт. Ток от солнечной батареи через диод заряжает GB1. Но если напряжение на GB1 начинает превышать заданный порог, сигнал на выходе супервизора увеличивается и внешний транзистор открывается, замыкая на себя ток элементов солнечной батареи. Перезарядка GB1 предотвращается и можно эксплуатировать аккумуляторную батарею без присмотра.
ИМПУЛЬСНЫЕ УСТРОЙСТВА НА МИКРОСХЕМАХ СУПЕРВИЗОРОВ НАПРЯЖЕНИЯ
Супервизоры также могут применяться при построении разнообразных импульсных устройств. Ниже описаны некоторые из них, рекомендуемые производителями микросхем импульсных устройств.
Типичным применением супервизора является возбудитель мощного полевого транзистора. Мощные полевые транзисторы крайне нежелательно запускать импульсами с пологими участками нарастания и спада, например треугольными [2]. В этом случае транзисторы длительное время находятся в состоянии, когда одновременно ток стока и напряжение на стоке велики, что ведет к резкому увеличению мгновенной рассеиваемой мощности, перегреву транзисторов и снижению к. п. д. ключевых устройств. На рис. 11 показана схема узла запуска, исключающего из входного напряжения область, где возможна перегрузка мощного полевого транзистора по мгновенной мощности рассеивания. Варианты умощнения вы-хода микросхемы рассмотрены в [3].
Малая инерционность срабатывания микросхемы супервизора не всегда является достоинством. Даже при создании сигнала сброса микропроцессора (применения микросхемы по прямому назначению) желательно создать задержку сигнала сброса, чтобы сброс не происходил при очень коротких перепадах напряжения питания. Для этого следует использовать дополнительный конденсатор CDLY который создает экспоненциальное нарастание сигнала сброса.
Время задержки вычисляется выражением, приведенным в правом нижнем углу типовой схемы сброса микропроцессора (рис. 12).
Микросхема супервизора напряжения может использоваться для формирования из входного сигнала задержанного перепада напряжения или задержанного прямоугольного импульса. Схема формирователя показана на рис. 13, его основой является интегрирующая КС-цепь на входе, которая формирует экспоненциальные фронты и спады на входе микросхемы.
Если предельное напряжение экспоненциального перепада на входе меньше второго порога составляет 9,2 В, выходной перепад формируется с задержкой в момент, когда экспоненциально растущее напряжение достигает уровня основного порога 4,6 В. Осциллограммы входного и выходного напряжения узла (рис. 13) для такого случая показаны на рис 14. Однако если предельное напряжение экспоненциального перепада на входе микросхемы супервизора превышает второй порог 9,2 В, будет формироваться уже не выходной перепад, а выходной прямоугольный импульс. Это связано с тем, при достижении экспоненциальным напряжением значения второго порога транзистор микросхемы снова открывается и напряжение на выходе становится близким к нулю. Осциллограммы входного и выходного напряжения для последнего случая показаны на рис. 15.
где UH — напряжение основного порога 4.6 В. Эта же формула при UH = 9,2 В определяет задержку второго (отрицательного) перепада выходного напряжения» а разность задержек — длительность выходного прямоугольного импульса.
Используя микросхему супервизора, можно построить и импульсный генератор (мультивибратор). Простейший вариант на основе использования второго порога работает не очень стабильно и дает жесткое самовозбуждение. Для того, чтобы срабатывал основной порог, узел приходится дополнять транзисторным инвертором, как показано на рис 16. Он обеспечивает зарядку и разрядку конденсатора С через резистор R. При достижении верхнего входного напряжения петли гистерезиса транзистор включается и конденсатор разряжается до нижнего порога. Затем транзистор выключается, и конденсатор начинает заряжаться до верхнего входного напряжения петли гистерезиса и т. д.
Осциллограммы напряжения на конденсаторе С и коллекторе внешнего транзистора показаны на рис. 17.
Поскольку разность порогов мала, напряжение на конденсаторе имеет участки почти линейного нарастания и спада. Импульсы напряжения на коллекторе внешнего транзистора близки к прямоугольным (рис 17). Из-за малой разности порогов и малой допустимой неличины R частота колебаний генератора довольно велика и составляет около 300 кГц при R = 7,5 кОм.
Еще один вариант применения супервизора напряжения показан на рис 18. Это маломощный импульсный стабилизатор (преобразователь) напряжения 11,5... 14,5 В в стабильное постоянное напряжение 5 В при токе 50 мА с максимальным изменением 35 мВ. При напряжении питания 12,6 В и изменении тока нагрузки 0.. .50 мА нестабильность выходного напряжения не превышает 12 мВ. Пульсации напряжения на выходе не более 60 мВ (полный размах), а КПД — 77 %. Любопытно отметить, что это довольно высокое значение коэффициента полезного действия, поскольку в маломощных стабилизаторах получить его намного труднее, чем в мощных, из-за значительной мощности, расходуемой на питание вспомогательных устройств.
Работа устройства основана на импульсном управлении биполярным транзистором МР5\У51А,включенным по схеме ключевого понижающего стабилизатора релаксационного типа. Импульсы с коллектора транзистора фильтруются LC-фильтром, и его выходное напряжение используется как входное для микросхемы супервизора. Делитель на его входе повышает порог до уровня 5 В, которое с учетом пульсаций определяет выходное напряжение преобразователя.
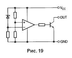
За рубежом супервизоры питания выпускаются почти всеми полупроводниковыми фирмами, например [4, 5]. Относительно давно существует отечественная серия микросхем К1171СП2хх [6], начат выпуск серии микросхем К1274хх [7], функциональная схема показана на рис 19. Источник опорного напряжения изображен в виде стабилитрона.
Обозначение «хх» указывает на типовое напряжение порога срабатывания— 29 при пороге 2,83...2,97 В, 33 при 3,23...3,37 В и т. д. до 45 при 4,43...4,57 В. Выпуск ряда модификаций микросхем с разными порогами упрощает их выбор. Максимальное допустимое рабочее напряжение увеличено до 15 В. В остальном микросхемы аналогичны описанным МС34064, в том числе и по принципам схемного применения.
Автор: Владимир Дьяконов, г. Смоленск ЛИТЕРАТУРА: 1. МС34064, МС33064. Undervoltage Sensing Circuit. Motorola, 1пс.У 1996. 2. В. П. Дьяконов, А. А. Максимчук, А. М. Ремнев, В. Ю. Смердов. Энциклопедия устройств на полевых транзисторах. Под общей редакцией проф. В. П. Дьяконова. — М: СОЛОН-Р, 2002. 3. С. Алексеев. Триггеры Шмита без источника питания. — Схемотехника, 2002, Л«? 12, с. 24. 4. KIA7019AP/AF/AT- KIA7045AP/ AF/AT. Bipolar Linear Integrated Circuit KEC, 2002. 5. M. Потапчук. Супервизоры серии MCPIOx фирмы Microchip. — Схемотехника, 2006, № 1, с. 10, 11. 6. Микросхемы для линейных источников питания и их применение. —М; Додэка, 1998. 7. А. Нефедов. Новые микросхемы для источников питания. — М.: Ремонт и сервис, 2006, .№ 5, с. 61, 62.
