Журнал «Chip News» №8 2002 г.
А. Шитиков
Около двадцати пяти лет интегральные полупроводниковые аналоговые ключи и созданные на их основе мультиплексоры, верой и правдой служат разработчикам электронных изделий. Совершенствовался процесс изготовления, изменялась конструкция микросхем – все это позволило снизить напряжение питания, потребляемую мощность, сопротивление открытого ключа, инжектируемый заряд, время переключения. Что же интересного предлагает фирма Maxim в этой группе из 325 приборов.А. Шитиков
Архитектура ключей и мультиплексоров не сильно изменилась за многие годы, но постоянный спрос на улучшенные характеристики заставляет производителей разрабатывать все новые и новые приборы для удовлетворения запросов разработчиков. Достаточно длительное время в качестве аналоговых ключей использовали МОП (металл-окисел-полупроводник) транзисторы. Обладая малым сопротивлением в проводящем состоянии и крайне высоким сопротивлением в состоянии отсечки, с малыми точками утечки и небольшой емкостью, они были почти идеальными аналоговыми ключами, управляемые напряжением. Необходимость коммутировать сигналы, равные или близкие по величине к напряжению питания, заставила решать эту проблему с помощью переключателей на комплементарных МОП-транзисторах (КМОП). Известная схема 4066 – классическая схема аналогового ключа для сигналов в диапазоне от «земли» до положительного напряжения питания (фирма Maxim выпускает эту микросхему под названием MAX4066). Управляется однополярным сигналом от логических микросхем. Одиночный п-канальный или р-канальный полевой транзистор, работающий в режиме обогащения, может служить аналоговым ключом, но его сопротивление в открытом состоянии будет значительно зависеть от величины коммутируемого сигнала.
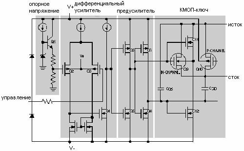
Соединение n-канального и p-канального МОП-транзистора в параллель резко снижает эту зависимость. Необходимо только одно условие – включение и выключение этих транзисторов должно осуществляться одновременно. Многолетние совершенствования аналогового ключа на основе КМОП-транзисторов понизили порог напряжения включения до 2,5-5,0 В. Добавление преобразователя уровня позволило получить сигналы управления затворами комплементарных МОП-транзисторов от входных сигналов логического уровня. При этом, аналоговый ключ теперь может коммутировать аналоговый сигнал уровнем ±15 В. Схема современного ключа представлена на рис. 1.
Рис. 1. Схема современного КМОП-ключа
Управляющий сигнал имеет уровень TTL-логики. При этом КМОП-ключ на транзисторах Q9 и Q10 может пропускать аналоговые сигналы уровнем ±Uпит. Показанные на схеме транзисторы Q11 и Q12 улучшают работу ключа, снижая утечки ключа и уменьшая модуляцию сопротивления открытого канала. Эти два транзистора никогда не должны включаться одновременно. Иначе отрицательная шина питания будет подключена к нагрузке и увеличится время включения/выключения. Режим безопасности работы транзисторов Q11 и Q12 должен обеспечиваться конструктивно. Достаточно хорошие параметры по значению сопротивления открытого ключа, по токам утечки и динамическим искажениям передачи большого сигнала на частоте до 500 КГц реализованы в ключах MAX3ХХ. Наиболее простой способ улучшения вышеуказанных параметров – это соединение в параллель имеющихся на чипе ключей. Так MAX351, имеющий 4 ключа, при параллельном соединении имеет типовое сопротивление в открытом состоянии 5,5 Ом и максимальное – 11,25 Ом. При этом, максимальное изменение сопротивления ключа от изменения значения коммутируемого сигнала, не превышает ΔRоткр ≤ 1,25 Ом.Через открытые транзисторы ключа течет ток коммутируемого сигнала. От источников питания ток в ключ практически не течет. А вот для смещения уровней и для управления ключом ток необходим.
Увеличение тока происходит при напряжении около 0,8 В и 2,4 В, что связано с переходом транзисторов из открытого состояния в закрытое (и обратно) и переходом их на это время в линейный режим. Если логические и аналоговые напряжения источников питания равны, то токи через микросхему протекают на уровне тока утечки – менее 1 мкА. Для нормальной работы ключа с разными напряжениями (например +5 В и ±15 В) необходимо к каждому терминалу источника ставить шунтирующие конденсаторы 10 мкФ параллельно с 100 нФ.
Динамические погрешности ключей определяются тем, что сигнал управления проходит через несколько каскадов, и на каждом имеет задержку. Особенно это важно в многоканальных мультиплексорах, например, 8 в 1. Здесь нельзя реализовать включение канала, если не выключен предыдущий. Вот поэтому, в микросхеме MAX338 конструктивно вносится гарантированное время задержки на переключение – минимум 10 нсек. При включении и выключении ключа управляющий сигнал через емкость транзисторов предварительных каскадов инжектирует некоторый заряд в проводящий канал ключа. Это приводит к ошибке при передаче сигнала через ключ. Величина инжектируемого заряда тем меньше, чем меньше сопротивление открытого канала. По этим же соображениям, время подъема и спада логического сигнала на входе для большинства ключевых схем MAXIM не должно превышать 20 нсек.
Зная тонкости построения ключей, их сильные и слабые стороны, можно найти самое широкое применение полупроводниковых ключей и мультиплексоров в радиоэлектронной аппаратуре. Они могут оперировать с радиочастотами до 1 МГц и выше. Большинство аналоговых ключей выделяют небольшую мощность рассеяния и требуют простого логического интерфейса. Функционирование ключей зависит от тока сигнала в элементе переключения и для снижения потерь при передаче, обычно, ограничиваются миллиамперами.
Для снижения перекрестных помех на частотах порядка 10 МГц и выше можно использовать ключи (стандартные MAX312, MAX383, видео Т-ключи MA4545), соединенные по Т-образной схеме (рис. 2). Один или два ключа соединяются на землю с низким сопротивлением (типовое -40 Ом) и отличным коэффициентом развязки (-80 дБ на 10 МГц). Однако, надо помнить, что с увеличением рабочей частоты сигнала, перекрестные помехи и развязка становятся неудовлетворительными.
Рис. 2. Т-образная схема включения ключа для сигнала частотой 10 МГц
Простая схема генератора на 2 частоты, стабилизируемые кварцевыми резонаторами, получается при использовании микросхемы с четырьмя ключами (MAX 383) при питании ±8 В или, при использовании MAX 411, ±18 В.Очень полезными могут быть интегральные схемы ключей и мультиплексоров при автоматической установке коэффициента усиления, частоты, фазы или напряжения. Например, если подать сигнал на неинвертирующий вход операционного усилителя, а на выходе установить последовательную резистивную матрицу, то с помощью 16-канального мультиплексора типа MAX 306, можно выбрать один из 16 уровней коэффициента усиления. При этом, каждый ключ с одной стороны подключается к «своему» резистору, а вторая сторона всех ключей объединяется и подключается к инвертирующему входу операционного усилителя.
Широкое применение нашли аналоговые ключи в звуковых системах. При прохождении сигнала через ключ не должно происходить ухудшение сигнала, введение в него любой новой информации, искажение формы и фазы волн. Полностью избежать этого не удается. Очевидно, что все искажения должны быть миниминизированы. Суммарное значение коэффициента нелинейных искажений (ТHD) определяется как отношение квадратного корня суммы квадратов второй, третьей и более высоких гармоник к величине основной (первой) гармоники. Выбор аналогового ключа с минимумом ТHD требует одного – низкого сопротивления в открытом состоянии (Ron) и, следовательно, незначительной неравномерности сопротивления Ron или плоскостности.
Плоскостность определяется как разность между максимальными и минимальными значениями сопротивления в открытом состоянии, измеренными в заданном диапазоне аналогового сигнала. Часто, (если нет иных указаний в документации), плоскостность принимают равной 10% от сопротивления открытого канала. Искажения являются результатом параллельного соединения р- и n-канальных транзисторов, которые имеют нелинейные характеристики сопротивления в открытом состоянии.
Практически, максимум нелинейных искажений определяется следующим соотношением:
Рис. 3. Зависимость суммарного коэффициента нелинейных искажений (THD) для частоты
На рис. 3 представлена зависимость THD от частоты для трех ключей MAX 4501, MAX4544, и MAX4621 с испытательной нагрузкой Rнагр.= 10 кОм.Эти графики показывают, что в звуковых системах для минимизации суммарных нелинейных искажений необходимо выбирать ключи с очень низким сопротивлением в открытом состоянии.
КМОП аналоговые ключи обладают, несомненно, многими полезными качествами, так что большинство разработчиков считает их как норму и использует в самых разнообразных применениях.
Обратим внимание на некоторые технические параметры ключей. Сегодня имеется много аналоговых ключей, работающих с одним низковольтным источником питания. Применяются и низковольтные ключи с однополярным питанием и логическими сигналами по стандартам КМОП и уровнями ТТЛ. Но имеются еще ключи, которые работают от питания ±15 В или ±12 В. Для управления ими требуется еще один источник питания, маркируемый VL, который обычно бывает 5 В или 3,3 В.
Если логический сигнал находится на уровне V+ (или VL, если имеется), то через аналоговые ключи по существу не течет ток от источника питания. Применяя ТТЛ-уровни при пятивольтовом напряжении VL, можно увеличить ток от источника питания более чем в 1000 раз. Чтобы избежать ненужного потребления тока от источника питания, Вы должны избегать использования ТТЛ-уровней – наследства 1980-х годов.
Время переключений (t-вкл. и t-выкл.) для большинства аналоговых ключей находится в пределах от 60 нсек. до 1 мсек.
Для «бесщелчковых» звуковых переключателей фирмы MAXIM время переключения увеличено до миллисекундного диапазона, что позволят устранить слышимые звуковые щелчки.
Итак, мы видим, что для передачи сигнала с минимальными искажениями нужно либо минимальное сопротивление ключа в открытом состоянии, либо максимально возможная нагрузка на выходе ключа. Рассмотрим еще один аспект при переключении – эффект инжекции заряда. Для получения низкого значения RON требуется расширение области канала. Результатом является большая входная емкость и соответствующая плата: увеличение рассеиваемой мощности от тока заряда – разряда в каждом цикле переключения. Постоянное время заряда t = R×C зависит от сопротивления (RON) и емкости (С) нагрузки. Обычно это продолжается несколько десятков наносекунд, но низкоомные ключи имеют более длительную продолжительность периода включения и выключения. Ключи с высоким RON более быстрые. MAXIM предлагает оба типа ключей – с одинаковой цоколевкой и в одинаковом корпусе SOT-23. MAX4501 и MAX4502 имеют более высокое сопротивление RON, но короткое время включения/выключения MAX4514 имеют более низкое сопротивление RON, но более длинное время переключения.
Еще одно отрицательное последствие низкоомных ключей – более высокий уровень инжекции заряда, вызванный увеличенным уровнем тока через емкость затвора. Особенно это важно при использовании ключей в устройствах выборки/хранения для точного преобразования в АЦП.
Защита ключей от электростатического заряда (ESD) основывается на достижениях MAXIM'а в этой области. Они позволили увеличить защиту новых аналоговых ключей до ±15 кВт по рекомендациям IEC 1000-4-2 уровня 4 (самый высокий уровень). Все аналоговые входы для ESD-тестов используют модель человеческого тела, а также контакт и разряд через воздушный зазор, указанные в методике IEC 1000-4-2.
Так, выпускаемые ключи MAX4551 – MAX4553, совместимы по выводам с большинством стандартных четырех ключевых микросхем таких, как DS201/211, MAX391 и др. Теперь не требуется делать защиту аналоговых входов с помощью дорогих ограничительных диодов, так как защита от электростатических разрядов (до 15 кВ) заложена в схему ключей и мультиплексоров.
Следующую важную характеристику необходимо отметить у современных ключей. Обычно допустимый диапазон входного сигнального напряжения ограничивается напряжением на шинах источника питания. Если аналоговый сигнал превышает напряжение источника питания, то через обратносмещенные паразитные диоды течет ток. В случае, когда этот ток не имеет ограничения, микросхема из-за перегрева выходит из строя. Поэтому, большинство старых ключей и мультиплексоров могли работать с токами, не превышающими 10÷20 mA.
Новые ключи MAXIM'а имеют встроенную защиту от пробоя, когда они сохраняют работоспособность до ±25 В (некоторые до 36 В) входного сигнала при питании 15 В и ±40 В при отключенном питании. В этом случае (при перенапряжении) по входу аналогового сигнала ключ принимает высокое полное сопротивление независимо от состояния ключа или сопротивления нагрузки. Только ток утечки, составляющей наноамперы, может вытекать из источника сигнала. Здесь очень важно одно обстоятельство: эти ключи не требуют определенного порядка подачи напряжения питания и напряжения аналогового сигнала. Даже при снятом питании не происходит пробоя ключа от аналогового сигнала. Защищенные от пробоя ключи MAX4511÷MAX4513 по выводам совместимы с DS411÷DS413.
В краткой журнальной статье невозможно сделать подробное описание всех свойств ключей и мультиплексоров. Всем, кому интересна такая информация, предлагаю посетить сайт http://www.maxim-ic.cоm/ или сайт официального дистрибьютора МАХIM – компании Rainbow Technologies. По этим адресам Вы найдете много полезного для правильного выбора и использования данного типа приборов.
Источник: rtcs.ru
