Создание полупроводниковых приборов для силовой электроники началось в 1953 г. когда стало возможным получение кремния высокой чистоты и формирование кремниевых дисков больших размеров. В 1955 г. был впервые создан полупроводниковый управляемый прибор, имеющий четырёхслойную структуру и получивший название "тиристор".
Он включался подачей импульса на электрод управления при положительном напряжении между анодом и катодом. Выключение тиристора обеспечивается снижением протекающего через него прямого тока до нуля, для чего разработано множество схем индуктивно-ёмкостных контуров коммутации. Они не только увеличивают стоимость преобразоваеля, но и ухудшают его массо-габаритные показатели,снижают надёжность.
Поэтому одновременно с созданием тиристора начались исследования, направленные на обеспечение его выключения по управляющему электроду. Главная проблема состояла в обеспечении быстрого рассасывания носителей зарядов в базовых областях.
Первые подобные тиристоры появились в 1960 г. в США. Они получили название Gate Turn Off (GTO). В нашей стране они больше известны как запираемые или выключаемые тиристоры.
В середине 90-х годов был разработан запираемый тиристор с кольцевым выводом управляющего электрода. Он получил название Gate Commutated Thyristor (GCT) и стал дальнейшем развитием GTO-технологии.
Тиристоры GTO
Устройство
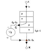
Запираемый тиристор - полностью управляемый полупроводниковый прибор, в основе которого классическая четырёхслойная структура. Включают и выключают его подачей положительного и отрицательного импульсов тока на электрод управления. На Рис. 1 приведены условное обозначение (а) и структурная схема (б) выключаемого тиристора. Подобно обычному тиристору он имеет катод K, анод А, управляющий электрод G. Различия в структурах приборов заключается в ином расположении горизонтальных и вертикальных слоёв с n- и р-проводимостями.
Наибольшему изменению подверглось устройство катодного слоя n. Он разбит на несколько сотен элементарных ячеек, равномерно распределённых по площади и соединённых параллельно. Такое исполнение вызвано стремлением обеспечить равномерное снижение тока по всей площади полупроводниковой структуры при выключении прибора.
Базовый слой p, несмотря на то, что выполнен как единое целое, имеет большое число контактов управляющего электрода (примерно равное числу катодных ячеек), также равномерно распределённых по площади и соединённых параллельно. Базовый слой n выполнен аналогично соответствующему слою обычного тиристора.
Анодный слой p имеет шунты (зоны n), соединяющие n-базу с анодным контактом через небольшие распределённые сопротивления. Анодные шунты применяют в тиристорах, не обладающих обратной блокирующей способностью. Они предназначены для уменьшения времени выключения прибора за счёт улучшения условий извлечения зарядов из базовой области n.
Основное исполнение тиристоров GTO таблеточное с четырёхслойной кремниевой пластиной, зажатой через термокомпенсирующие молибденовые диски между двумя медными основаниями, обладающими повышенной тепло- и электропроводностью. С кремниевой пластиной контактирует управляющий электрод, имеющий вывод в керамическом корпусе. Прибор зажимается контактными поверхностями между двумя половинами охладителей, изолированных друг от друга и имеющих конструкцию, определяемую типом системы охлаждения.
Принцип действия
В цикле работы тиристора GTO различают четыре фазы: включение, проводящее состояние, выключение и блокирующее состояние.
На схематичном разрезе тиристорной структуры (рис. 1,б) нижний вывод структуры анодный. Анод контактирует со слоем p.Затем снизу вверх следуют: базовый слой n, базовый слой p (имеющий вывод управляющего электрода), слой n, непосредственно контактирующий с катодным выводом. Четыре слоя образуют три p-n перехода: j1 между слоями p и n; j2 между слоями n и p;j3 между слоями p и n.
Фаза 1 - включение. Переход тиристорной структуры из блокирующего состояния в проводящее (включение) возможен только при приложении прямого напряжения между анодом и катодом. Переходы j1 и j3 смещаются в прямом направлении и не препятствуют прохождению носителей зарядов. Всё напряжение прикладывается к среднему переходу j2, который смещается в обратном направлении. Около перехода j2 образуется зона, обеднённая носителями зарядов, получившая название- область объёмного заряда. Чтобы включить тиристор GTO, к управляющему электроду и катоду по цепи управления прикладывается напряжение положительной полярности UG (вывод "+" к слою p). В результате по цепи протекает ток включения IG.
Запираемые тиристоры предъявляют жёсткие требования к крутизне фронта dIG/dt и амплитуде IGM тока управления. Через переход j3, кроме тока утечки, начинает протекать ток включения IG. Создающие этот ток электроны будут инжектироваться из слоя n в слой p. Далее часть из них будет перебрасываться электрическим полем базового перехода j2 в слой n.
Одновременно увеличится встречная инжекция дырок из слоя p в слой n и далее в слой p, т.е. произойдёт увеличение тока, созданного неосновными носителями зарядов.
Cуммарный ток, проходящий через базовый переход j2, превышает ток включения, происходит открытие тиристора, после чего носители зарядов будут свободно переходить через все его четыре области.
Фаза 2 - проводящее состояние. В режиме протекания прямого тока нет необходимости в токе управления IG, если ток в цепи анода превышает величину тока удержания. Однако на практике для того, чтобы все структуры выключаемого тиристора постоянно находились в проводящем состоянии, всё же необходимо поддержание тока, предусмотренного для данного температурного режима. Таким образом, всё время включения и проводящего состояния система управления формирует импульс тока положительной полярности.
В проводящем состоянии все области полупроводниковой структуры обеспечивают равномерное движение носителей зарядов (электронов от катода к аноду, дырок - в обратном направлении). Через переходы j1, j2 протекает анодный ток, через переход j3 - суммарный ток анода и управляющего электрода.
Фаза 3 - выключение. Для выключения тиристора GTO при неизменной полярности напряжения UT (см. рис. 3) к управляющему электроду и катоду по цепи управления прикладывается напряжение отрицательной полярности UGR. Оно вызывает ток выключения, протекание которого ведёт к рассасыванию основных носителей заряда (дырок) в базовом слое p. Другими словами, происходит рекомбинация дырок, поступивших в слой p из базового слоя n, и электронов, поступивших в этот же слой по управляющему электроду.
По мере освобождения от них базового перехода j2 тиристор начинает запираться. Этот процесс характеризуется резким уменьшением прямого тока IТ тиристора за короткий промежуток времени до небольшой величины IТQT (см. рис. 2). Сразу после запирания базового перехода j2 начинает закрываться переход j3, однако за счёт энергии, запасённой в индуктивности цепей управления он ещё некоторое время находится в приоткрытом состоянии.
Рис. 2. Графики изменения тока анода (iT) и управляющего электрода (iG)
После того, как вся энергия, запасённая в индуктивности цепи управления, будет израсходована, переход j3 со стороны катода полностью запирается. С этого момента ток через тиристор равен току утечки, который протекает от анода к катоду через цепь управляющего электрода.
Процесс рекомбинации и, следовательно, выключения запираемого тиристора во многом зависит от крутизны фронта dIGQ/dt и амплитуды IGQ обратного тока управления. Чтобы обеспечить необходимые крутизну и амплитуду этого тока, на управляющий электрод требуется подать напряжение UG, которое не должно превышать величины, допустимой для перехода j3.
Фаза 4 - блокирующее состояние.В режиме блокирующего состояния к управляющему электроду и катоду остаётся приложенным напряжение отрицательной полярности UGR от блока управления. По цепи управления протекает суммарный ток IGR, состоящий из тока утечки тиристора и обратного тока управления, проходящего через переход j3. Переход j3 смещается в обратном направлении. Таким образом, в тиристоре GTO, находящемся в прямом блокирующем состоянии, два перехода (j2 и j3) смещены в обратном направлении и образованы две области пространственного заряда.
Всё время выключения и блокирующего состояния система управления формирует импульс отрицательной полярности.
Защитные цепи
Использование тиристоров GTO, требует применения специальных защитных цепей. Они увеличивают массо-габаритные показатели, стоимость преобразователя, иногда требуют дополнительных охлаждающих устройств, однако являются необходимыми для нормального функционирования приборов.
Назначение любой защитной цепи - ограничение скорости нарастания одного из двух параметров электрической энергии при коммутации полупроводникового прибора. При этом конденсаторы защитной цепи СВ (рис. 3) подключают параллельно защищаемому прибору Т. Они ограничивают скорость нарастания прямого напряжения dUT/dt при выключении тиристора.
Дроссели LE устанавливают последовательно с прибором Т. Они ограничивают скорость нарастания прямого тока dIT/dt при включении тиристора. Значения dUT/dt и dIТ/dt для каждого прибора нормированы, их указывают в справочниках и паспортных данных на приборы.
Рис. 3. Схема защитной цепи
Кроме конденсаторов и дросселей, в защитных цепях используют дополнительные элементы, обеспечивающие разряд и заряд реактивных элементов. К ним относятся: диод DВ, который шунтирует резистор RВ при выключении тиристора Т и заряде конденсатора СВ, резистор RВ, ограничивающий ток разряда конденсатора СВ при включении тиристора Т.
Система управления
Система управления (СУ) содержит следующие функциональные блоки: включающий контур, состоящий из схемы формирования отпирающего импульса и источника сигнала для поддержания тиристора в открытом состоянии; контур формирования запирающего сигнала; контур поддержания тиристора в закрытом состоянии.
Не для всех типов СУ нужны все перечисленные блоки, но контуры формирования отпирающих и запирающих импульсов должна содержать каждая СУ. При этом необходимо обеспечить гальваническую развязку схемы управления и силовой цепи выключаемого тиристора.
Для управления работой выключаемого тиристора применяются две основные СУ, отличающиеся способами подачи сигнала на управляющий электрод. В случае представленном на рис. 4, сигналы, формируемые логическим блоком St, подвергаются гальванической развязке (разделение потенциалов), после чего производится их подача через ключи SE и SA на управляющий электрод выключаемого тиристора Т. Во втором случае сигналы сначала воздействуют на ключи SE (включения) и SA (выключения), находящиеся под тем же потенциалом, что и СУ, затем через устройства гальванической развязки UE и UA подаются на управляющий электрод.
В зависимости от расположения ключей SE и SA различают низкопотенциальные (НПСУ) и высокопотенциальные (ВПСУ, рис. 4) схемы управления.
Рис. 4. Вариант цепи управления
Система управления НПСУ конструктивно проще, чем ВПСУ, однако её возможности ограничены в отношении формирования управляющих сигналов большой длительности, действующих в режиме в режиме протекания через тиристор прямого тока, а также в обеспечении крутизны импульсов управления. Для формирования сигналов большой длительности здесь приходится использовать более дорогие двухтактные схемы.
В ВПСУ высокая крутизна и увеличенная длительность управляющего сигнала достигается проще. Кроме того, здесь сигнал управления используется полностью, в то время как в НПСУ его величина ограничивается устройством разделения потенциалов (например, импульсным трансформатором).
Информационный сигнал - команда на включение или выключение - обычно подаётся на схему через оптоэлектронный преобразователь.
Тиристоры GCT
В середине 90-х годов фирмами "ABB" и "Mitsubishi" был разработан новый вид тиристоров Gate Commutated Thyristor (GCT). Собственно, GCT является дальнейшим усовершенствованием GTO, или его модернизацией. Однако, принципиально новая конструкция управляющего электрода, а также заметно отличающиеся процессы, происходящие при выключении прибора, делают целесообразным его рассмотрение.
GCT разрабатывался как прибор, лишённый недостатков, характерных для GTO, поэтому сначала необходимо остановится на проблемах, возникающих при работе GTO.
Основной недостаток GTO заключается в больших потерях энергии в защитных цепях прибора при его коммутации. Повышение частоты увеличивает потери, поэтому на практике тиристоры GTO коммутируются с частотой не более 250-300 Гц. Основные потери возникают в резисторе RВ (см. рис. 3) при выключении тиристора Т и, следовательно, разряде конденсатора СВ.
Конденсатор СВ предназначен для ограничения скорости нарастания прямого напряжения du/dt при выключении прибора. Сделав тиристор не чувствительным к эффекту du/dt, создали возможность отказаться от снабберной цепи (цепи формирования траектории переключения), что и было реализовано в конструкции GCT.
Особенность управления и конструкции
Основной особенностью тиристоров GCT, по сравнению с приборами GTO, является быстрое выключение, которое достигается как изменением принципа управления, так и совершенствованием конструкции прибора. Быстрое выключение реализуется превращением тиристорной структуры в транзисторную при запирании прибора, что делает прибор не чувствительным к эффекту du/dt.
GCT в фазах включения, проводящего и блокирующего состояния управляется также, как и GTO. При выключении управление GCT имеет две особенности:
- ток управления Ig равен или превосходит анодный ток Ia (для тиристоров GTO Ig меньше в 3 - 5 раз);
- управляющий электрод обладает низкой индуктивностью, что позволяет достичь скорости нарастания тока управления dig/dt, равной 3000 А/мкс и более (для тиристоров GTO значение dig/dt составляет 30-40 А/мкс).
На рис. 5 показано распределение токов в структуре тиристора GCT при выключении прибора. Как указывалось, процесс включения подобен включению тиристоров GTO. Процесс выключения отличен. После подачи отрицательного импульса управления (-Ig) равного по амплитуде величине анодного тока (Ia), весь прямой ток, проходящий через прибор, отклоняется в систему управления и достигает катода, минуя переход j3 (между областями p и n). Переход j3 смещается в обратном направлении, и катодный транзистор npn закрывается. Дальнейшее выключение GCT аналогично выключению любого биполярного транзистора, что не требует внешнего ограничения скорости нарастания прямого напряжения du/dt и, следовательно, допускает отсутствие снабберной цепочки.
Изменение конструкции GCT связано с тем, что динамические процессы, возникающие в приборе при выключении, протекают на один - два порядка быстрее, чем в GTO. Так, если минимальное время выключения и блокирующего состояния для GTO составляет 100 мкс, для GCT эта величина не превышает 10 мкс. Скорость нарастания тока управления при выключении GCT составляет 3000 А/мкс, GTO - не превышает 40 А/мкс.
Чтобы обеспечить высокую динамику коммутационных процессов, изменили конструкцию вывода управляющего электрода и соединение прибора с формирователем импульсов системы управления. Вывод выполнен кольцевым, опоясывающим прибор по окружности. Кольцо проходит сквозь керамический корпус тиристора и контактирует: внутри с ячейками управляющего электрода; снаружи - с пластиной, соединяющей управляющий электрод с формирователем импульсов.
Сейчас тиристоры GTO производят несколько крупных фирм Японии и Европы: "Toshiba", "Hitachi", "Mitsubishi", "ABB", "Eupec". Параметры приборов по напряжению UDRM : 2500 В, 4500 В, 6000 В; по току ITGQM (максимальный повторяющийся запираемый ток): 1000 А, 2000 А, 2500 А, 3000 А, 4000 А, 6000 А.
Тиристоры GCT выпускают фирмы "Mitsubishi" и "ABB". Приборы рассчитаны на напряжение UDRM до 4500 В и ток ITGQM до 4000 А.
В настоящее время тиристоры GCT и GTO освоены на российском предприятии ОАО "Электровыпрямитель" (г. Саранск).Выпускаются тиристоры серий ТЗ-243, ТЗ-253, ТЗ-273, ЗТА-173, ЗТА-193, ЗТФ-193 (подобен GCT) и др. с диаметром кремниевой пластины до 125 мм и диапазоном напряжений UDRM 1200 - 6000 В и токов ITGQM 630 - 4000 А.
Параллельно с запираемыми тиристорами и для использования в комплекте с ними в ОАО "Электровыпрямитель" разработаны и освоены в серийном производстве быстровостанавливающиеся диоды для демпфирующих (снабберных) цепей и диоды обратного тока, а также мощный импульсный транзистор для выходных каскадов драйвера управления (система управления).
Тиристоры IGCT
Благодаря концепции жёсткого управления (тонкое регулирование легирующих профилей, мезатехнология, протонное и электронное облучение для создания специального распределения контролируемых рекомбинационных центров, технология так называемых прозрачных или тонких эмиттеров, применение буферного слоя в n - базовой области и др.) удалось добиться значительного улучшения характеристик GTO при выключении. Следующим крупным достижением в технологии жёстко управляемых GTO (HD GTO) с точки зрения прибора, управления и применения стала идея управляемых приборов базирующихся на новом "запираемом тиристоре с интегрированным блоком управления (драйвером)" (англ. Integrated Gate-Commutated Thyristor (IGCT)). Благодаря технологии жёсткого управления равномерное переключение увеличивает область безопасной работы IGCT до пределов, ограниченных лавинным пробоем, т.е. до физических возможностей кремния. Не требуется никаких защитных цепей от превышения du/dt. Сочетание с улучшенными показателями потерь мощности позволило найти новые области применения в килогерцовом диапазоне. Мощность, необходимая для управления, снижена в 5 раз по сравнению со стандартными GTO, в основном за счёт прозрачной конструкции анода. Новое семейство приборов IGCT, с монолитными интегрированными высоко мощными диодами было разработано для применения в диапазоне 0,5 - 6 МВ*А. При существующей технической возможности последовательного и параллельного соединения приборы IGCT позволяют наращивать уровень мощности до нескольких сотен мегавольт - ампер.
При интегрированном блоке управления катодный ток снижается до того, как анодное напряжение начинает увеличиваться. Это достигается за счёт очень низкой индуктивности цепи управляющего электрода, реализуемой за счёт коаксиального соединения управляющего электрода в сочетании с многослойной платой блока управления. В результате стало возможным достигнуть значения скорости выключаемого тока 4 кА/мкс. При напряжении управления UGK=20 В. когда катодный ток становится равным нулю, оставшийся анодный ток переходит в блок управления, который имеет в этот момент низкое сопротивление. За счёт этого потребление энергии блоком управления минимизируется.
Работая при "жёстком" управлении, тиристор переходит при запирании из p-n-p-n состояния в p-n-p режим за 1 мкс. Выключение происходит полностью в транзисторном режиме, устраняя всякую возможность возникновения триггерного эффекта.
Уменьшение толщины прибора достигается за счёт использования буферного слоя на стороне анода. Буферный слой силовых полупроводников улучшает характеристики традиционных элементов за счёт снижения их толщины на 30% при том же прямом пробивном напряжении. Главное преймущество тонких элементов - улучшение технологических характеристик при низких статических и динамических потерях. Такой буферный слой в четырёхслойном приборе требует устранения анодных закороток, но при этом сохраняется эффективное освобождение электронов во время выключения. В новом приборе IGCT буферный слой комбинируется с прозрачным анодным эмиттером. Прозрачный анод - это p-n переход с управляемой током эффективностью эмиттера.
Для максимальной помехоустойчивости и компактности блок управления окружает IGCT, формируя единую конструкцию с охладителем, и содержит только ту часть схемы, которая необходима для управления непосредственно IGCT. Как следствие, уменьшено число элементов управляющего блока, снижены параметры рассеяния тепла, электрических и тепловых перегрузок. Поэтому, также существенно снижена стоимость блока управления и интенсивность отказов. IGCT, с его интегрированным управляющим блоком, легко фиксируется в модуле и точно соединяется с источником питания и источником управляющего сигнала через оптоволокно. Путём простого размыкания пружины, благодаря детально разработанной прижимной контактной системе, к IGCT прилагается правильно рассчитанное прижимное усилие, создающее электрический и тепловой контакт. Таким образом, достигается максимальное облегчение сборки и наибольшая надёжность. При работе IGCT без снаббера, обратный диод тоже должен работать без снаббера. Эти требования выполняет высокомощный диод в прижимном корпусе с улучшенными характеристиками, произведённый с использованием процесса облучения в сочетании с классическими процессами. Возможности по обеспечению di/dt определяются работой диода (см. рис. 6).
Рис. 6. Упрощенная схема трёхфазного инвертора на IGCT
Основной производитель IGCT фирма "ABB".Параметры тиристоров по напряжению UDRM: 4500 В, 6000 В; по току ITGQM: 3000 А, 4000 А.
Заключение
Быстрое развитие в начале 90-х годов технологии силовых транзисторов привело к появлению нового класса приборов - биполярные транзисторы с изолированным затвором (IGBT - Insulated Gate Bipolar Transistors). Основными преимуществами IGBT являются высокие значения рабочей частоты, КПД, простота и компактность схем управления (вследствие малости тока управления).
Появление в последние годы IGBT с рабочим напряжением до 4500 В и способностью коммутировать токи до 1800 А привело к вытеснению запираемых тиристоров (GTO) в устройствах мощностью до 1 МВт и напряжением до 3,5 кВ.
Однако новые приборы IGCT, способные работать с частотами переключения от 500 Гц до 2 кГц и имеющие более высокие параметры по сравнению с IGBT транзисторами, сочетают в себе оптимальную комбинацию доказанных технологий тиристоров с присущими им низкими потерями, и бесснабберной, высокоэффективной технологией выключения путём воздействия на управляющий электрод. Прибор IGCT сегодня - идеальное решение для применения в области силовой электроники среднего и высокого напряжений.
Характеристики современных мощных силовых ключей с двусторонним теплоотводом приведены в табл. 1.
Таблица 1. Характеристики современных мощных силовых ключей с двусторонним теплоотводом
| Тип прибора | Преимущества | Недостатки | Области применения |
| Традиционный тиристор (SCR) | Самые низкие потери во включённом состоянии. Самая высокая перегрузочная способность. Высокая надёжность. Легко соединяются параллельно и последовательно. | Не способен к принудительному запиранию по управляющему электроду. Низкая рабочая частота. | Привод постоянного тока; мощные источники питания; сварка; плавление и нагрев; статические компенсаторы; ключи переменного тока |
| GTO | Способность к управляемому запиранию. Сравнительно высокая перегрузочная способность. Возможность последовательного соединения. Рабочие частоты до 250 Гц при напряжении до 4 кВ. | Высокие потери во включённом состоянии. Очень большие потери в системе управления. Сложные системы управления и подачи энергии на потенциал. Большие потери на переключение. | Электропривод; статические компенсаторы;реактивной мощности; системы бесперебойного питания;индукционный нагрев |
| IGCT | Способность к управляемому запиранию. Перегрузочная способность та же, что и у GTO. Низкие потери во включённом состоянии на переключение. Рабочая частота - до единиц, кГц. Встроенный блок управления (драйвер). Возможность последовательного соединения. | Не выявлены из-за отсутствия опыта эксплуатации | Мощные источники питания (инверторная и выпрямительная подстанции линий передач постоянного тока); электропривод (инверторы напряжения для преобразователей частоты и электроприводов различного назначения) |
| IGBT | Способность к управляемому запиранию. Самая высокая рабочая частота (до 10 кГц). Простая неэнергоёмкая система управления. Встроенный драйвер. | Очень высокие потери во включённом состоянии. | Электропривод (чопперы); системы бесперебойного питания; статические компенсаторы и активные фильтры; ключевые источники питания |
