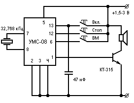
Рис 1.Принципиальная схема звонка.
Категории
Свернуть
Метки статей
Свернуть
Меток пока нет.
Новые статьи
Свернуть
-
от adminШироко распространенный операционный усилитель (ОУ) типа 741 (140УД7) имеет большой коэффициент подавления синфазной помехи, что позволяет с малыми затратами реализовать на его основе усилитель с регулируемым коэффициентом усиления и даже аналоговый ключ. Коэффициент усиления ОУ можно легко регулировать,...
-
Канал: Звук
05.02.2017, 11:31 -
-
от adminМикрофонные усилители используются для усиления сигналов, имеющих малую величину (0,2-2 мВ), до уровня 0,1-0,3 В. Входное сопротивление микрофонного усилителя, при котором обеспечивается максимальное отношение сигнал/шум, выбирается в 3 раза больше внутреннего сопротивление. Т...
-
Канал: Звук
05.02.2017, 11:31 -
-
от adminЖурнал «Ремонт и сервис электронной техники» №8 2002 г.Расширение функциональных возможностей бытовой техники всегда радует потребителей. Но у каждой медали есть и обратная сторона — добавление новых возможностей усложняет управление бытовыми приборами, и домохозяйкам поневоле приходится...
Александр Зайцев-
Канал: Звук
05.02.2017, 11:31 -
-
от adminЖурнал «Радио» №10 2001 г.Микросхемы семейства ChipCorder компании Winbond Electronics - законченные системы записи, хранения и высококачественного воспроизведения звуковых фрагментов от 10с до нескольких минут. Они предназначены в первую очередь для "интеллектуальных" этикеток, автоответчиков,...
С. Подорожный-
Канал: Звук
05.02.2017, 11:30 -
-
от adminTDA1516BQ, TDA1516CQ и TDA1518BQ
Интегральные микросхемы TDA1516BQ, TDA1516CQ и TDA1518BQ фирмы Philips выполнены в корпусах SIP2 с 13 выводами и представляют собой двухканальные (стереофонические) усилители мощности низкой частоты. Предназначена для использования в магнитофонах, электрофонах, телевизионных...-
Канал: Звук
05.02.2017, 11:30 -
