Некоторое время назад я уже публиковал обзор, где показал как при помощи КРЕН5 сделать ШИМ стабилизатор. Тогда же я упомянул о одном из самых распространенных и наверное самых дешевых контроллеров DC-DC преобразователей. Микросхеме МС34063.
Сегодня я попробую дополнить предыдущий обзор.
Вообще, данную микросхему можно считать устаревшей, но тем не менее она пользуется заслуженной популярностью. В основном из-за низкой цены. Я их до сих пор иногда использую в своих всяких поделках.
Собственно потому я и решил прикупить себе сотню таких микрух. Обошлись они мне в 4 доллара, сейчас у того же продавца они стоят 3.7 доллара за сотню, это всего 3.7 цента за штуку.
Найти можно и дешевле, но я заказывал их в комплект к другим деталям (обзоры зарядного для литиевого аккумулятора и стабилизатор тока для фонарика). Есть еще четвертый компонент, который я заказал там же, но о нем в другой раз.
Ну я наверное уже утомил длинным вступлением, потому перейду к обзору.
Предупрежу сразу, будет много всяких фото.
Пришло это все в пакетиках, замотанное в ленту из пупырки. Такая себе кучка

Сами микросхемы аккуратно запакованы в пакетик с защелкой, на него наклеена бумажка с наименованием. Написано от руки, но проблемы распознать надпись, думаю не возникнет.

Данные микросхемы производятся разными производителями и маркируются так же по разному.
MC34063
KA34063
UCC34063
И т.д.
Как видно, меняются только первые буквы, цифры остаются неизменными, потому обычно ее называют просто 34063.
Мне достались первые, MC34063.

Фото рядом с такой же микрухой, но другого производителя.
Обозреваемая выделяется более четкой маркировкой.

Что дальше можно обозреть я не знаю, потому перейду ко второй части обзора, познавательной.
DC-DC преобразователи используются во многих местах, сейчас наверное уже тяжело встретить электронное устройство, где их нет.
Существует три основные схемы преобразования, все они описаны в даташите к 34063, а так же в дополнении по ее применению, ну и в еще одном описании.
Все описанные схемы не имеют гальванической развязки. Так же, если вы посмотрите внимательно все три схемы, то заметите, что они очень похожи и отличаются перестановкой местами трех компонентов, дросселя, диода и силового ключа.
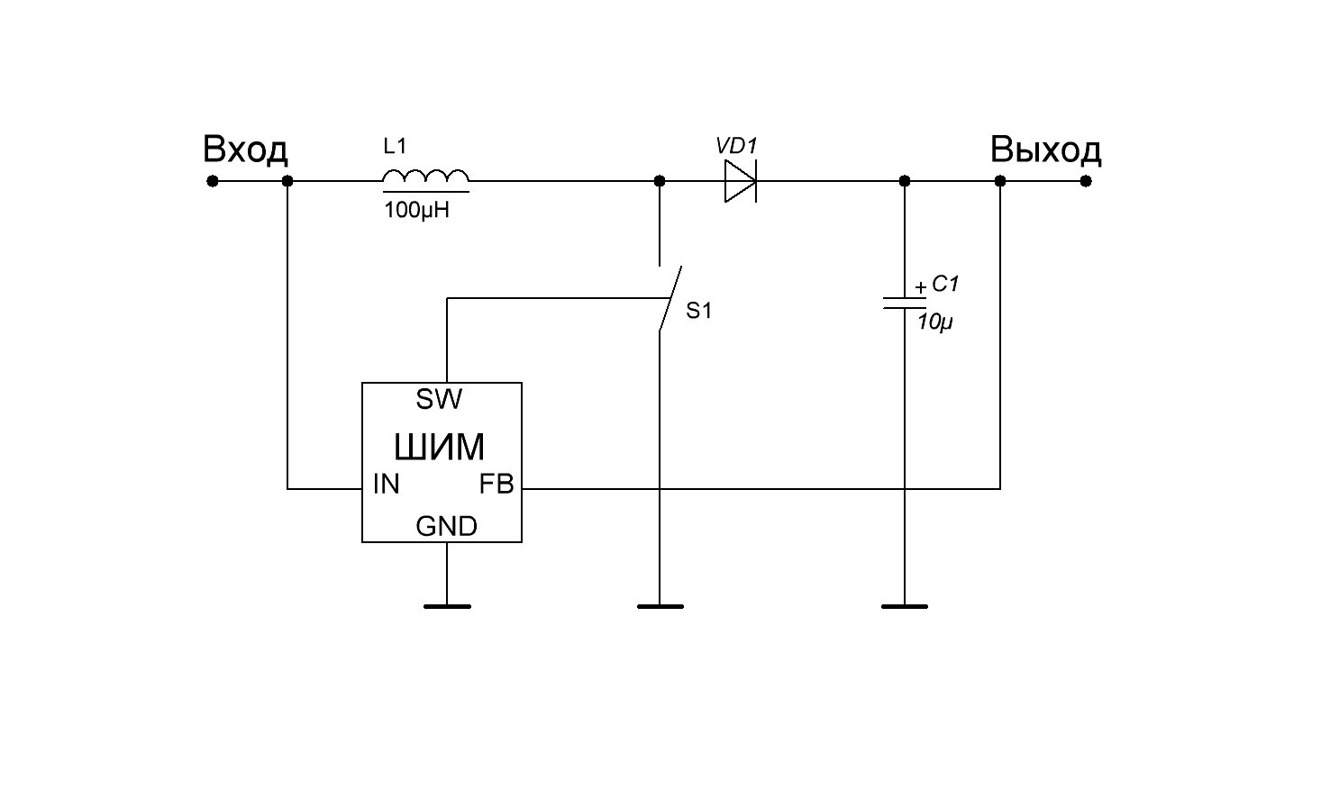
Сначала самая распространенная.
Step-down или понижающий ШИМ преобразователь.
Применяется там, где надо понизить напряжение, причем сделать это с максимальным КПД.
Напряжение на входе всегда больше, чем на выходе, обычно минимум на 2-3 Вольта, чем больше разница, тем лучше (в разумных пределах).
При этом ток на входе меньше, чем на выходе.
Такую схемотехнику применяют часто на материнских платах, правда преобразователи там обычно многофазные и с синхронным выпрямлением, но суть остается прежней, Step-Down.
В этой схеме дроссель накапливает энергию при открытом ключе, а после закрытия ключа напряжение на дросселе (за счёт самоиндукции) заряжает выходной конденсатор

Следующая схема применяется немного реже первой.
Ее часто можно встретить в Power-bank, где из напряжения аккумулятора в 3-4.2 Вольта получается стабилизированные 5 Вольт.
При помощи такой схемы можно получить и больше, чем 5 Вольт, но надо учитывать, что чем больше разница напряжений, тем тяжелее работать преобразователю.
Так же есть одна не очень приятная особенность данного решения, выход нельзя отключить «программно». Т.е. аккумулятор всегда подключен к выходу через диод. Так же в случае КЗ ток будет ограничен только внутренним сопротивлением нагрузки и батареи.
Для защиты от этого применяют либо предохранители, либо дополнительный силовой ключ.
Так же как и в прошлый раз, при открытом силовом ключе сначала накапливается энергия в дросселе, после закрытия ключа ток на дросселе меняет свою полярность и суммируясь с напряжением батареи поступает на выход через диод.
Напряжение на выходе такой схемы не может быть ниже напряжения на входе минус падение на диоде.
Ток на входе больше чем на выходе (иногда значительно).

Третья схема применяется довольно редко, но не рассмотреть ее будет неправильно.
Это схема имеет на выходе напряжение обратной полярности, чем на входе.
Называется — инвертирующий преобразователь.
В принципе данная схема может как повышать, так и понижать напряжение относительно входного, но из-за особенностей схемотехники чаще используется только для напряжений больше или равных входному.
Преимущество данной схемотехники — возможность отключения напряжения на выходе при помощи закрытия силового ключа. Это так же умеет делать и первая схема.
Как и в предыдущих схемах, энергия накапливается в дросселе, а после закрытия силового ключа поступает в нагрузку через обратно включенный диод.

Когда я задумывал данный обзор, то не знал, что лучше выбрать для примера.
Были варианты сделать понижающий преобразователь для РоЕ или повышающий для питания светодиода, но как то все это было неинтересно и совсем скучно.
Но несколько дней назад позвонил товарищ и попросил помочь ему с решением одной задачки.
Надо было получить выходное стабилизированное напряжение независимо от того, входно больше или меньше выходного.
Т.е. нужен был повышающе-понижающий преобразователь.
Топология данных преобразователей называется SEPIC (Single-ended primary-inductor converter).
Еще пара неплохих документов по данной топологии. 1, 2.
Схема данного типа преобразователей заметно сложнее и содержит дополнительный конденсатор и дроссель.

Вот по этой схеме я и решил делать
Для примера я решил делать преобразователь, способный давать стабилизированные 12 Вольт при колебаниях входного от 9 до 16 Вольт. Правда мощность преобразователя невелика, так как используется встроенный ключ микросхемы, но решение вполне работоспособно.
Если умощнить схему, поставить дополнительный полевой транзистор, дроссели на больший ток и т.д. то такая схема может помочь решить проблему питания 3,5 дюйма жесткого диска в машине.
Так же, такие преобразователи могут помочь решить проблему получения, ставшего уже популярным, напряжения 3.3 Вольт от одного литиевого аккумулятора в диапазоне 3-4.2 Вольта.
Но для начала превратим условную схему в принципиальную.

После этого превратим ее в трассировку, не будем же мы на монтажной плате все ваять.

Ну дальше я пропущу этапы, описанные в одном из моих обзоров, где я показал, как изготавливать печатную плату.
В итоге получилась небольшая платка, размеры платы 28х22.5, толщина после запайки деталей — 8мм.

Нарыл по дому всяких разных деталек.
Дроссели у меня были в одном из обзоров.
Резисторы всегда есть.
Конденсаторы частично были, а частично выпаял из разных устройств.
Керамический на 10мкФ выпаял из старого жесткого диска (еще они водятся на платах мониторов), алюминиевый SMD взял из старого CD-ROMа.

Спаял платку, получилось вроде аккуратно. Надо было сделать фото на каком нибудь спичечном коробке, но забыл. Размеры платы примерно в 2.5 раза меньше спичечного коробка.

Плата поближе, старался компоновать плату поплотнее, свободного месте не очень много.
Резистор 0.25 Ома образован четырьма по 1 Ом параллельно в 2 этажа.

Ну а дальше результаты проверки.
Фотографий много, потому убрал под спойлер
Проверял в четырех диапазонах, но случайно получилось в пяти, не стал этому противиться, а просто сделал еще одно фото.
У меня не было резистора на 13КОм, пришлось впаять на 12, поэтому на выходе напряжение несколько занижено.
Но так как плату я делал просто для проверки микросхемы (т.е. сама по себе эта плата больше для меня никакой ценности не несет) и написания обзора, то не стал заморачиваться.
В качестве нагрузки была лампа накаливания, ток нагрузки около 225мА
На входе 9 Вольт, на выходе 11.45

На входе 11 Вольт, на выходе 11.44.

На входе 13 вольт, на выходе все те же 11.44

На входе 15 Вольт, на выходе опять 11.44.

После этого думал закончить, но так как в схеме указал диапазон до 16 Вольт, то и проверить решил на 16.
На входе 16.28, на выходе 11.44

Так как я разжился цифровым осциллографом, то решил снять осциллограммы.
Я их так же спрятал под спойлер, так как их довольно много
Я сделал осциллограммы на выходе микросхемы и на выходе БП.
В щупе был включен делитель сигнала на 10.
9 Вольт


11 Вольт


13 Вольт


15 Вольт. Здесь я изменил время развертки, так как не получалось впихнуть весь период в одно окно.


Это конечно игрушка, мощность преобразователя смешная, хотя и полезная.
Но товарищу я подобрал несколько более мощный вариант на Алиэксрессе.
Возможно кому то будет и полезно.

Ссылки по теме.
Повышающе-понижающий DC-DC преобразователь 7..14В / 9В 0,5А
MC34063 sepic
Стабилизатор тока светодиодов на микросхеме МС34063
MC34063A описание, схема подключения.
Калькулятор DC-DC MC34063
Файл печатной платы, схема, даташит. — ссылка.
В общем вот такой получился спонтанный микрообзор микросхемы.
Резюме.
Микросхемы вполне годные, меня устроили, особенно по этой цене.
Надеюсь, что обзор будет полезен. Если есть идеи по доработке, буду рад выслушать.
Наверняка где нибудь накосячил, так как писал без шпаргалок, потому если заметили ошибки, сильно не ругайте.
Хинт по 34063
Многие знают, что так как эта микросхема не является полноценным ШИМ контроллером, а скорее ЧИМ, т.е. у нее частота имеет свойство «плавать» в зависимости от напряжения и нагрузки.
Из-за этого дроссель может неприятно «жужжать».
Избавиться от этого эффекта поможет резистор номиналом 300-680к, подключенный между выводом подключения времязадающего конденсатора и выходом на точку соединения дросселя, диода и силового ключа микросхемы (для схемы Step-Down).
На других топологиях не проверял, но думаю, что тоже поможет.
Вместо котика
А вот так выглядит кристалл 34063 при более детальном рассмотрении в электронный микроскоп.
Но так как микроскоп я еще не купил, то фото из инета.

Перейти в магазин
Сегодня я попробую дополнить предыдущий обзор.
Вообще, данную микросхему можно считать устаревшей, но тем не менее она пользуется заслуженной популярностью. В основном из-за низкой цены. Я их до сих пор иногда использую в своих всяких поделках.
Собственно потому я и решил прикупить себе сотню таких микрух. Обошлись они мне в 4 доллара, сейчас у того же продавца они стоят 3.7 доллара за сотню, это всего 3.7 цента за штуку.
Найти можно и дешевле, но я заказывал их в комплект к другим деталям (обзоры зарядного для литиевого аккумулятора и стабилизатор тока для фонарика). Есть еще четвертый компонент, который я заказал там же, но о нем в другой раз.
Ну я наверное уже утомил длинным вступлением, потому перейду к обзору.
Предупрежу сразу, будет много всяких фото.
Пришло это все в пакетиках, замотанное в ленту из пупырки. Такая себе кучка

Сами микросхемы аккуратно запакованы в пакетик с защелкой, на него наклеена бумажка с наименованием. Написано от руки, но проблемы распознать надпись, думаю не возникнет.
Данные микросхемы производятся разными производителями и маркируются так же по разному.
MC34063
KA34063
UCC34063
И т.д.
Как видно, меняются только первые буквы, цифры остаются неизменными, потому обычно ее называют просто 34063.
Мне достались первые, MC34063.
Фото рядом с такой же микрухой, но другого производителя.
Обозреваемая выделяется более четкой маркировкой.
Что дальше можно обозреть я не знаю, потому перейду ко второй части обзора, познавательной.
DC-DC преобразователи используются во многих местах, сейчас наверное уже тяжело встретить электронное устройство, где их нет.
Существует три основные схемы преобразования, все они описаны в даташите к 34063, а так же в дополнении по ее применению, ну и в еще одном описании.
Все описанные схемы не имеют гальванической развязки. Так же, если вы посмотрите внимательно все три схемы, то заметите, что они очень похожи и отличаются перестановкой местами трех компонентов, дросселя, диода и силового ключа.
Сначала самая распространенная.
Step-down или понижающий ШИМ преобразователь.
Применяется там, где надо понизить напряжение, причем сделать это с максимальным КПД.
Напряжение на входе всегда больше, чем на выходе, обычно минимум на 2-3 Вольта, чем больше разница, тем лучше (в разумных пределах).
При этом ток на входе меньше, чем на выходе.
Такую схемотехнику применяют часто на материнских платах, правда преобразователи там обычно многофазные и с синхронным выпрямлением, но суть остается прежней, Step-Down.
В этой схеме дроссель накапливает энергию при открытом ключе, а после закрытия ключа напряжение на дросселе (за счёт самоиндукции) заряжает выходной конденсатор
Следующая схема применяется немного реже первой.
Ее часто можно встретить в Power-bank, где из напряжения аккумулятора в 3-4.2 Вольта получается стабилизированные 5 Вольт.
При помощи такой схемы можно получить и больше, чем 5 Вольт, но надо учитывать, что чем больше разница напряжений, тем тяжелее работать преобразователю.
Так же есть одна не очень приятная особенность данного решения, выход нельзя отключить «программно». Т.е. аккумулятор всегда подключен к выходу через диод. Так же в случае КЗ ток будет ограничен только внутренним сопротивлением нагрузки и батареи.
Для защиты от этого применяют либо предохранители, либо дополнительный силовой ключ.
Так же как и в прошлый раз, при открытом силовом ключе сначала накапливается энергия в дросселе, после закрытия ключа ток на дросселе меняет свою полярность и суммируясь с напряжением батареи поступает на выход через диод.
Напряжение на выходе такой схемы не может быть ниже напряжения на входе минус падение на диоде.
Ток на входе больше чем на выходе (иногда значительно).
Третья схема применяется довольно редко, но не рассмотреть ее будет неправильно.
Это схема имеет на выходе напряжение обратной полярности, чем на входе.
Называется — инвертирующий преобразователь.
В принципе данная схема может как повышать, так и понижать напряжение относительно входного, но из-за особенностей схемотехники чаще используется только для напряжений больше или равных входному.
Преимущество данной схемотехники — возможность отключения напряжения на выходе при помощи закрытия силового ключа. Это так же умеет делать и первая схема.
Как и в предыдущих схемах, энергия накапливается в дросселе, а после закрытия силового ключа поступает в нагрузку через обратно включенный диод.
Когда я задумывал данный обзор, то не знал, что лучше выбрать для примера.
Были варианты сделать понижающий преобразователь для РоЕ или повышающий для питания светодиода, но как то все это было неинтересно и совсем скучно.
Но несколько дней назад позвонил товарищ и попросил помочь ему с решением одной задачки.
Надо было получить выходное стабилизированное напряжение независимо от того, входно больше или меньше выходного.
Т.е. нужен был повышающе-понижающий преобразователь.
Топология данных преобразователей называется SEPIC (Single-ended primary-inductor converter).
Еще пара неплохих документов по данной топологии. 1, 2.
Схема данного типа преобразователей заметно сложнее и содержит дополнительный конденсатор и дроссель.
Вот по этой схеме я и решил делать
Для примера я решил делать преобразователь, способный давать стабилизированные 12 Вольт при колебаниях входного от 9 до 16 Вольт. Правда мощность преобразователя невелика, так как используется встроенный ключ микросхемы, но решение вполне работоспособно.
Если умощнить схему, поставить дополнительный полевой транзистор, дроссели на больший ток и т.д. то такая схема может помочь решить проблему питания 3,5 дюйма жесткого диска в машине.
Так же, такие преобразователи могут помочь решить проблему получения, ставшего уже популярным, напряжения 3.3 Вольт от одного литиевого аккумулятора в диапазоне 3-4.2 Вольта.
Но для начала превратим условную схему в принципиальную.
После этого превратим ее в трассировку, не будем же мы на монтажной плате все ваять.
Ну дальше я пропущу этапы, описанные в одном из моих обзоров, где я показал, как изготавливать печатную плату.
В итоге получилась небольшая платка, размеры платы 28х22.5, толщина после запайки деталей — 8мм.
Нарыл по дому всяких разных деталек.
Дроссели у меня были в одном из обзоров.
Резисторы всегда есть.
Конденсаторы частично были, а частично выпаял из разных устройств.
Керамический на 10мкФ выпаял из старого жесткого диска (еще они водятся на платах мониторов), алюминиевый SMD взял из старого CD-ROMа.
Спаял платку, получилось вроде аккуратно. Надо было сделать фото на каком нибудь спичечном коробке, но забыл. Размеры платы примерно в 2.5 раза меньше спичечного коробка.
Плата поближе, старался компоновать плату поплотнее, свободного месте не очень много.
Резистор 0.25 Ома образован четырьма по 1 Ом параллельно в 2 этажа.
Ну а дальше результаты проверки.
Фотографий много, потому убрал под спойлер
Проверял в четырех диапазонах, но случайно получилось в пяти, не стал этому противиться, а просто сделал еще одно фото.
У меня не было резистора на 13КОм, пришлось впаять на 12, поэтому на выходе напряжение несколько занижено.
Но так как плату я делал просто для проверки микросхемы (т.е. сама по себе эта плата больше для меня никакой ценности не несет) и написания обзора, то не стал заморачиваться.
В качестве нагрузки была лампа накаливания, ток нагрузки около 225мА
На входе 9 Вольт, на выходе 11.45
На входе 11 Вольт, на выходе 11.44.
На входе 13 вольт, на выходе все те же 11.44
На входе 15 Вольт, на выходе опять 11.44.

После этого думал закончить, но так как в схеме указал диапазон до 16 Вольт, то и проверить решил на 16.
На входе 16.28, на выходе 11.44
Так как я разжился цифровым осциллографом, то решил снять осциллограммы.
Я их так же спрятал под спойлер, так как их довольно много
Я сделал осциллограммы на выходе микросхемы и на выходе БП.
В щупе был включен делитель сигнала на 10.
9 Вольт
11 Вольт
13 Вольт
15 Вольт. Здесь я изменил время развертки, так как не получалось впихнуть весь период в одно окно.
Это конечно игрушка, мощность преобразователя смешная, хотя и полезная.
Но товарищу я подобрал несколько более мощный вариант на Алиэксрессе.
Возможно кому то будет и полезно.
Ссылки по теме.
Повышающе-понижающий DC-DC преобразователь 7..14В / 9В 0,5А
MC34063 sepic
Стабилизатор тока светодиодов на микросхеме МС34063
MC34063A описание, схема подключения.
Калькулятор DC-DC MC34063
Файл печатной платы, схема, даташит. — ссылка.
В общем вот такой получился спонтанный микрообзор микросхемы.
Резюме.
Микросхемы вполне годные, меня устроили, особенно по этой цене.
Надеюсь, что обзор будет полезен. Если есть идеи по доработке, буду рад выслушать.
Наверняка где нибудь накосячил, так как писал без шпаргалок, потому если заметили ошибки, сильно не ругайте.
Хинт по 34063
Многие знают, что так как эта микросхема не является полноценным ШИМ контроллером, а скорее ЧИМ, т.е. у нее частота имеет свойство «плавать» в зависимости от напряжения и нагрузки.
Из-за этого дроссель может неприятно «жужжать».
Избавиться от этого эффекта поможет резистор номиналом 300-680к, подключенный между выводом подключения времязадающего конденсатора и выходом на точку соединения дросселя, диода и силового ключа микросхемы (для схемы Step-Down).
На других топологиях не проверял, но думаю, что тоже поможет.
Вместо котика
А вот так выглядит кристалл 34063 при более детальном рассмотрении в электронный микроскоп.
Но так как микроскоп я еще не купил, то фото из инета.
Перейти в магазин
