Захотелось как то добавить в спальню телевизор. Обычный человек в такой ситуации идет в магазин и покупает новый телевизор. Но мне это было неинтересно и слишком просто, потому я решил сделать телевизор сам, ну почти сделать 
Так получилось, что нашелся дома старенький монитор Самсунг. Но так как мониторы обычно ТВ каналы сами по себе не умеют показывать, то решено было заказать к нему небольшую платку, которая превратит его в телевизор.
Кроме того это решение было еще вызвано тем, что у монитора была небольшая «болезнь», вертикальные полосы, которые иногда проявлялись, а иногда нет. Я грешил на плату VGA-LVDS, потому и решил заменить ее, но хотелось при этом получить больше, чем просто исправный VGA вход.
В общем плата заказана, получена, почтовый конверт распакован. Внутри в антистатическом пакете лежала героиня данного обзора.

Плата изготовлена вполне аккуратно, никаких повреждений я не обнаружил, один конденсатор был немного приподнят над платой (вернее запаян не впритык к плате), но это уже придирки.
Есть несколько пустых мест под компоненты, но на работоспособности устройства это никак не сказалось.

Плата двухслойная, монтаж односторонний, на обратной стороне компоненты отсутствуют, почти все разъемы расписаны, но о них я еще напишу позже.
Флюс смыт, все аккуратно.

Так же в комплекте дали пульт, ничего необычного, пульт как пульт, аккуратный, легкий.
Могут смутить надписи на китайском, но на самом деле это никак не напрягает, большинство кнопок интуитивно понятно, остальные в жизни мне не нужны.
Пульт упакован в прозрачный пакет.

В пакете с пультом был и фотоприемник. Дело в том, что если покупать к этому набору плату клавиатуры и фото приемника, то он не будет не ней впаян, предполагается, что фотоприемник без платы применить можно, а если покупается дополнительная плата, то фотоприемник уже есть.

Пульт питается стандартно, от двух ААА батареек (бывает и от одной и от АА).
Батарейки в комплекте не идут, купил отдельно самые недорогие.

Более детальное описание платы
В качестве «сердца» данной платы применен микропроцессор TSUMV29LU, отдельный даташит на него мне не попался.
Этот микропроцессор не умеет играть видео с флешки, но мне надо было только телевизор.
Дома есть маленький телевизор, который это умеет, за последние 7 лет мне потребовалась эта функция только один раз.

Микросхема флеш памяти 25L8006 емкостью 8Мб или 1МБ.
Чуть правее и ниже стоит транзистор, который коммутирует питание на матрицу.

В качестве усилителя аудиоканала применена неизвестная мне микросхема CS37AD2ABQ, подозреваю что аналог какой то более известной микросхемы, но какой именно, неизвестно.
В описании платы заявлена максимальная мощность в 2.3 Ватта на канал. Вполне верится.
Питается усилитель от 5 Вольт, судя по отдаваемой мощности — D класса.

Разъем питания 5.5/2.1, рядом расположен разъем для подключения к основной плате питания и инвертора монитора. Так же здесь расположен преобразователь питания 12--5 Вольт, видно ШИМ контроллер и силовой дроссель.

На плате расположен и дополнительный стабилизатор напряжения, формирующий 3.3 Вольт, собран на LM1084. LowDrop 5А.
Рядом с ним расположен джампер, который переключает питания матрицы на 5 Вольт или 3.3 (есть два варианта, 5 В более распространен), изначально установлен на 5 Вольт, будьте внимательны!
Так же выше виден еще один ШИМ стабилизатор, назначение непонятно, предположительно — питание цифровой части микропроцессора.

Еще один линейный стабилизатор, подозреваю, что питает аналоговую часть процессора.

ВЧ модуль платы. насколько я знаю, существует в двух вариантах, корпусном и бескорпусном.
судя по информации из инета, корпусной имеет маркировку HERE29, бескорпусной — HERE R84029
Для тюнеров есть прошивки под разные разрешения матрицы, но прошивки при этом существуют и под два варианта ВЧ модуля, в конце я дам ссылку на те, что соответствую данному модулю.
На ВЧ модуле красуется наклейка производителя MaiTech.

Остановимся на описании платы.
Для начала, что она умеет.
Диапазон частот — 48.25MHz -863.25MHz
Система цвета — PAL/SECAM/NTSC
Система звука — B/G, D/K, l, M/N, NICAM/A2,BTSC
Количество каналов — 200
Телетекст — 10 страниц (чип 39 — 10 страниц, чип 59- 1000 страниц), хотя врядли он кому то сейчас нужен.
Входной формат видеосигнала (VGA, HDMI) — до 1920 ×1080@60Hz
Поддерживаемые видеоразрешения — 480i,480p,576i,576p,720p,1080i,1080p
Выходная мощность усилителя звука — 2x2.3 W(40) 1HD+N<10%@1KHz
Напряжение питания — 12V (опционально 5 Вольт, об этом позже)
Напряжение питания матрицы — 3.3V,5V, 12V
Назначение разъемов на фото.
Входные разъемы:
Питание 12 Вольт
Вход VGA
Вход HDMI
Вход композитного видео и стереозвука.
Вход звука при использовании ТВ как компьютерного монитора
Выход на наушники
Вход USB. (в этом тюнере используется только для обновления прошивки).
Вход для подключения антенны или кабельного.
Так же на плате установлены разъемы:
6 контактов — питание инвертора подсветки, управление включением подсветки, управление яркостью.
14 контактов — подключение ИК приемника, светодиода индикации режима работы и клавиатуры.
30 контактов — выход LVDS сигнала и питания матрицы.
4 контакта — выход для подключения динамиков.
На плате есть еще два джампера.
2 контакта — переключение питания платы на 5 Вольт, при установке этого джампера соединяется 12 Вольт вход и 5 Вольт выход. Зачем, расскажу в применении.
3 контакта — переключение напряжения питания матрицы 5 или 3.3 Вольта.
Дополнение — Джампер ставится один, просто в моем варианте совпало что матрица питается от 5 Вольт и на плату я подавал 5 Вольт.
Если надо 12 Вольт на матрицу, то джампер переставляется на двухконтактную часть.
но такие матрицы попадаются очень редко.
Если планируется подавать 5 вольт на питание самой платы, то проще подать на вывод силового дросселя, находящийся ближе к углу платы.

Размеры платы.

Список поддерживаемых разрешений матриц, прошивки под которые есть (по крайней мере заявлены). В основном стандартные разрешения, но есть и такие, которые я вижу впервые.
Кроме того есть прошивки под клавиатуру 5 и 7 кнопок и под разные модели матриц и рабочие напряжения (хотя насколько я понял, напряжение выбирается джампером).
Разрешение матриц
640X480
800X600
852X480
960X540
1024X502
1024X768
1152X768
1280X720
1280X768
1280X800
1280X854
1280X960
1280X1024
1366X256
1366X768
1400X1050
1440X900
1600X900
1600X1200
1680X945
1680X1050
1920X1080
1920X1200
2048X1152
Ну как все понимают, плату саму по себе проверить очень тяжело, а в домашних условиях почти невозможно.
Потому переходим к тому, зачем и куда мне все это понадобилось.
Переделка монитора
Переделывать я буду один из очень распространенных мониторов Самсунг

Модель монитора 920NW. Выпущен очень давно, почти 7 лет назад, пережил замену конденсаторов, вторая замена ему уже не помогла.

При помощи специально обученного скальпеля (обычный скальпель, но тупой) снимаем заднюю крышку, она крепится при помощи защелок. Бывают комбинированные варианты винты + защелки. стоит отметить, что мониторы Самсунг разбираются куда лучше, чем например LG.
Кроме того в LG я часто встречал крепление блока электроники на скотче, жуть.

Плату VGA-LVDS отвинчиваем, отключаем разъем клавиатуры и связи с платой блока питания и инвертора.
Часть с платой инвертора откладываем в сторону.

В данной модели монитора плата соединяется с матрицей при помощи плоского шлейфа, к тому же очень короткого.

Меня такое подключение очень расстроило, данный монитор я разбирал очень давно и очень рассчитывал, что подключение будет проводами и более удобным разъемом. Например как в этом, недавно разобранном мониторе.

Шлейф представляет собой плоскую и гибкую конструкцию, паяться к нему очень неудобно.

А вот и старая плата, собрана на процессоре той же фирмы, что и обозреваемая плата.
Я уже писал, что в ней есть дефект. Проще было заменить плату на такую же, но она тоже стоит денег, а функционал не увеличивает. Т.е. родная плата стоит дорого, а под недорогой аналог (есть такие платки) надо все равно переделывать шлейф к матрице, так зачем себя ограничивать.
На вид она выглядит похуже, даже странно, Самсунг вроде приличная фирма.

Для дальнейшей работы я советую поискать даташит на матрицу, в нем обычно указывается напряжение питания и сколько линий LVDS интерфейса использует матрица, а так же может быть расположение контактов в разъеме. А возможно поможет и в подборе прошивки.
У меня матрица M90A1-L02-X.

Здесь стоит сделать небольшое отступление о интерфейсе LVDS.
Придуман он был очень давно и применяться может не только в мониторах. Просто в мониторах он получил большое распространение для соединения матрицы с процессором обработки сигналов. Но бывает и другой интерфейс — TMDS, но применяется он несколько реже (насколько мне известно).
Если кому то интересно почитать подробную информацию об этих интерфейсах, то есть пара ссылок — LVDS, TMDS.
Я же попробую объяснить попроще.
Интерфейс представляет из себя 10 линий дифференциальных каналов передачи данных.
Проще говоря 10 пар проводов. Лучше есть эти пары свиты между собой.
Не всегда матрице нужны все 10 линий, иногда матрицы с более низкими разрешениями требуют меньше линий.
Например матрицы с разрешением 1024х768 могут соединяться всего четырьмя парами проводов (ODD0, ODD1, ODD2, ODD Clock), 1280x800 пятью (ODD 0, ODD1, ODD2, ODD Clock, ODD3), матрицы с разрешением 1280x1024 и более обычно используют все 10 линий (ODD1, ODD1, ODD2, ODD Clock, ODD3, EVEN0, EVEN1, EVEN2, EVEN Clock, EVEN3).
Опять я отвлекся.
В общем при переделке я поставил себе задачей максимально использовать то, что есть под рукой, хотя сначала была мысль взять необходимые кабели у товарища, который занимается ремонтом мониторов. Таким образом рассказать, как можно максимально сэкономить при переделке.
Паяться я решил прямо к плате матрицы, на фото видно подписанные контакты.

Для соединения я свил необходимое количество пар из провода МГТФ, 10 сигнальных пар и две пары под питание матрицы. Так же попутно сделал кабели для подключения кнопок, фотоприемника и соединения с платой инвертора.
Длину я сделал 20см, лучше делать больше, например 26см, как продают комплекты готовых кабелей.

Пары припаял, выглядит вполне аккуратно
Что бы пластиковая пленка не мешала, я отогнул ее и зафиксировал кусочками изоленты, скотч лучше не использовать, так как он может оставить следы на рамке монитора.

Паять надо аккуратно, площадки очень маленькие, но нет ничего невозможного для человека с руками, особенно если в них есть паяльник
)))

Теперь припаиваем ответную сторону, т.е. разъем, которым матрица будет подключаться к плате тюнера.
На плате нет распиновки контактов, но я нашел вариант, где она есть, контакты распаиваются очень удобно, парами, причем все сигнальные + с одной стороны, а минусы с другой.
Можно перед пайкой прозвонить провода и пометить маркером, паять будет удобнее.

Если еще проще, то есть табличка, первый контакт разъема помечен квадратным пятачком.
Здесь обозначения контактов более понятные
1 LCD-VDD Power for Panel
2 LCD-VDD Power for Panel
3 NC
4 NC
5 GND Ground
6 GND Ground
7 RXO0- LVDS ODD 0 — Signal
8 RXO0+ LVDS ODD 0 + Signal
9 RXO1- LVDS ODD 1 — Signal
10 RXO1+ LVDS ODD 1 + Signal
11 RXO2- LVDS ODD 2 — Signal
12 RXO2+ LVDS ODD 2 + Signal
13 GND Ground
14 GND Ground
15 RXOC- LVDS ODD Clock — Signal
16 RXOC+ LVDS ODD Clock + Signal
17 RXO3- LVDS ODD 3 — Signal
18 RXO3+ LVDS ODD 3 + Signal
19 RXE0- LVDS EVEN 0 — Signal
20 RXE0+ LVDS EVEN 0 + Signal
21 RXE1- LVDS EVEN 1 — Signal
22 RXE1+ LVDS EVEN 1 + Signal
23 RXE2- LVDS EVEN 2 — Signal
24 RXE2+ LVDS EVEN 2 + Signal
25 GND Ground
26 GND Ground
27 RXEC- LVDS EVEN Clock — Signal
28 RXEC+ LVDS EVEN Clock + Signal
29 RXE3- LVDS EVEN 3 — Signal
30 RXE3+ LVDS EVEN 3 + Signal
Для подключения я купил пару разъемов, 2х15 для подключения к матрице и 1х40 для всех остальных соединений. Шаг контактов 2мм.

Распаиваем сигнальные провода, советую как минимум один ряд изолировать термоусадкой, контакты на разъеме довольно мягкие и если потянуть за кабель, то могут замкнуться.
Сгореть скорее всего ничего не сгорит, но проблем доставит.

Дальше я перешел к монтажу электроники в корпус.
Сначала вырвал мешающую мне стойку, раньше она держала плату VGA-LVDS.

После этого перешел к переделке платы блока питания и инвертора. Кстати плата попалась еще и с местом для установки усилителя, не знал, что эти мониторы бывали с динамиками.
Выпаял входной дроссель, диодный мост и конденсатор.

После этого взял большие брутальные ножницы и отрезал кусок платы. Естественно предварительно посмотрев, что бы не отрезать ничего лишнего.
Из отрезанного куска вырезал платку, где раньше стояли выпаянные компоненты, впаял обратно.

После этого разметил где буду сверлить отверстия в задней (нижней) стенке для установки новой платы. Часть сверлилась конусным сверлом, часть обычным, потом дорабатывалась надфилем.
Пожалуй самый тяжелый и нудный этап переделки.

Для установки платы я купил на рынке монтажные стойки длиной 20мм с резьбой М3.
Так же я купил пару динамиков 1 Вт 8 Ом и выключатель питания.
Выключатель питания мне в итоге так и не пригодился, так как его некуда было ставить, по крайней мере так, что бы это было безопасно, в итоге решил от него отказаться.

Первая примерка, теперь понятно, зачем я отрезал кусок платы
Хотел сначала объяснить, но потом понял, что проще показать.

А вот с задней панелью были проблемы. Уже когда вырезал почти все отверстия, то понял, что после установки платы, пластмассовая часть корпуса перекроет доступ к разъемам.
Пришлось поднять все отверстия (ну или опустить плату, как посмотреть) на 7мм, дальше смещать уже было некуда, ВЧ модуль уперся в корпус. Хотя можно было сместить немного плату и выиграть еще 2-3мм, даже можно поставить плату немного под наклоном, что бы было удобнее подключать разъемы.
В любом случае чем выше (относительно фотографии) стоит плата, тем лучше.
Отверстия под монтажные стойки надо раззенковать, и использовать винты с потайной шляпкой.

А вот здесь небольшое пояснение про питание платы.
Изначально плата рассчитана под то, что она будет питаться от разъема питания 5.5/2.1, а дальше от нее питание будет идти на плату инвертора.
В моем варианте плата питалась от платы инвертора монитора.
Но обычно блок питания выдает два напряжения, 5 и 12(13 -15) Вольт, и родная плата питается при этом от 5 Вольт.
Плату можно было запитать от 12, но при этом возможен «перекос» блока питания, что нежелательно. Кроме того на родной разъем выведено 5, а значит надо делать перемычку, резать дорожки и т.п.
На плате ТВ тюнера есть перемычка (почему то не описанная в мануале), при установке которой 12 Вольт входные замыкаются на 5 Вольт выходных.
Т.е. плата становится полностью пятивольтовой.
Меня этот вариант полностью устроил, за исключением того, что после этого на родном разъеме питания будет присутствовать 5 Вольт, что бы не спалить родной блок питания (ну и плату при подаче 12 Вольт на родной разъем) я на центральный контакт разъема одел кусочек термоусадки, так как пользоваться этим разъемом больше не планировал.
Дополнение/исправление — Джампер ставится один, просто в моем варианте совпало что матрица питается от 5 Вольт и на плату я подавал 5 Вольт.
Если надо 12 Вольт на матрицу, то джампер переставляется на двухконтактную часть.
но такие матрицы попадаются очень редко.
Если планируется подавать 5 вольт на питание самой платы, то проще подать на вывод силового дросселя, находящийся ближе к углу платы.

После этого я из разъема 1х40 нарезал маленькие разъемы на необходимые количества контактов. Можно было сразу купить разъемы с нужным количеством контактов, но это немного дороже, да и не всегда в наличии есть подходящие разъемы.

Вообще, к этой плате продается комплект, состоящий из платы фотоприемника и платы клавиатуры.
Но в целях сохранения родного дизайна монитора я решил использовать старую клавиатуру, а плата фотоприемника вообще у меня не влезла бы. Но если не хотите паять, то можно купить такой комплект.

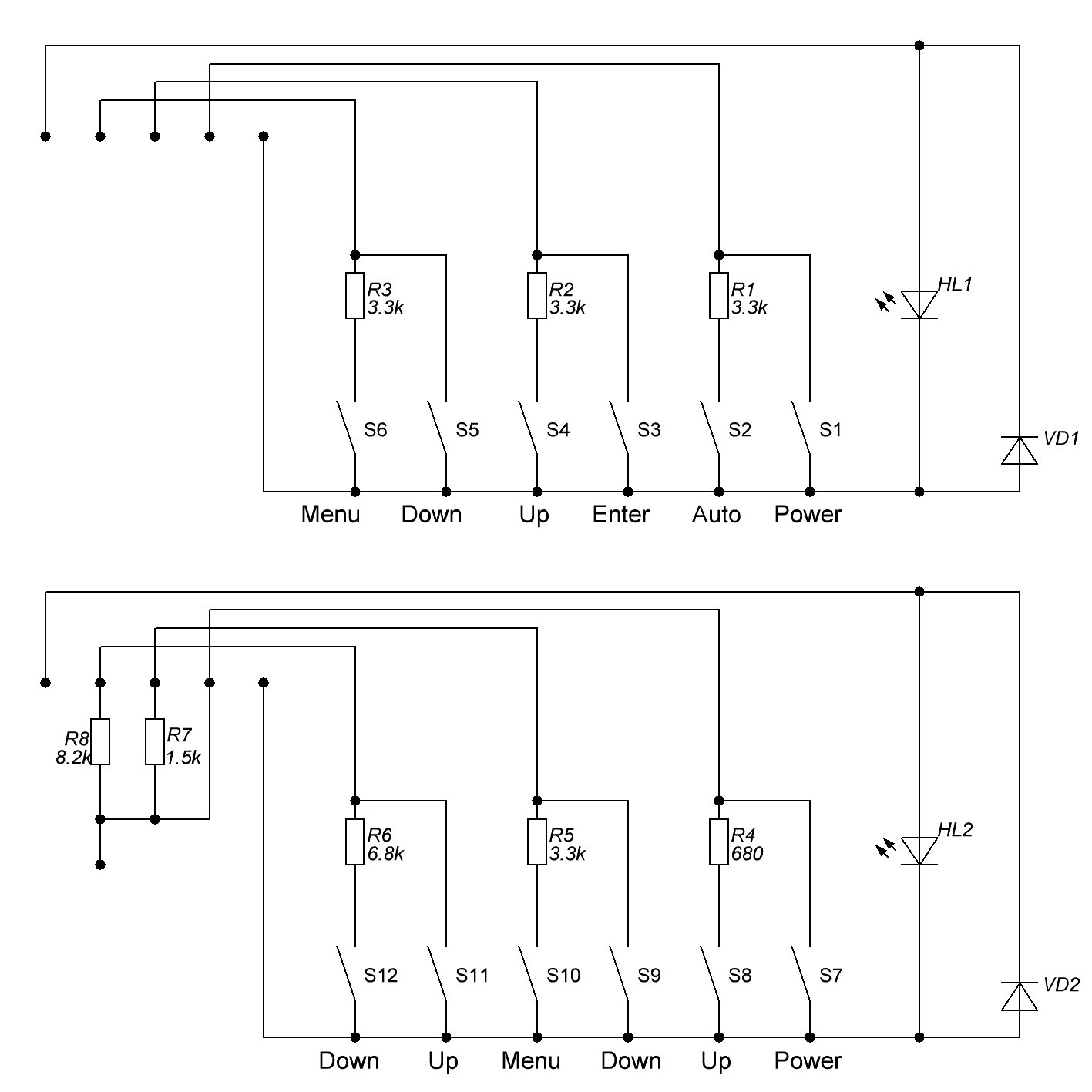
В родной инструкции приведена схема подключения семи кнопок (соответственно используем прошивки под 7 кнопок). при этом каждая кнопка подключается отдельным проводом.

Меня такой вариант подключения ну никак не устраивал, так как требовал кучи проводов и адаптации родной платы.
Но плата ТВ тюнера может управляться и по одному проводу, путем изменения сопротивления в цепи кнопок, в этом случае все управление происходит через контакт К0.
k0 0 on/off
k1 680 V+
k2 1.5k V-
k3 2.7k source
k4 4.7k menu
k5 8.2k ch+
k6 15k ch-
k7 38k reserved
Родная плата монитора была сделана примерно по тому же принципу, но кнопки были разбиты на три группы.
Вверху родная схема, внизу доработанный вариант, где не надо резать никаких дорожек.
К сожалению у меня не получилось сохранить родное расположение кнопок, так как кнопка Меню монитора расположена первой и без глубокой переделки ее туда перенести никак не получалось.
В итоге у меня вышло — канал минус, канал плюс, меню, громкость минус, громкость плюс, питание.
К плате клавиатуры идет всего три провода, общий, кнопки, светодиод.

А вот так все это выглядит на родной плате монитора.
Добавляется всего три резистора, 680 Ом, 8.2к и 1.5к. у меня добавлено больше, так как я потерял выпаянный родной резистор на 3.3к. Этих резисторов выпаивается два, и если их поставить последовательно, то получим 6.6к, что близко к необходимым 6.8к. А так как один резистор я потерял, то пришлось колхозить из других.
Светодиод я использовал родной, подпаял так, что бы в дежурном режиме он светил, а в рабочем был выключен, посчитал, что так будет удобно. Зачем светить если включен экран и так видно, что телевизор работает.

Фотоприемник я подключал без всяких плат, так как старался все делать так, что бы докупать минимум вещей. Для подключения фотоприемника необходима пара керамических конденсаторов 2.2-10мкФ и диод. Обычно ставят резистор, но здесь почему то производитель советует ставить диод, ну советует и советует, поставил диод, работает отлично.
Кстати, фотоприемник питается от контакта 5 Вольт, разъема для подключения клавиатуры и т.п… Не рекомендую оттуда ничего больше питать, так как этот вывод хоть и помечен как 5 Вольт, на самом дела он подключен через токоограничивающий резистор.
Выше видно размеры резистора, которые пришлось выпаивать с родной платы клавиатуры, размер около 1х2мм. Так что перед пайкой пить не советую
))

Ну вот монитор начинает приобретать какие то очертания.
Когда будете устанавливать монтажные стойки, то между стойкой и шасси монитора надо поставить шайбы толщиной около 1-1.5мм и диаметром отверстия 4-4.5мм.
Дело в том, что винты с потайной головкой, а металл шасси очень тонкий, и если не поставить шайбу, то можете тянуть хоть до сворачивания винта, но держать он не будет, так как раньше упрется в стойку, чем притянет что нибудь.
Плату с фильтром питания, диодным мостом и конденсатором я так же установил на стойки.
Разъем для подключения динамиков я немного выпаял и поставил под углом 90 градусов к плате, иначе не влазил разъем от динамиков.

Дальше я попробовал запустить монитор, но меня ждал большой облом. инвертор не хотел запускаться. Я бы грешил на его неисправность, но перед переделкой я его проверил и он был точно исправен. При включении экран немного один раз моргал и дальше изображение можно было видеть только с фонариком.
В итоге, после кучи экспериментов, я подключил старую плату, все работает.
Переключил контакт управления включением на новую плату, работает.
Выяснил, что на контакте управления яркостью нет напряжения, хотя должно быть в диапазоне 0-3.3 Вольта.
Поставил подтяжку этого выхода платы к 3.3 Вольта (они есть на плате ТВ тюнера), все заработало отлично. Подозреваю. что разработчики платы рассчитывали, что эта подтяжка будет на плате монитора.

Первое удачное включение. Вернее это второе включение, первое было еще без подсветки, когда я проверял работоспособность платы и правильность подключения LVDS интерфейса.
Видно, что размер изображения не соответствует матрице, так как перепрошивка возможна без разборки монитора, то я решил заняться этими экспериментами уже после окончательной сборки.
Не смотрите на качество изображения, вместо антенны кусок провода.

Можно сказать, что внутренние работы почти закончены, не скажу, что получилось красиво, можно было сделать лучше, но меня устроило и так.
Фотоприемник никак не закреплен ( по центру пластмассовой рамки видно отверстие), так как он хорошо прижат матрицей к пластмассовой рамке.
Держится очень крепко.

После этого я отложил в сторону матрицу с электроникой и взялся за заднюю крышку.
Я купил динамики диаметром 50мм и толщиной около 7мм (если не путаю).
Что бы сделать аккуратные отверстия я распечатал шаблоны для сверления, очень помогло.
Сначала сверлил сверлом 1.5мм, потом рассверливал до диаметра 4.5мм.

Динамики приклеил термоклеем.
Мощность динамиков 1 Ватт, сопротивление 8 Ом, когда купил, то волновался, что будет тихий звук, так как питание усилителя всего 5 Вольт, я ошибался, звук довольно громкий.

Дополнительные затраты на переделку.
Динамики 2шт — 1.1
Стойки = винты 6шт — 0.37
Разъемы 2шт — 0.3
Детали (4 резистора, 2 конденсатора и диод) — 0.15
Провод МГТФ 7м — цену не знаю, пусть будет около 0.5
Итого — 2.42 доллара.
Первое включение после сборки и перепрошивки.
Для перепрошивки рекомендуют при включении удерживать кнопку Меню, на самом деле можно удерживать любую кнопку, даже вообще ничего не удерживать, а просто вставить флешку с прошивкой и включить питание. Перепрошивка занимает около 30 секунд.
После прошивки меню монитора будет на китайском, но переключение на русский проблем не вызывает.
Нажимаем Меню, потом два раза вправо (меню с шестеренкой), потом вниз (выделяется первая строка), дальше кнопка влево или вправо выбираем необходимый язык.
Русификация довольно условная, часть на русском, часть на английском, но это лучше, чем на китайском.
Я не буду останавливаться на пунктах меню, они похожи у всех недорогих телевизоров и обычно вопросов не вызывают.

А вот на инженерном меню я немного задержусь.
С самого начала меня раздражали две вещи. Автовключение телевизора после подачи питания и слишком резкое изменение громкости при регулировке.
В интернете я нашел информацию, как перейти в инженерное меню.
В рабочем режиме нажимаем Меню, потом набираем код 1147.
Попадаем сюда —

Здесь куда больше «вкусного» чем в основном меню.
Сразу нашел пункт автовключения. Я понимал, что он должен быть и искал его в основном меню, но программисты вынесли его в инженерное.
Есть три варианта — включен, последнее состояние, выключен.
Я выбрал режим — последнее состояние.

Так же нашел меню, где можно настроить крутизну регулировки громкости.
Правда еще не экспериментировал, но не думаю, что это составит большую проблему.
Настраивается уровень громкости при разных положениях регулировки 0-10-20% и т.п.

Вот с переделкой и все. Спереди показывать нечего, так как там на вид ничего не менялось, все изменения происходили сзади

Панель разъемов поближе. Конечно видно, что отверстия могли бы быть и получше, да и фальшпанель не помешала бы, но я решил остановиться на том, как это выглядит сейчас.
На светлой передней рамке, в центре, видно отверстие для фотоприемника. Это единственное изменение передней панели. Пускай вас не смущает то, что фотоприемник смотрит не вперед, а вниз, работает все отлично.

Ну и собственно что из всего этого получилось в итоге
По техзаданию установить телевизор надо было в спальне.
Для этого в планируемом месте, еще во время ремонта, были заложены две розетки, электрическая и антенная.
Вот они и дождались своего часа.

Для установки телевизора был куплен кронштейн. покупался в местном интернет магазине, цена около 11 долларов.

Для закрепления телевизора к кронштейну я использовал винты, входящие в комплект.
Прикрепил я для того, что бы примерить, где лучше располагать кронштейн на стене.

После этого я примерил кронштейн уже без телевизора.

Разметил маркером два отверстия. Делать все это несложно, все работы, вплоть до параллельного фотографирования процесса можно проделать одному.

Если для крепления телевизора к кронштейну я использовал родные винты, то шурупы и пробки, входящие в комплект лучше не использовать. Глядя на соотношение шурупов и пробок, которые дали в комплекте, мне всегда интересно, что курили те, кто их комплектовал.
Вверху то, что использовал я. Когда подбираете пробки и шурупы (анкеры), то выбирайте длину шурупа так, что бы он был чуть длиннее пробки. попутно я взял пару шайб.

Дальше я достал из кладовки джентельменский набор монтажника под названием «юный строитель», ну или «друг соседей», кому как нравится.

Что бы меньше мусорить, я использую очень простое и дешевое решение, пакет и малярный скотч. Как его применить, хорошо понятно по фото. Скажу лишь, что для каждого отверстия пакет должен быть сразу под планируемым отверстием. Т.е. просверлили отверстие, перевесили пакет к следующему.

Пробки имеют размер 10х60, я соответственно взял бур 10мм и сделал отметку изолентой по длине шурупа + небольшой запас.

Отверстия просверлены, пробки забиты, на мой взгляд вроде аккуратно.

При том, что отверстия довольно глубокие, мусора нападало совсем немного, его можно легко убрать влажной тряпкой.
Это к тому, что работа перфоратором еще не означает, что будет много грязи.

Весь мусор остался в пакете. Но надо без фанатизма, если бурить много отверстий, то пакеты надо менять, так как со временем скотч ослабевает и пакет тяжелеет, потому можно получить обратный результат.

Кронштейн закреплен, ради интереса пробовал повиснуть на нем, он этого даже не заметил, хотя вешу я около 90кг

Дальше я перешел к подключению.
Для этого я взял пару антенных разъемов и накруток к ним.
Накрутки бывают под разные диаметры кабеля, у меня кабель не самый толстый, потому я взял средние. Если взять совсем маленькие, то накрутка перережет жилы оплетки, если большую, то будет болтаться.

А вот собственно и комплект, который я использовал.
Кабель я взял очень мягкий, так как гнуть за телевизором какой нибудь CommScope мне совсем не хотелось.

Нашел в запасах неплохой кабель питания, получился такой комплектик.
Жалко, что нет сетевого кабеля покороче. При монтаже телевизоров вечная проблема, куда деть лишний кабель.

Как я писал, все необходимые кабели я заложил еще во время ремонта.
В квартире есть место, где все они сходятся вместе, туда выведены и кабели от всех 5 точек для телевизоров и кабель на площадку для кабельного и для эфирной антенны и в планируемое место установки спутниковой антенны.
Для деления этого сигнала использован делитель типа такого как на фото, только более новый и с большим количеством отводов.

После подготовительных работ привинчиваем телевизор к установленному кронштейну.
Для этого удобно использовать короткую отвертку, я ее держу специально для таких случаев.

Повесил телевизор, подключил все кабели и почти аккуратно уложил их за телевизором.

Все, работу можно считать законченной. Жена осталась очень довольна и качеством изображения и удобством использования и аккуратным общим внешним видом.
Что не может не радовать

Резюме.
Плюсы
Плата пришла в нормальном состоянии, без повреждений и дефектов.
Устройство полностью работает.
Без проблем перешивается под матрицы с другим разрешением.
Плата действительно универсальная.
Минусы.
Я не обнаружил.
Мое мнение. Вполне годная плата для модернизации старого ЖК монитора. В данной модели нет возможности проигрывания видеофайлов, но мне она и не нужна. Вот чего хотелось бы, так это возможности принимать цифровое ТВ, но такой вариант мне пока не попадался.
Понравилась продуманность и простота конструкции, ничего лишнего, но в то же время все есть для относительно простой переделки монитора в телевизор.
Главное что бы была матрица и корпус, блок питания можно применить любой 12 Вольт, инвертор продается отдельно, можно даже лампы заменить на светодиоды.
ТВ тюнер был предоставлен для тестирования и обзора магазином tmart.
Надеюсь, что этот обзор будет полезным, я старался собрать всю информацию вместе и показать, что переделать монитор в телевизор довольно просто. А с учетом текущей ситуации еще и экономно.
Дополнительные материалы
Для начала несколько ссылок на странички, из которых я брал информацию.
Раз, два, три.
Мануал на плату.
Ну и подготовленные мною материалы.
Прошивки под разные матрицы и разное разрешение матриц — скачать.
Разные всякие даташиты и картинки + прошивка флеш (для восстановления в случае невозможности прошивки через USB) — скачать.
Перейти в магазин

Так получилось, что нашелся дома старенький монитор Самсунг. Но так как мониторы обычно ТВ каналы сами по себе не умеют показывать, то решено было заказать к нему небольшую платку, которая превратит его в телевизор.
Кроме того это решение было еще вызвано тем, что у монитора была небольшая «болезнь», вертикальные полосы, которые иногда проявлялись, а иногда нет. Я грешил на плату VGA-LVDS, потому и решил заменить ее, но хотелось при этом получить больше, чем просто исправный VGA вход.
В общем плата заказана, получена, почтовый конверт распакован. Внутри в антистатическом пакете лежала героиня данного обзора.
Плата изготовлена вполне аккуратно, никаких повреждений я не обнаружил, один конденсатор был немного приподнят над платой (вернее запаян не впритык к плате), но это уже придирки.
Есть несколько пустых мест под компоненты, но на работоспособности устройства это никак не сказалось.
Плата двухслойная, монтаж односторонний, на обратной стороне компоненты отсутствуют, почти все разъемы расписаны, но о них я еще напишу позже.
Флюс смыт, все аккуратно.
Так же в комплекте дали пульт, ничего необычного, пульт как пульт, аккуратный, легкий.
Могут смутить надписи на китайском, но на самом деле это никак не напрягает, большинство кнопок интуитивно понятно, остальные в жизни мне не нужны.
Пульт упакован в прозрачный пакет.
В пакете с пультом был и фотоприемник. Дело в том, что если покупать к этому набору плату клавиатуры и фото приемника, то он не будет не ней впаян, предполагается, что фотоприемник без платы применить можно, а если покупается дополнительная плата, то фотоприемник уже есть.
Пульт питается стандартно, от двух ААА батареек (бывает и от одной и от АА).
Батарейки в комплекте не идут, купил отдельно самые недорогие.
Более детальное описание платы
В качестве «сердца» данной платы применен микропроцессор TSUMV29LU, отдельный даташит на него мне не попался.
Этот микропроцессор не умеет играть видео с флешки, но мне надо было только телевизор.
Дома есть маленький телевизор, который это умеет, за последние 7 лет мне потребовалась эта функция только один раз.
Микросхема флеш памяти 25L8006 емкостью 8Мб или 1МБ.
Чуть правее и ниже стоит транзистор, который коммутирует питание на матрицу.
В качестве усилителя аудиоканала применена неизвестная мне микросхема CS37AD2ABQ, подозреваю что аналог какой то более известной микросхемы, но какой именно, неизвестно.
В описании платы заявлена максимальная мощность в 2.3 Ватта на канал. Вполне верится.
Питается усилитель от 5 Вольт, судя по отдаваемой мощности — D класса.
Разъем питания 5.5/2.1, рядом расположен разъем для подключения к основной плате питания и инвертора монитора. Так же здесь расположен преобразователь питания 12--5 Вольт, видно ШИМ контроллер и силовой дроссель.
На плате расположен и дополнительный стабилизатор напряжения, формирующий 3.3 Вольт, собран на LM1084. LowDrop 5А.
Рядом с ним расположен джампер, который переключает питания матрицы на 5 Вольт или 3.3 (есть два варианта, 5 В более распространен), изначально установлен на 5 Вольт, будьте внимательны!
Так же выше виден еще один ШИМ стабилизатор, назначение непонятно, предположительно — питание цифровой части микропроцессора.
Еще один линейный стабилизатор, подозреваю, что питает аналоговую часть процессора.
ВЧ модуль платы. насколько я знаю, существует в двух вариантах, корпусном и бескорпусном.
судя по информации из инета, корпусной имеет маркировку HERE29, бескорпусной — HERE R84029
Для тюнеров есть прошивки под разные разрешения матрицы, но прошивки при этом существуют и под два варианта ВЧ модуля, в конце я дам ссылку на те, что соответствую данному модулю.
На ВЧ модуле красуется наклейка производителя MaiTech.
Остановимся на описании платы.
Для начала, что она умеет.
Диапазон частот — 48.25MHz -863.25MHz
Система цвета — PAL/SECAM/NTSC
Система звука — B/G, D/K, l, M/N, NICAM/A2,BTSC
Количество каналов — 200
Телетекст — 10 страниц (чип 39 — 10 страниц, чип 59- 1000 страниц), хотя врядли он кому то сейчас нужен.
Входной формат видеосигнала (VGA, HDMI) — до 1920 ×1080@60Hz
Поддерживаемые видеоразрешения — 480i,480p,576i,576p,720p,1080i,1080p
Выходная мощность усилителя звука — 2x2.3 W(40) 1HD+N<10%@1KHz
Напряжение питания — 12V (опционально 5 Вольт, об этом позже)
Напряжение питания матрицы — 3.3V,5V, 12V
Назначение разъемов на фото.
Входные разъемы:
Питание 12 Вольт
Вход VGA
Вход HDMI
Вход композитного видео и стереозвука.
Вход звука при использовании ТВ как компьютерного монитора
Выход на наушники
Вход USB. (в этом тюнере используется только для обновления прошивки).
Вход для подключения антенны или кабельного.
Так же на плате установлены разъемы:
6 контактов — питание инвертора подсветки, управление включением подсветки, управление яркостью.
14 контактов — подключение ИК приемника, светодиода индикации режима работы и клавиатуры.
30 контактов — выход LVDS сигнала и питания матрицы.
4 контакта — выход для подключения динамиков.
На плате есть еще два джампера.
2 контакта — переключение питания платы на 5 Вольт, при установке этого джампера соединяется 12 Вольт вход и 5 Вольт выход. Зачем, расскажу в применении.
3 контакта — переключение напряжения питания матрицы 5 или 3.3 Вольта.
Дополнение — Джампер ставится один, просто в моем варианте совпало что матрица питается от 5 Вольт и на плату я подавал 5 Вольт.
Если надо 12 Вольт на матрицу, то джампер переставляется на двухконтактную часть.
но такие матрицы попадаются очень редко.
Если планируется подавать 5 вольт на питание самой платы, то проще подать на вывод силового дросселя, находящийся ближе к углу платы.
Размеры платы.
Список поддерживаемых разрешений матриц, прошивки под которые есть (по крайней мере заявлены). В основном стандартные разрешения, но есть и такие, которые я вижу впервые.
Кроме того есть прошивки под клавиатуру 5 и 7 кнопок и под разные модели матриц и рабочие напряжения (хотя насколько я понял, напряжение выбирается джампером).
Разрешение матриц
640X480
800X600
852X480
960X540
1024X502
1024X768
1152X768
1280X720
1280X768
1280X800
1280X854
1280X960
1280X1024
1366X256
1366X768
1400X1050
1440X900
1600X900
1600X1200
1680X945
1680X1050
1920X1080
1920X1200
2048X1152
Ну как все понимают, плату саму по себе проверить очень тяжело, а в домашних условиях почти невозможно.
Потому переходим к тому, зачем и куда мне все это понадобилось.
Переделка монитора
Переделывать я буду один из очень распространенных мониторов Самсунг
Модель монитора 920NW. Выпущен очень давно, почти 7 лет назад, пережил замену конденсаторов, вторая замена ему уже не помогла.
При помощи специально обученного скальпеля (обычный скальпель, но тупой) снимаем заднюю крышку, она крепится при помощи защелок. Бывают комбинированные варианты винты + защелки. стоит отметить, что мониторы Самсунг разбираются куда лучше, чем например LG.
Кроме того в LG я часто встречал крепление блока электроники на скотче, жуть.
Плату VGA-LVDS отвинчиваем, отключаем разъем клавиатуры и связи с платой блока питания и инвертора.
Часть с платой инвертора откладываем в сторону.
В данной модели монитора плата соединяется с матрицей при помощи плоского шлейфа, к тому же очень короткого.
Меня такое подключение очень расстроило, данный монитор я разбирал очень давно и очень рассчитывал, что подключение будет проводами и более удобным разъемом. Например как в этом, недавно разобранном мониторе.
Шлейф представляет собой плоскую и гибкую конструкцию, паяться к нему очень неудобно.
А вот и старая плата, собрана на процессоре той же фирмы, что и обозреваемая плата.
Я уже писал, что в ней есть дефект. Проще было заменить плату на такую же, но она тоже стоит денег, а функционал не увеличивает. Т.е. родная плата стоит дорого, а под недорогой аналог (есть такие платки) надо все равно переделывать шлейф к матрице, так зачем себя ограничивать.
На вид она выглядит похуже, даже странно, Самсунг вроде приличная фирма.
Для дальнейшей работы я советую поискать даташит на матрицу, в нем обычно указывается напряжение питания и сколько линий LVDS интерфейса использует матрица, а так же может быть расположение контактов в разъеме. А возможно поможет и в подборе прошивки.
У меня матрица M90A1-L02-X.
Здесь стоит сделать небольшое отступление о интерфейсе LVDS.
Придуман он был очень давно и применяться может не только в мониторах. Просто в мониторах он получил большое распространение для соединения матрицы с процессором обработки сигналов. Но бывает и другой интерфейс — TMDS, но применяется он несколько реже (насколько мне известно).
Если кому то интересно почитать подробную информацию об этих интерфейсах, то есть пара ссылок — LVDS, TMDS.
Я же попробую объяснить попроще.
Интерфейс представляет из себя 10 линий дифференциальных каналов передачи данных.
Проще говоря 10 пар проводов. Лучше есть эти пары свиты между собой.
Не всегда матрице нужны все 10 линий, иногда матрицы с более низкими разрешениями требуют меньше линий.
Например матрицы с разрешением 1024х768 могут соединяться всего четырьмя парами проводов (ODD0, ODD1, ODD2, ODD Clock), 1280x800 пятью (ODD 0, ODD1, ODD2, ODD Clock, ODD3), матрицы с разрешением 1280x1024 и более обычно используют все 10 линий (ODD1, ODD1, ODD2, ODD Clock, ODD3, EVEN0, EVEN1, EVEN2, EVEN Clock, EVEN3).
Опять я отвлекся.
В общем при переделке я поставил себе задачей максимально использовать то, что есть под рукой, хотя сначала была мысль взять необходимые кабели у товарища, который занимается ремонтом мониторов. Таким образом рассказать, как можно максимально сэкономить при переделке.
Паяться я решил прямо к плате матрицы, на фото видно подписанные контакты.
Для соединения я свил необходимое количество пар из провода МГТФ, 10 сигнальных пар и две пары под питание матрицы. Так же попутно сделал кабели для подключения кнопок, фотоприемника и соединения с платой инвертора.
Длину я сделал 20см, лучше делать больше, например 26см, как продают комплекты готовых кабелей.
Пары припаял, выглядит вполне аккуратно

Что бы пластиковая пленка не мешала, я отогнул ее и зафиксировал кусочками изоленты, скотч лучше не использовать, так как он может оставить следы на рамке монитора.
Паять надо аккуратно, площадки очень маленькие, но нет ничего невозможного для человека с руками, особенно если в них есть паяльник
)))Теперь припаиваем ответную сторону, т.е. разъем, которым матрица будет подключаться к плате тюнера.
На плате нет распиновки контактов, но я нашел вариант, где она есть, контакты распаиваются очень удобно, парами, причем все сигнальные + с одной стороны, а минусы с другой.
Можно перед пайкой прозвонить провода и пометить маркером, паять будет удобнее.
Если еще проще, то есть табличка, первый контакт разъема помечен квадратным пятачком.
Здесь обозначения контактов более понятные
1 LCD-VDD Power for Panel
2 LCD-VDD Power for Panel
3 NC
4 NC
5 GND Ground
6 GND Ground
7 RXO0- LVDS ODD 0 — Signal
8 RXO0+ LVDS ODD 0 + Signal
9 RXO1- LVDS ODD 1 — Signal
10 RXO1+ LVDS ODD 1 + Signal
11 RXO2- LVDS ODD 2 — Signal
12 RXO2+ LVDS ODD 2 + Signal
13 GND Ground
14 GND Ground
15 RXOC- LVDS ODD Clock — Signal
16 RXOC+ LVDS ODD Clock + Signal
17 RXO3- LVDS ODD 3 — Signal
18 RXO3+ LVDS ODD 3 + Signal
19 RXE0- LVDS EVEN 0 — Signal
20 RXE0+ LVDS EVEN 0 + Signal
21 RXE1- LVDS EVEN 1 — Signal
22 RXE1+ LVDS EVEN 1 + Signal
23 RXE2- LVDS EVEN 2 — Signal
24 RXE2+ LVDS EVEN 2 + Signal
25 GND Ground
26 GND Ground
27 RXEC- LVDS EVEN Clock — Signal
28 RXEC+ LVDS EVEN Clock + Signal
29 RXE3- LVDS EVEN 3 — Signal
30 RXE3+ LVDS EVEN 3 + Signal
Для подключения я купил пару разъемов, 2х15 для подключения к матрице и 1х40 для всех остальных соединений. Шаг контактов 2мм.
Распаиваем сигнальные провода, советую как минимум один ряд изолировать термоусадкой, контакты на разъеме довольно мягкие и если потянуть за кабель, то могут замкнуться.
Сгореть скорее всего ничего не сгорит, но проблем доставит.
Дальше я перешел к монтажу электроники в корпус.
Сначала вырвал мешающую мне стойку, раньше она держала плату VGA-LVDS.
После этого перешел к переделке платы блока питания и инвертора. Кстати плата попалась еще и с местом для установки усилителя, не знал, что эти мониторы бывали с динамиками.
Выпаял входной дроссель, диодный мост и конденсатор.
После этого взял большие брутальные ножницы и отрезал кусок платы. Естественно предварительно посмотрев, что бы не отрезать ничего лишнего.
Из отрезанного куска вырезал платку, где раньше стояли выпаянные компоненты, впаял обратно.
После этого разметил где буду сверлить отверстия в задней (нижней) стенке для установки новой платы. Часть сверлилась конусным сверлом, часть обычным, потом дорабатывалась надфилем.
Пожалуй самый тяжелый и нудный этап переделки.
Для установки платы я купил на рынке монтажные стойки длиной 20мм с резьбой М3.
Так же я купил пару динамиков 1 Вт 8 Ом и выключатель питания.
Выключатель питания мне в итоге так и не пригодился, так как его некуда было ставить, по крайней мере так, что бы это было безопасно, в итоге решил от него отказаться.
Первая примерка, теперь понятно, зачем я отрезал кусок платы

Хотел сначала объяснить, но потом понял, что проще показать.
А вот с задней панелью были проблемы. Уже когда вырезал почти все отверстия, то понял, что после установки платы, пластмассовая часть корпуса перекроет доступ к разъемам.
Пришлось поднять все отверстия (ну или опустить плату, как посмотреть) на 7мм, дальше смещать уже было некуда, ВЧ модуль уперся в корпус. Хотя можно было сместить немного плату и выиграть еще 2-3мм, даже можно поставить плату немного под наклоном, что бы было удобнее подключать разъемы.
В любом случае чем выше (относительно фотографии) стоит плата, тем лучше.
Отверстия под монтажные стойки надо раззенковать, и использовать винты с потайной шляпкой.
А вот здесь небольшое пояснение про питание платы.
Изначально плата рассчитана под то, что она будет питаться от разъема питания 5.5/2.1, а дальше от нее питание будет идти на плату инвертора.
В моем варианте плата питалась от платы инвертора монитора.
Но обычно блок питания выдает два напряжения, 5 и 12(13 -15) Вольт, и родная плата питается при этом от 5 Вольт.
Плату можно было запитать от 12, но при этом возможен «перекос» блока питания, что нежелательно. Кроме того на родной разъем выведено 5, а значит надо делать перемычку, резать дорожки и т.п.
На плате ТВ тюнера есть перемычка (почему то не описанная в мануале), при установке которой 12 Вольт входные замыкаются на 5 Вольт выходных.
Т.е. плата становится полностью пятивольтовой.
Меня этот вариант полностью устроил, за исключением того, что после этого на родном разъеме питания будет присутствовать 5 Вольт, что бы не спалить родной блок питания (ну и плату при подаче 12 Вольт на родной разъем) я на центральный контакт разъема одел кусочек термоусадки, так как пользоваться этим разъемом больше не планировал.
Дополнение/исправление — Джампер ставится один, просто в моем варианте совпало что матрица питается от 5 Вольт и на плату я подавал 5 Вольт.
Если надо 12 Вольт на матрицу, то джампер переставляется на двухконтактную часть.
но такие матрицы попадаются очень редко.
Если планируется подавать 5 вольт на питание самой платы, то проще подать на вывод силового дросселя, находящийся ближе к углу платы.
После этого я из разъема 1х40 нарезал маленькие разъемы на необходимые количества контактов. Можно было сразу купить разъемы с нужным количеством контактов, но это немного дороже, да и не всегда в наличии есть подходящие разъемы.
Вообще, к этой плате продается комплект, состоящий из платы фотоприемника и платы клавиатуры.
Но в целях сохранения родного дизайна монитора я решил использовать старую клавиатуру, а плата фотоприемника вообще у меня не влезла бы. Но если не хотите паять, то можно купить такой комплект.
В родной инструкции приведена схема подключения семи кнопок (соответственно используем прошивки под 7 кнопок). при этом каждая кнопка подключается отдельным проводом.
Меня такой вариант подключения ну никак не устраивал, так как требовал кучи проводов и адаптации родной платы.
Но плата ТВ тюнера может управляться и по одному проводу, путем изменения сопротивления в цепи кнопок, в этом случае все управление происходит через контакт К0.
k0 0 on/off
k1 680 V+
k2 1.5k V-
k3 2.7k source
k4 4.7k menu
k5 8.2k ch+
k6 15k ch-
k7 38k reserved
Родная плата монитора была сделана примерно по тому же принципу, но кнопки были разбиты на три группы.
Вверху родная схема, внизу доработанный вариант, где не надо резать никаких дорожек.
К сожалению у меня не получилось сохранить родное расположение кнопок, так как кнопка Меню монитора расположена первой и без глубокой переделки ее туда перенести никак не получалось.
В итоге у меня вышло — канал минус, канал плюс, меню, громкость минус, громкость плюс, питание.
К плате клавиатуры идет всего три провода, общий, кнопки, светодиод.
А вот так все это выглядит на родной плате монитора.
Добавляется всего три резистора, 680 Ом, 8.2к и 1.5к. у меня добавлено больше, так как я потерял выпаянный родной резистор на 3.3к. Этих резисторов выпаивается два, и если их поставить последовательно, то получим 6.6к, что близко к необходимым 6.8к. А так как один резистор я потерял, то пришлось колхозить из других.
Светодиод я использовал родной, подпаял так, что бы в дежурном режиме он светил, а в рабочем был выключен, посчитал, что так будет удобно. Зачем светить если включен экран и так видно, что телевизор работает.
Фотоприемник я подключал без всяких плат, так как старался все делать так, что бы докупать минимум вещей. Для подключения фотоприемника необходима пара керамических конденсаторов 2.2-10мкФ и диод. Обычно ставят резистор, но здесь почему то производитель советует ставить диод, ну советует и советует, поставил диод, работает отлично.
Кстати, фотоприемник питается от контакта 5 Вольт, разъема для подключения клавиатуры и т.п… Не рекомендую оттуда ничего больше питать, так как этот вывод хоть и помечен как 5 Вольт, на самом дела он подключен через токоограничивающий резистор.
Выше видно размеры резистора, которые пришлось выпаивать с родной платы клавиатуры, размер около 1х2мм. Так что перед пайкой пить не советую
))Ну вот монитор начинает приобретать какие то очертания.
Когда будете устанавливать монтажные стойки, то между стойкой и шасси монитора надо поставить шайбы толщиной около 1-1.5мм и диаметром отверстия 4-4.5мм.
Дело в том, что винты с потайной головкой, а металл шасси очень тонкий, и если не поставить шайбу, то можете тянуть хоть до сворачивания винта, но держать он не будет, так как раньше упрется в стойку, чем притянет что нибудь.
Плату с фильтром питания, диодным мостом и конденсатором я так же установил на стойки.
Разъем для подключения динамиков я немного выпаял и поставил под углом 90 градусов к плате, иначе не влазил разъем от динамиков.
Дальше я попробовал запустить монитор, но меня ждал большой облом. инвертор не хотел запускаться. Я бы грешил на его неисправность, но перед переделкой я его проверил и он был точно исправен. При включении экран немного один раз моргал и дальше изображение можно было видеть только с фонариком.
В итоге, после кучи экспериментов, я подключил старую плату, все работает.
Переключил контакт управления включением на новую плату, работает.
Выяснил, что на контакте управления яркостью нет напряжения, хотя должно быть в диапазоне 0-3.3 Вольта.
Поставил подтяжку этого выхода платы к 3.3 Вольта (они есть на плате ТВ тюнера), все заработало отлично. Подозреваю. что разработчики платы рассчитывали, что эта подтяжка будет на плате монитора.
Первое удачное включение. Вернее это второе включение, первое было еще без подсветки, когда я проверял работоспособность платы и правильность подключения LVDS интерфейса.
Видно, что размер изображения не соответствует матрице, так как перепрошивка возможна без разборки монитора, то я решил заняться этими экспериментами уже после окончательной сборки.
Не смотрите на качество изображения, вместо антенны кусок провода.
Можно сказать, что внутренние работы почти закончены, не скажу, что получилось красиво, можно было сделать лучше, но меня устроило и так.
Фотоприемник никак не закреплен ( по центру пластмассовой рамки видно отверстие), так как он хорошо прижат матрицей к пластмассовой рамке.
Держится очень крепко.
После этого я отложил в сторону матрицу с электроникой и взялся за заднюю крышку.
Я купил динамики диаметром 50мм и толщиной около 7мм (если не путаю).
Что бы сделать аккуратные отверстия я распечатал шаблоны для сверления, очень помогло.
Сначала сверлил сверлом 1.5мм, потом рассверливал до диаметра 4.5мм.
Динамики приклеил термоклеем.
Мощность динамиков 1 Ватт, сопротивление 8 Ом, когда купил, то волновался, что будет тихий звук, так как питание усилителя всего 5 Вольт, я ошибался, звук довольно громкий.
Дополнительные затраты на переделку.
Динамики 2шт — 1.1
Стойки = винты 6шт — 0.37
Разъемы 2шт — 0.3
Детали (4 резистора, 2 конденсатора и диод) — 0.15
Провод МГТФ 7м — цену не знаю, пусть будет около 0.5
Итого — 2.42 доллара.
Первое включение после сборки и перепрошивки.
Для перепрошивки рекомендуют при включении удерживать кнопку Меню, на самом деле можно удерживать любую кнопку, даже вообще ничего не удерживать, а просто вставить флешку с прошивкой и включить питание. Перепрошивка занимает около 30 секунд.
После прошивки меню монитора будет на китайском, но переключение на русский проблем не вызывает.
Нажимаем Меню, потом два раза вправо (меню с шестеренкой), потом вниз (выделяется первая строка), дальше кнопка влево или вправо выбираем необходимый язык.
Русификация довольно условная, часть на русском, часть на английском, но это лучше, чем на китайском.
Я не буду останавливаться на пунктах меню, они похожи у всех недорогих телевизоров и обычно вопросов не вызывают.
А вот на инженерном меню я немного задержусь.
С самого начала меня раздражали две вещи. Автовключение телевизора после подачи питания и слишком резкое изменение громкости при регулировке.
В интернете я нашел информацию, как перейти в инженерное меню.
В рабочем режиме нажимаем Меню, потом набираем код 1147.
Попадаем сюда —
Здесь куда больше «вкусного» чем в основном меню.
Сразу нашел пункт автовключения. Я понимал, что он должен быть и искал его в основном меню, но программисты вынесли его в инженерное.
Есть три варианта — включен, последнее состояние, выключен.
Я выбрал режим — последнее состояние.
Так же нашел меню, где можно настроить крутизну регулировки громкости.
Правда еще не экспериментировал, но не думаю, что это составит большую проблему.
Настраивается уровень громкости при разных положениях регулировки 0-10-20% и т.п.
Вот с переделкой и все. Спереди показывать нечего, так как там на вид ничего не менялось, все изменения происходили сзади

Панель разъемов поближе. Конечно видно, что отверстия могли бы быть и получше, да и фальшпанель не помешала бы, но я решил остановиться на том, как это выглядит сейчас.
На светлой передней рамке, в центре, видно отверстие для фотоприемника. Это единственное изменение передней панели. Пускай вас не смущает то, что фотоприемник смотрит не вперед, а вниз, работает все отлично.
Ну и собственно что из всего этого получилось в итоге
По техзаданию установить телевизор надо было в спальне.
Для этого в планируемом месте, еще во время ремонта, были заложены две розетки, электрическая и антенная.
Вот они и дождались своего часа.
Для установки телевизора был куплен кронштейн. покупался в местном интернет магазине, цена около 11 долларов.
Для закрепления телевизора к кронштейну я использовал винты, входящие в комплект.
Прикрепил я для того, что бы примерить, где лучше располагать кронштейн на стене.
После этого я примерил кронштейн уже без телевизора.
Разметил маркером два отверстия. Делать все это несложно, все работы, вплоть до параллельного фотографирования процесса можно проделать одному.
Если для крепления телевизора к кронштейну я использовал родные винты, то шурупы и пробки, входящие в комплект лучше не использовать. Глядя на соотношение шурупов и пробок, которые дали в комплекте, мне всегда интересно, что курили те, кто их комплектовал.
Вверху то, что использовал я. Когда подбираете пробки и шурупы (анкеры), то выбирайте длину шурупа так, что бы он был чуть длиннее пробки. попутно я взял пару шайб.
Дальше я достал из кладовки джентельменский набор монтажника под названием «юный строитель», ну или «друг соседей», кому как нравится.
Что бы меньше мусорить, я использую очень простое и дешевое решение, пакет и малярный скотч. Как его применить, хорошо понятно по фото. Скажу лишь, что для каждого отверстия пакет должен быть сразу под планируемым отверстием. Т.е. просверлили отверстие, перевесили пакет к следующему.
Пробки имеют размер 10х60, я соответственно взял бур 10мм и сделал отметку изолентой по длине шурупа + небольшой запас.
Отверстия просверлены, пробки забиты, на мой взгляд вроде аккуратно.
При том, что отверстия довольно глубокие, мусора нападало совсем немного, его можно легко убрать влажной тряпкой.
Это к тому, что работа перфоратором еще не означает, что будет много грязи.
Весь мусор остался в пакете. Но надо без фанатизма, если бурить много отверстий, то пакеты надо менять, так как со временем скотч ослабевает и пакет тяжелеет, потому можно получить обратный результат.
Кронштейн закреплен, ради интереса пробовал повиснуть на нем, он этого даже не заметил, хотя вешу я около 90кг

Дальше я перешел к подключению.
Для этого я взял пару антенных разъемов и накруток к ним.
Накрутки бывают под разные диаметры кабеля, у меня кабель не самый толстый, потому я взял средние. Если взять совсем маленькие, то накрутка перережет жилы оплетки, если большую, то будет болтаться.
А вот собственно и комплект, который я использовал.
Кабель я взял очень мягкий, так как гнуть за телевизором какой нибудь CommScope мне совсем не хотелось.
Нашел в запасах неплохой кабель питания, получился такой комплектик.
Жалко, что нет сетевого кабеля покороче. При монтаже телевизоров вечная проблема, куда деть лишний кабель.
Как я писал, все необходимые кабели я заложил еще во время ремонта.
В квартире есть место, где все они сходятся вместе, туда выведены и кабели от всех 5 точек для телевизоров и кабель на площадку для кабельного и для эфирной антенны и в планируемое место установки спутниковой антенны.
Для деления этого сигнала использован делитель типа такого как на фото, только более новый и с большим количеством отводов.
После подготовительных работ привинчиваем телевизор к установленному кронштейну.
Для этого удобно использовать короткую отвертку, я ее держу специально для таких случаев.
Повесил телевизор, подключил все кабели и почти аккуратно уложил их за телевизором.
Все, работу можно считать законченной. Жена осталась очень довольна и качеством изображения и удобством использования и аккуратным общим внешним видом.
Что не может не радовать

Резюме.
Плюсы
Плата пришла в нормальном состоянии, без повреждений и дефектов.
Устройство полностью работает.
Без проблем перешивается под матрицы с другим разрешением.
Плата действительно универсальная.
Минусы.
Я не обнаружил.
Мое мнение. Вполне годная плата для модернизации старого ЖК монитора. В данной модели нет возможности проигрывания видеофайлов, но мне она и не нужна. Вот чего хотелось бы, так это возможности принимать цифровое ТВ, но такой вариант мне пока не попадался.
Понравилась продуманность и простота конструкции, ничего лишнего, но в то же время все есть для относительно простой переделки монитора в телевизор.
Главное что бы была матрица и корпус, блок питания можно применить любой 12 Вольт, инвертор продается отдельно, можно даже лампы заменить на светодиоды.
ТВ тюнер был предоставлен для тестирования и обзора магазином tmart.
Надеюсь, что этот обзор будет полезным, я старался собрать всю информацию вместе и показать, что переделать монитор в телевизор довольно просто. А с учетом текущей ситуации еще и экономно.
Дополнительные материалы
Для начала несколько ссылок на странички, из которых я брал информацию.
Раз, два, три.
Мануал на плату.
Ну и подготовленные мною материалы.
Прошивки под разные матрицы и разное разрешение матриц — скачать.
Разные всякие даташиты и картинки + прошивка флеш (для восстановления в случае невозможности прошивки через USB) — скачать.
Перейти в магазин
