Я уже как то несколько раз упоминал, что занимаюсь так же установкой систем видеонаблюдения.
И решил я себе в помощь заказать такой необычный Power bank.
Что, зачем и почему, а так же что внутри и что с этим можно сделать, читайте под катом.
Раньше были аналоговые камеры, сейчас цифровые, но всем им необходимо питание на время настройки.
С аналоговой камерой приходится пользоваться маленьким ТВ, но камеру можно питать от общего БП системы по уже проложенной линии (если она есть).
Цифровые настраиваю с ноутбука, но так как питание всех устанавливаемых мною камер идет через PoE, то разъем занят и питать камеру приходится опять же от чего то внешнего.
Обычно я пользуюсь 12 Вольт 7 А/ч аккумулятором с длинным проводом и двойником на конце, что бы можно было питать одновременно даже камеру с телевизором.
В общем увидел я данное устройство и решил, что оно должно быть удобнее, так как провод, висящий с высоты, не совсем удобно.
Заказал, прислали.
Прислали в обычном желтом конверте, устройство было в коробке, завернутое в тоненький слой пупырки.
Но при этом ничего не поломалось, даже коробка не помялась.

Внутри коробки находился собственно сам Powerbank, зарядное устройство, кабель и инструкция.

Начну с Powerbank-а.
Сзади указаны основные характеристики.
Входное напряжение — 12.6 Вольт.
Выходное — 10.8-12.6 Вольт
Емкость 1800 мАч

Сверху ничего особенного нет, входы\выходы подписаны.
Видно, что подписан выход USB, на самом деле в этом устройстве его нет, но существует (если верить инструкции) версия и с ним.

С торца расположена кнопка включения со светодиодом, разъем выхода (он же вход для подключения зарядного устройства) и заглушка, закрывающая отсутствующий разъем USB.

Размеры устройства не очень большие, как на мой взгляд.
108х64х26мм.
Взвешивать не стал, так как не вижу в этом большого смысла, если кому интересно, то могу взвесить.

Разбирается устройство почти просто.
Сначала выкручиваются 4 шурупа, расположенные с нижней стороны, а потом начинается «почти», так как крышка изнутри еще и подклеена двухсторонним скотчем.
Внутри видео три аккумулятора 18650, сверху которых установлены платы защиты, а так же видно кнопку, разъем и резистор для светодиода.
Все, больше внутри ничего нет. Аккумуляторы имеют цвет как на фото (недавно в одном из обзоров писали, что фотоаппарат плохо воспринимает фиолетовый цвет), т.е. фиолетовый.

На аккумуляторах установлена внешняя плата защиты, состоящая из нескольких резисторов, микросхемы-контроллера DW01.

А так же полевого транзистора ML8502A, сфотографировать так, что бы было видно и микросхему и транзистор, не получилось, потому два фото.

Как я выше писал, устройство укомлектовано зарядным устройством.
Описание и фотки снаружи и внутри я спрятал под катом.
Подробнее
Внешне небольшой зарядник, похожими комплектуются многие устройства.

С торца установлено два светодиода, немного криво установлено.

На выходе заявлено 12.6 Вольт 350мА, но это мы проверим позже.

Внутри довольно неплохая сборка, ожидал чего-то худшего.
Диодный мост, а не один диод, резистор в качестве предохранителя, транзистор в довольно большом корпусе (для такой то мощности), выходной диод на 1 Ампер, а не 100-200мА как иногда попадаются. Так же видно схему детектора окончания заряда на LM358.

Монтаж платы двухсторонний, причем даже пайка аккуратная. В общем пока неплохо, правда вилка не европейская

В процессе заряда светится два светодиода.

По окончании заряда остается светить только красный, хотя на мой взгляд было бы логичнее сделать наоборот. в работе не греется, корпус имеет температуру около 40 градусов.

В комплекте был кабель, разъемы стандартны для большинства устройств требующих 12 Вольт, плюс внутри разъема, минус — снаружи.
Длина кабеля около 50см.

В инструкции приведен весь список вариантов данного устройства, к слову их довольно немало, более подробно — на фото.

Естественно не обошлось без тестов. Можно даже сказать, что в отношении к таким устройствам это основной тест.
Устройство было не полностью заряжено, потому я для теста подключил его сначала к своему БП.
Подождал пока ток заряда упадет, показало, что в аккумуляторы ушло 625мАч.

Дальше я собрал простенький стендик, состоящий из схемы стабилизатора тока.
Стабилизатор тока организован при помощи микросхемы LM317, включенной по соответствующей схеме и двух резисторов. Ток установлен в 1 Ампер (я посчитал, что ток разряда в 0.5С будет нормально).

Минут через 5 измерил напряжение, на мой взгляд просело довольно сильно.
Ну как говорится, цыплят по осени считают, так и мы, дождемся окончания разряда.

Разряд длился около часа, немного меньше.
Объясню почему «около».
Устройство лежало рядом со мной, грело теплом от радиатора и я периодически на него поглядывал, но я не думал, что оно разрядится так быстро, потому прозевал момент отключения.
По моим прикидкам время разряда составило около 58 минут (меньше часа, но больше чем 55 точно).
Т.е. емкость почти 1 Ач при заявленных 1.8.
Грустно, я очень расстроился, думал что будет лучше.
Для перепроверки я поставил его на заряд.

Думал после заряда повторить операцию, но это не понадобилось.
Максимум, что блок питания смог отдать аккумуляторам было 1.07 Ач. Дальше тестировать аккумуляторы смысла не имело.
Кстати было замечено, что напряжение на аккумуляторах отличается, один аккумулятор явно имеет больше емкость, чем остальные.

На этом тестирование я закончил и плавно перешел к небольшой доработке, которая буквально сама просилась.
Описание доработки
А просился в данное устройство индикатор уровня заряда батареи.
Как разработчики планировали использование устройства без него, мне непонятно.
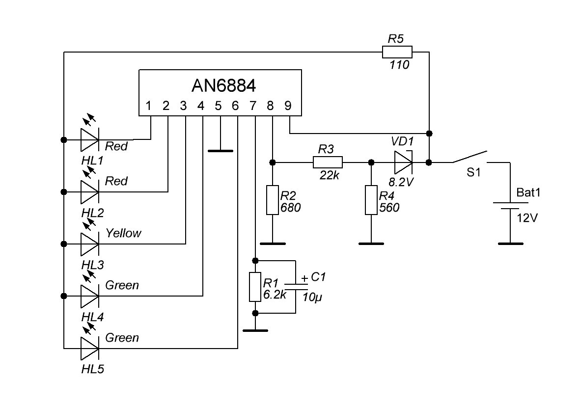
Для реализации задуманного я решил использовать одно из проверенных мной решений, микросхему AN6884.
Раньше мы устанавливали данные микросхемы в блоки бесперебойного питания, которые сами и производили. После этого у меня осталось дома некоторое количество этих микросхем, светодиоды найти дома вообще обычно не проблема, ну и еще несколько мелких деталей.
Схема индикатора уровня заряда батареи.

Так же у меня имелась уже страссированная платка.

Были подобраны необходимые компоненты. правда за давностью лет я уже успел забыть, какие номиналы я применял, но в итоге методом научного тыка последовательного приближения получил то, что мне надо.

Так как плата целиком не влезала, то пришлось разделить ее на две части.
А так же при пайке установить микросхему параллельно плате.

Сзади особо ничего интересного нет, дорожки, детальки

Дальше отодвинул в сторону выключатель питания и разъем.
Разметил штангенциркулем отверстия под светодиоды. Для удобства разметки расстояние между ними сделано 5мм.

Так как светодиоды получались почти точно в ситыке половинок корпуса, то ножом сделал надрезы.

После этого скрутил корпус (можно крепко сжать руками, но сверло при выходе может разжать половинки и отверстие получится не таким как надо.
Сверло диаметром 3мм.
Примерил плату в корпусе.

Аналогично поступил с платой, на которой установлена кнопка, только для нее надо диаметр отверстия 3.5мм.
Обе платы приклеил термоклеем. Сначала нанес клей куда надо, потом на это место установил платы, плату кнопки зафиксировал после этого еще раз, что бы не выломалась.
С клеем надо быть очень аккуратно, так как при работе он очень горячий и оставляет приличное ожоги.

Вот как в итоге теперь выглядят внутренности.
При работе лучше соблюдать цветовую дифференциацию штанов маркировку, что бы удобнее было работать.

Перед закрыванием корпуса вспомнил, что забыл проверить ток и напряжение родного зарядного устройства.
На холостом ходу зарядник дает ровно 12.6 Вольт

Ток заряда 210мА, заметно ниже указанного на блоке, но ничего особо страшного я в этом не увидел.

Вот как выглядит то, что получилось.
Вид со стороны разъемов, кнопку я старался поставить так, что бы она торчала лишь совсем немного. Но включена плата так, что индикация работает только при включении выключателя питания.
К слову. Заряжается устройство так же, только при включенном выключателе питания.
Если не включить, то будет только светиться светодиод в выключателе, заряда не будет.

Вид со стороны установленных светодиодов.

Батарея полностью заряжена.
Я настроил плату так, что бы при понижении до 8.8 Вольта погасал последний красный светодиод, а при повышении напряжения до 12.2 включался последний зеленый.
Дело это скорее сугубо личное, но мне так показалось удобным.

А это проверка с тем, с чем мне чаще приходится работать, айпи камера Хиквижн DS-2CD2732F-IS
При подключении блока камера попыталась установить драйвер блока питания радостно засветила светодиод питания, щелкнула шторкой ИК фильтра и начала нормально работать.

Ну и как всегда, архив со схемой, трассировкой и даташитом.
Резюме.
Плюсы.
Хорошая упаковка.
Сама конструкция в общем мне понравилась, можно даже сказать, что удобно.
Неплохое общее качество изготовления, хотя криво приклеенные аккумуляторы выглядят грустно.
Минусы
Емкость аккумуляторов почти в два раза меньше заявленной, самый большой минус.
Нет индикации заряда аккумулятора.
Зарядное имеет ток заряда меньше, чем заявлено, хотя качество изготовления зарядника вполне нормальное, думаю, что даже можно поднять ток.
Мое мнение.
Использовать такое устройство вполне можно, но вот насчет покупать или нет, не уверен, наверное проще собрать самому.
Надеюсь, что мой обзор был интересен, а может и полезен и поможет принять правильное решение. Обзоров данного устройства я не встречал.
Перейти в магазин
И решил я себе в помощь заказать такой необычный Power bank.
Что, зачем и почему, а так же что внутри и что с этим можно сделать, читайте под катом.
Раньше были аналоговые камеры, сейчас цифровые, но всем им необходимо питание на время настройки.
С аналоговой камерой приходится пользоваться маленьким ТВ, но камеру можно питать от общего БП системы по уже проложенной линии (если она есть).
Цифровые настраиваю с ноутбука, но так как питание всех устанавливаемых мною камер идет через PoE, то разъем занят и питать камеру приходится опять же от чего то внешнего.
Обычно я пользуюсь 12 Вольт 7 А/ч аккумулятором с длинным проводом и двойником на конце, что бы можно было питать одновременно даже камеру с телевизором.
В общем увидел я данное устройство и решил, что оно должно быть удобнее, так как провод, висящий с высоты, не совсем удобно.
Заказал, прислали.
Прислали в обычном желтом конверте, устройство было в коробке, завернутое в тоненький слой пупырки.
Но при этом ничего не поломалось, даже коробка не помялась.
Внутри коробки находился собственно сам Powerbank, зарядное устройство, кабель и инструкция.
Начну с Powerbank-а.
Сзади указаны основные характеристики.
Входное напряжение — 12.6 Вольт.
Выходное — 10.8-12.6 Вольт
Емкость 1800 мАч
Сверху ничего особенного нет, входы\выходы подписаны.
Видно, что подписан выход USB, на самом деле в этом устройстве его нет, но существует (если верить инструкции) версия и с ним.
С торца расположена кнопка включения со светодиодом, разъем выхода (он же вход для подключения зарядного устройства) и заглушка, закрывающая отсутствующий разъем USB.
Размеры устройства не очень большие, как на мой взгляд.
108х64х26мм.
Взвешивать не стал, так как не вижу в этом большого смысла, если кому интересно, то могу взвесить.
Разбирается устройство почти просто.
Сначала выкручиваются 4 шурупа, расположенные с нижней стороны, а потом начинается «почти», так как крышка изнутри еще и подклеена двухсторонним скотчем.
Внутри видео три аккумулятора 18650, сверху которых установлены платы защиты, а так же видно кнопку, разъем и резистор для светодиода.
Все, больше внутри ничего нет. Аккумуляторы имеют цвет как на фото (недавно в одном из обзоров писали, что фотоаппарат плохо воспринимает фиолетовый цвет), т.е. фиолетовый.
На аккумуляторах установлена внешняя плата защиты, состоящая из нескольких резисторов, микросхемы-контроллера DW01.
А так же полевого транзистора ML8502A, сфотографировать так, что бы было видно и микросхему и транзистор, не получилось, потому два фото.
Как я выше писал, устройство укомлектовано зарядным устройством.
Описание и фотки снаружи и внутри я спрятал под катом.
Подробнее
Внешне небольшой зарядник, похожими комплектуются многие устройства.
С торца установлено два светодиода, немного криво установлено.
На выходе заявлено 12.6 Вольт 350мА, но это мы проверим позже.
Внутри довольно неплохая сборка, ожидал чего-то худшего.
Диодный мост, а не один диод, резистор в качестве предохранителя, транзистор в довольно большом корпусе (для такой то мощности), выходной диод на 1 Ампер, а не 100-200мА как иногда попадаются. Так же видно схему детектора окончания заряда на LM358.
Монтаж платы двухсторонний, причем даже пайка аккуратная. В общем пока неплохо, правда вилка не европейская

В процессе заряда светится два светодиода.
По окончании заряда остается светить только красный, хотя на мой взгляд было бы логичнее сделать наоборот. в работе не греется, корпус имеет температуру около 40 градусов.
В комплекте был кабель, разъемы стандартны для большинства устройств требующих 12 Вольт, плюс внутри разъема, минус — снаружи.
Длина кабеля около 50см.
В инструкции приведен весь список вариантов данного устройства, к слову их довольно немало, более подробно — на фото.
Естественно не обошлось без тестов. Можно даже сказать, что в отношении к таким устройствам это основной тест.
Устройство было не полностью заряжено, потому я для теста подключил его сначала к своему БП.
Подождал пока ток заряда упадет, показало, что в аккумуляторы ушло 625мАч.
Дальше я собрал простенький стендик, состоящий из схемы стабилизатора тока.
Стабилизатор тока организован при помощи микросхемы LM317, включенной по соответствующей схеме и двух резисторов. Ток установлен в 1 Ампер (я посчитал, что ток разряда в 0.5С будет нормально).
Минут через 5 измерил напряжение, на мой взгляд просело довольно сильно.
Ну как говорится, цыплят по осени считают, так и мы, дождемся окончания разряда.
Разряд длился около часа, немного меньше.
Объясню почему «около».
Устройство лежало рядом со мной, грело теплом от радиатора и я периодически на него поглядывал, но я не думал, что оно разрядится так быстро, потому прозевал момент отключения.
По моим прикидкам время разряда составило около 58 минут (меньше часа, но больше чем 55 точно).
Т.е. емкость почти 1 Ач при заявленных 1.8.
Грустно, я очень расстроился, думал что будет лучше.
Для перепроверки я поставил его на заряд.
Думал после заряда повторить операцию, но это не понадобилось.
Максимум, что блок питания смог отдать аккумуляторам было 1.07 Ач. Дальше тестировать аккумуляторы смысла не имело.
Кстати было замечено, что напряжение на аккумуляторах отличается, один аккумулятор явно имеет больше емкость, чем остальные.
На этом тестирование я закончил и плавно перешел к небольшой доработке, которая буквально сама просилась.
Описание доработки
А просился в данное устройство индикатор уровня заряда батареи.
Как разработчики планировали использование устройства без него, мне непонятно.
Для реализации задуманного я решил использовать одно из проверенных мной решений, микросхему AN6884.
Раньше мы устанавливали данные микросхемы в блоки бесперебойного питания, которые сами и производили. После этого у меня осталось дома некоторое количество этих микросхем, светодиоды найти дома вообще обычно не проблема, ну и еще несколько мелких деталей.
Схема индикатора уровня заряда батареи.
Так же у меня имелась уже страссированная платка.
Были подобраны необходимые компоненты. правда за давностью лет я уже успел забыть, какие номиналы я применял, но в итоге методом научного тыка последовательного приближения получил то, что мне надо.
Так как плата целиком не влезала, то пришлось разделить ее на две части.
А так же при пайке установить микросхему параллельно плате.
Сзади особо ничего интересного нет, дорожки, детальки

Дальше отодвинул в сторону выключатель питания и разъем.
Разметил штангенциркулем отверстия под светодиоды. Для удобства разметки расстояние между ними сделано 5мм.
Так как светодиоды получались почти точно в ситыке половинок корпуса, то ножом сделал надрезы.
После этого скрутил корпус (можно крепко сжать руками, но сверло при выходе может разжать половинки и отверстие получится не таким как надо.
Сверло диаметром 3мм.
Примерил плату в корпусе.
Аналогично поступил с платой, на которой установлена кнопка, только для нее надо диаметр отверстия 3.5мм.
Обе платы приклеил термоклеем. Сначала нанес клей куда надо, потом на это место установил платы, плату кнопки зафиксировал после этого еще раз, что бы не выломалась.
С клеем надо быть очень аккуратно, так как при работе он очень горячий и оставляет приличное ожоги.
Вот как в итоге теперь выглядят внутренности.
При работе лучше соблюдать цветовую дифференциацию штанов маркировку, что бы удобнее было работать.
Перед закрыванием корпуса вспомнил, что забыл проверить ток и напряжение родного зарядного устройства.
На холостом ходу зарядник дает ровно 12.6 Вольт
Ток заряда 210мА, заметно ниже указанного на блоке, но ничего особо страшного я в этом не увидел.
Вот как выглядит то, что получилось.
Вид со стороны разъемов, кнопку я старался поставить так, что бы она торчала лишь совсем немного. Но включена плата так, что индикация работает только при включении выключателя питания.
К слову. Заряжается устройство так же, только при включенном выключателе питания.
Если не включить, то будет только светиться светодиод в выключателе, заряда не будет.
Вид со стороны установленных светодиодов.
Батарея полностью заряжена.
Я настроил плату так, что бы при понижении до 8.8 Вольта погасал последний красный светодиод, а при повышении напряжения до 12.2 включался последний зеленый.
Дело это скорее сугубо личное, но мне так показалось удобным.
А это проверка с тем, с чем мне чаще приходится работать, айпи камера Хиквижн DS-2CD2732F-IS
При подключении блока камера попыталась установить драйвер блока питания радостно засветила светодиод питания, щелкнула шторкой ИК фильтра и начала нормально работать.
Ну и как всегда, архив со схемой, трассировкой и даташитом.
Резюме.
Плюсы.
Хорошая упаковка.
Сама конструкция в общем мне понравилась, можно даже сказать, что удобно.
Неплохое общее качество изготовления, хотя криво приклеенные аккумуляторы выглядят грустно.
Минусы
Емкость аккумуляторов почти в два раза меньше заявленной, самый большой минус.
Нет индикации заряда аккумулятора.
Зарядное имеет ток заряда меньше, чем заявлено, хотя качество изготовления зарядника вполне нормальное, думаю, что даже можно поднять ток.
Мое мнение.
Использовать такое устройство вполне можно, но вот насчет покупать или нет, не уверен, наверное проще собрать самому.
Надеюсь, что мой обзор был интересен, а может и полезен и поможет принять правильное решение. Обзоров данного устройства я не встречал.
Перейти в магазин
