Мне иногда кажется, чтобы я не обозревал у меня все равно получается обзор блока питания.
Но в данном случае это изначально планировался обзор блока питания. Я его видел и раньше, потому мне от этого еще интереснее было пощупать его самому и рассказать о своих впечатлениях другим.
Тесты, разборка, анализ, все как всегда и на том же месте
Иногда можно подумать, что я оставляю слишком хорошие отзывы о товарах. Отчасти это вызвано не моим стремлением похвалить товар, а тем, что я всегда стараюсь внимательно выбирать товары для обзоров, а некоторые я сам прошу добавить к ассортименту.
Данный товар как раз и относится к категории тех, которые я попросил добавить, и понятно что я потом решил написать обзор
Но это так, лирическое отступление, а мы перейдем к делу, т.е. к осмотру, тестированию и прочим интересным делам.
Распаковка
Кроме полиэтиленового конверта присутствовала какая то мягкая бумага

Которая к сожалению не смогла защитить родную коробочку, но так как БП довольно крепкий то ему особо ничего не грозило.
На коробке присутствует небольшая наклеечка на которой в двух словах и цифрах написано что внутри.

Внутри все довольно простенько, БП в плотном пакете, по бокам вставлены кусочки пенопласта, сидит плотно, не болтается.

Вот собственно весь комплект. Вообще комплектация лабораторного БП не подразумевает кучу аксессуаров, дали в общем все необходимое.
Кабель питания
Кабель для подсоединения нагрузки
Инструкция
Блок питания

Инструкция на английском. Не скажу что в ней куча информации, но необходимый минимум точно присутствует. Хотя такие вещи обычно покупают люди, которые понимают что это такое и зачастую инструкция нужна лишь в самом начале и просто как подсказка.

Данный блок питания выпускается в куче модификаций (по идее должно быть около шести).
Три версии с разным выходным напряжением и максимальным током и две модификации с трех или четырехразрядным индикатором тока.
У меня вариант CPS-3205, максимальное выходное напряжение 32 Вольта, максимальный ток 5 Ампер.
В инструкции это средняя колонка в описании характеристик. Напоминаю, все фото в обзоре кликабельны.

Также в комплекте дали кабель для подсоединения к нагрузке. Честно, кабель шлак. Когда я получил этот БП, то естественно хотелось его хоть попробовать
В качестве нагрузки я взял автомобильную лампу 12 вольт 45 Ватт, но так как она просто лежала на столе, то я не включал ее надолго, стол мне еще пригодится
Но когда я закончил играться, то провод был ненамного холоднее лампы. Правда стоит сказать, что я его не распутывал, а пробовал как есть.
Сечение кабеля совсем никакое, такой кабель лучше сразу заменить на что нибудь поприличнее.
А вот разъемы и крокодилы вполне годные, потому можно заменить только сам кабель.

К кабелю питания у меня претензий не было, за исключением той мелочи, что мне случайно прислали (или это я случайно заказал) кабель под американскую розетку
Хорошо то, что подходит обычный компьютерный кабель, потому проблемы это не составило, просто достал из ящика первый попавшийся.

Ладно, понимаю что кабели рассматривать никому неинтересно, потому перейду к блоку питания.
Первое что бросается в глаза, это небольшие размеры. Думаю все понимают, что БП такой мощности и таких габаритов обычно импульсные.
Импульсные блоки питания имеют свои преимущества и свои недостатки. Если рассматривать именно лабораторный блок питания, то из плюсов будет то, что он имеет небольшие габариты при большой мощности, кроме того данный блок питания имеет пассивное охлаждение (но к этому мы еще вернемся при тестах).
Из минусов обычно упоминают повышенный уровень пульсаций и большую емкость на выходе, но к этому мы также еще вернемся.
Габариты данного БП составляют 192х120х58мм с учетом всех выступающих частей.

Компоновка передней панели вполне удобная, хотя и не без недостатков. Мне не очень понравилось то, что выходные клеммы и выключатель питания размещены сзади. И если к расположению выходных клемм можно приспособиться, то выключатель питания сзади не очень удобен.
На передней панели кроме органов управления находится и индикатор установленного и реального выходного напряжения и тока. В данной модели применен четырехразрядный индикатор напряжения и трехразрядный индикатор тока.
Существует модель с четырехразрядным индикатором тока, она немного удобнее, но и дороже.
В данной модели ток до одного ампера отображается в формате ххх.мА, более 1 Ампера — х.хх.А, о переходе на первый режим измерения уведомляет правая точка индикатора.

Также на передней панели присутствуют индикаторы —
Режима стабилизации напряжения
Стабилизации тока, этот блок питания не имеет отключения нагрузки при превышении установленного тока, а переходит в режим ограничения на установленном значении.
Режима блокировки органов управления.
Установка тока и напряжения происходит при помощи энкодера. Вращение — уменьшение/увеличение, нажатие — выбор дискретности изменения.
Энкодер один, поэтому присутствует переключатель выбора регулировки, регулировать ток или напряжение.
Справа внизу расположены две кнопки, блокировка управления и включение подачи напряжения на выходные клеммы

Сзади все просто и скромно, две выходные клеммы, переключатель входного напряжения, выключатель питания и разъем питания.
Особое внимание надо обращать на то, в каком положении стоит переключатель напряжения питания. Если в сети 230 вольт и переключатель выставить в режим 110 Вольт то последствия будут печальными.
Выходные клеммы вполне нормальные, для тока в 5 Ампер более чем достаточно.

Весь корпус выполнен из анодированного алюминия и представляет собой большой радиатор.
Данная конструкция подразумевает не только неплохой отвод тепла, а и довольно жесткую конструкцию, блок питания кажется монолитным.

Снизу ребер охлаждения нет, но присутствуют четыре небольшие ножки. Эти ножки мне чем то напомнили старые советские шашки, такие же по виду и такие же скользкие, я бы советовал приклеить кусочки резины.
Вообще ножки изготовлены из либо мягкой пластмассы либо твердой резины, вроде ногтем можно немного продавить, но по гладкому столу скользят.

При включении блок питания сразу включается в режим — Выключено, автоматической подачи напряжения на выход нет, это по своему хорошо, но было бы еще лучше если бы можно было выбирать, включаться или нет после подачи питания.
Корректив, оказывается есть выбор, подавать напряжение на выход или нет после включения.
Для этого надо зажать кнопку on/off и покрутить энкодер пока не будет надпись (появляется не сразу) — dON, чтобы вернуть обратно надо сделать то же самое пока не будет надписи dOF.

Максимально можно выставить немного больше заявленных параметров, 32.3 Вольта и 5.1 Ампера.
При переключении выбора дискреты регулировки соответствующий разряд индикатора подсвечивается более ярко. Т.е. регулируем десятые доли вольта, значит подсвечивается самый правый разряд.
После прекращения процесса регулировки индикатор начинает светиться равномерно и переходит в режим отображения текущего значения выходного напряжения, если напряжение на выход не подается, то будет отображено 00.00
В процессе экспериментов было замечено, что присутствует небольшая паразитная засветка одного из разрядов от соседнего, это можно увидеть на фото. Не критично, но это есть.

Первым делом я решил проверить насколько точно вольтметр блока питания отображает выходное напряжение, для этого я прогнал его по всему диапазону от 1 Вольта до 32.30 через каждые 5 Вольт.
Нарекания были только по краям диапазона, при напряжении в 1 Вольт и 32.30, в остальных контрольных точках напряжение отображалось очень точно.


При измерении я выставлял соответствующее напряжение, после этого БП переходил в режим отображения выходного напряжения. Для того чтобы БП не работал совсем без нагрузки (для импульсного БП это сложный режим) я прицепил по выходу небольшую «нагрузку» в виде резистора сопротивлением 1 кОм. Кстати на фото заодно можно посмотреть как работает измерение тока на малых значениях, выходной ток в мА равен выходному напряжению в вольтах.
В процессе измерений резистор немного подгорел так как 32 Вольта для него это многовато.

После измерения точности отображения выходного напряжения я захотел проверить наверное самый критичный параметр для импульсного блока питания — величину пульсаций напряжения на выходе.
Проверять я сразу решил при максимальном заявленном токе — 5 Ампер и при разных напряжениях, от 5 Вольт до максимума.
Щуп осциллографа стоял в положении 1:1 и выбрано было 50мВ на деление, режим работы входа — АС.
Как эквивалент нагрузки использовалась электронная нагрузка.
Внешне выглядело как то так.

При малых напряжениях я вообще не заметил каких либо заметных пульсаций, разве что при напряжении в 10 Вольт осциллограмма начала показывать «признаки жизни»
Заодно на фото можно посмотреть как БП держит напряжение при почти максимальном токе нагрузки (вольтметр слева).

Увеличение выходного напряжения до 15 и 20 Вольт ситуацию практически не изменило, пульсации остались точно на том же уровне что и при 10.

Попробовал при 25 и 30 Вольт, у меня сложилось впечатление что я вообще ничего не меняю, даже начал проверять разъем подключения осциллографа, но все было подключено нормально.

В конце я выставил на выходе почти максимум того, что может быть БП, 32.3 Вольта и 5.08 Ампера. Больше я не выставлял так как электронная нагрузка стабилизирует ток и при переходе БП в режим стабилизации тока напряжение на выходе падало до нуля и нагрузка автоматически отключалась. Это не поломка, это поведение обусловленное логикой работы этой связки.

Но у меня было чувство что я вообще делаю постоянно один и тот скриншот, хорошо что осциллограммы были пронумерованы, иначе я 100% бы запутался.
Мало того что разницы в уровне пульсаций между 10 Вольт и 32.3 нет вообще, так еще и уровень пульсаций находится на очень достойном уровне, при заявленных 30мВ р-р реально БП обеспечивает около 10мВ, это более чем отличный результат, в 3 раза превышающий заявленные характеристики.

Проверив точность отображения выходного напряжения и уровень пульсаций выходного напряжения я перешел к проверке еще одного параметра, точности отображения выходного тока.
При малых токах есть небольшие нарекания к точности измерения, обусловлено это тем, что АЦП прибора имеет небольшую разрядность и на малых токах начинает показывать с дискретностью не в 1 знак, а 3-4 последних знака.
Как это проявляется, можно увидеть на фото ниже.

При бОльших токах нагрузки все приходит в норму, а при токах нагрузки более 1 Ампера показания отображаются с завидной точностью.

Показания отображаются знак в знак вплоть до максимального выходного тока.
Испытания проходили при выходном напряжении в 15 Вольт, это напряжение было выбрано как примерная середина от максимального.

Как то в комментариях видел вопрос, а зачем много измерительных приборов?
Ниже на фото наглядный пример одновременного использования нескольких приборов.

Вторая часть знакомства с этим блоком питания мне была любопытна не меньше, а может и дальше больше чем первая. Конечно это разборка.
До этого я уже видел на фото внутренности, но одно дело видеть, второе — пощупать все самому.
Передняя панель прибора крепится на декоративные винты с внутренним шестигранником, задняя на обычные винты с головкой под крестовую отвертку.

Изначально я взял биту под шестигранник и приготовился отвинчивать переднюю панель, но на самом деле, для частичной разборки, удобнее отвинчивать заднюю.

Отвинчиваем четыре винта, крепящие заднюю панель и сдвигаем дно в сторону задней панели.

Вот оно, чудо инженерной мысли китайских разработчиков. Хотя практика показывает, что большая часть таких устройств является клонами от устройств более именитых производителей, но по поводу данного устройства я ничего утверждать не буду.
Первое впечатление — аккуратно, второе — очень аккуратно!
Плата внутри занимает не все пространство, даже осталось свободное место, это хорошо.

Дальше будет довольно много фотографий внутренностей, кому то может показаться что они лишние, но если честно, то я и так при подготовке материала сокращал их количество как мог, но когда вещь собрана хорошо, то хочется показать ее со всех сторон. Считайте это небольшой моей слабостью
А с другой стороны, я хотел показать так, как сам бы хотел видеть обзор такого устройства.

Хорошо видно большое количество трансформаторов и дросселей.
Вообще устройство содержит 7 моточных узлов, распишу их.
Два входных дросселя
Трансформатор питания электроники
Развязывающий трансформатор для управления высоковольтными транзисторами
Силовой трансформатор
Выходной дроссель инвертора
Помехоподавляющий выходной дроссель.

Сборка качественная, я бы даже сказал что почти на уровне промышленных устройств.

Но конечно не обошлось и без небольших «косячков», первое что я заметил, это то что провод к переключателю диапазона входного напряжения проходит в опасной близости к шунту измерения выходного тока. С ним мы разберемся позже, а насчет остального впечатления пока только положительные, монтаж довольно свободный.
Кстати, измерил падение на шунте при токе в 5 Ампер, оно составило ровно 75мВ, что дает нам сопротивление шунта 15мОм.

На входе установлена сборка из четырех конденсаторов, 2шт 100мкФ и 2шт 180мкФ, интересно что одна пара производства Capxon, вторая Samxon. Не скажу что это верх совершенства, но и безродными эти конденсаторы точно не назовешь, вполне себе средний класс.
Выбор такой комбинации конденсаторов обусловлен желанием разработчиков впихнуть все в небольшой корпус, причем ключевым была высота корпуса.
Конденсаторы на большую емкость обычно имеют и большую высоту. Я недавно пытался подобрать емкие и низкие конденсаторы типа 680х200 Вольт, не нашел пока.
Но разработчики вполне могли поставить и четыре по 180, было бы только лучше.
Конденсаторы имеют реальную емкость и в сумме обеспечивают эквивалент 140мкФ (100+180)/2.
Эта емкость вполне достаточна для 160 Ватт выходной мощности.
Кстати, собственное потребление БП очень мало, при отключении питания и отключенной нагрузке он еще продолжает работать около 10 секунд питаясь от конденсаторов.

На выходе применена примерно такая же связка фирм производителей, 2200мкФ Capxon и 1000мкФ Samxon.
Расстроило то, что конденсаторы рассчитаны на 35 Вольт. На мой взгляд этого мало и корректнее было бы применить конденсаторы на 50 Вольт.
В оправдание разработчиков можно сказать лишь то, что у БП собранных по топологии обозреваемого (это полумостовой БП) меньше выбросы напряжения и БП не всегда работает при максимальном выходном напряжении.
Также на фото виден помехоподавляющий дроссель.

Фото отдельных узлов.
Высоковольтные транзисторы имеют изолированный корпус и кроме того между корпусом и транзисторами присутствует изолирующая теплопроводящая прокладка, диодный мост также привинчен к радиатору, хотя для него это было и не обязательно.
На выходные диодные сборки одеты специальные изоляторы, закрывающие корпус целиком.
Корпус устройства соединяется с земляным контактом печатной платы и соответственно с контактом заземления разъема питания.
Мало того, когда я разбирал дальше, то увидел что не забыли проложить и специальную шайбу. И даже не просто проложили, а проложили в правильном месте, между лепестком и корпусом!
Кто то скажет, что такого в наличии шайбы или дополнительном изоляторе. Отвечу — любой инженер скажет, что такой подход показывает культуру производства устройства, потому как если начинают экономить, то обычно вот с таких мелочей, то изолятор посчитали лишним, то шайбу не поставили, или поставили не так.
Т.е. судя даже по осмотру могу сказать, что контроль производства есть и он работает.

Открутив все винты, прижимающие элементы к корпусу, я смог вынуть плату из корпуса (вынимается она аналогично дну).

Вот теперь можно перейти к еще более детальному осмотру.
Но предварительно я уберу один из небольших «косячков», провод проходящий около шунта.
Выше я писал что около шунта проходит провод к переключателю выбора диапазона входного напряжения.
В нашей местности этот переключатель мало того что бесполезен, а иногда и вреден, даже случайное его переключение выпалит блок питания в считанные секунды, потому я этот выключатель просто убираю из схемы.
Данная переделка не подходит для жителей тех стран, где в сети напряжение 100-120 Вольт, им придется провод изолировать.

Дорабатывается БП очень просто. Находим куда подключены провода от переключателя.

И просто выпаиваем их
Все, проблема решена на глобальном уровне, нет провода — нет проблемы.

Входной фильтр заслуживает отдельного внимания.
Я обозревал довольно много разных БП, но в данном случае входной фильтр собран так, как положено, можно использовать как образец.

На входе стоит предохранитель, за ним стоит варистор для защиты от повышенного входного напряжения и выбросов. Варистор рассчитан на 470 Вольт, это стандартное напряжение для варисторов в этой цепи, бывает еще 430 Вольт, но они встречаются реже.
1. Можно сделать замечание, варистор не будет работать при напряжении питающей сети в 100-120 Вольт и корректнее ставить их два, но параллельно высоковольтным электролитам, но у нас в сети 230 Вольт и нам установленный вариант подходит более чем полностью.
2. На входе установлен MKP конденсатор класса Х2, рядом установлен небольшой двухобмоточный дроссель.
3. В устройстве применены правильные конденсаторы класса Y1, это то, что я обычно ругаю при осмотре дешевых блоков. Здесь все отлично.
4. В фильтре питания применено два двухобмоточных дросселя, также виден термистор для ограничения тока заряда конденсаторов.
За такой фильтр питания производителю большой плюс, часто применяют одну степень фильтрации, здесь же правильный фильтр с двумя двухобмоточными дросселями, такое я видел только в фирменных устройствах.

Схема входного фильтра питания.

1. В инверторе применены полевые высоковольтные транзисторы f13nk50z со встроенным стабилитроном защищающим затвор от всплесков напряжения.
2. На входе установлен диодный мост GBU407, он рассчитан на 4 Ампера 700 Вольт (1000 в пике).
3. Выходные диодные сборки MUR1640CT, 16 Ампер 400 Вольт, причем включены они немного непривычно, но одновременно и правильно. Корректность включения заключается в том, что они не запараллелены, как это обычно бывает, а одна сборка выполняет функцию одного диода выпрямителя, вторая — другого. Такое включение улучшает работу диодов, так как запараллелены диоды находящиеся внутри одного компонента, на одном кристалле.
4. Моточные узлы даже пытались пропитывать лаком, может и не пропитывали, но покрыть лаком пытались однозначно.

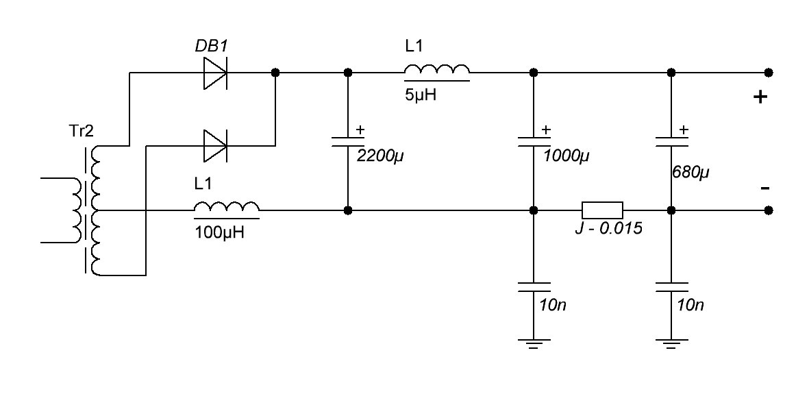
Схема выходного выпрямителя и фильтра. Отмечу правильное включение фильтра от помех и токоизмерительного шунта.

1. ШИМ контроллер, ну тут классика в виде TL494. Разработчики пошли привычным и правильным путем применив «аппаратный» ШИМ контроллер которым уже управляет процессор, это обеспечивает хорошую точность поддержания напряжения и тока, а также более быструю реакцию на изменение нагрузки.
ШИМ контроллер расположен на вторичной стороне и питается от отдельного источника питания.
2. Вся электроника блока питания питается от отдельного источника, собранного на базе TNY274.
Меня обрадовало то, что разработчики применили вполне распространенные комплектующие, которые можно купить в оффлайне, а не китайские аналоги, которые можно купить только на ебее или Али.

Принципиальную схему я не чертил, так как это заняло бы совсем неприличное количество времени, но нарисовал примерную блок-схему устройства.

К печатной плате были замечания. Флюс, после монтажа некоторых конденсаторов, не смыт.
Меня это даже удивило, особенно на фоне очень аккуратной сборки. Я не скажу что это критично, но неприятно.
Может контролер, который следит за соблюдением техпроцесса, отошел покурить и в это время как раз паяли мою плату.
Общее фото платы.

Так как на общем фото платы не видно маркировку всех элементов, то дальше я покажу несколько фото отдельных узлов, возможно это поможет кому нибудь в ремонте.
Так как в инверторе применены полевые транзисторы, а сам узел изначально задумывался под управление биполярными, то инженеры немного доработали схему управления, добавив мелкие транзисторы. Насколько я понимаю, они нужны для более надежного закрытия полевых транзисторов.

В данном БП применен развязывающий трансформатор отличающийся от стандартного для БП типа АТХ (хотя схема частично и похожа). Стандартный трансформатор для работы с биполярными транзисторами содержит больше обмоток, две первичные и три вторичные, здесь же это развязывающий трансформатор в чистом виде.
Первичная обмотка подключена к мосту из четырех небольших транзисторов которыми управляет TL494. У трансформатора две выходные обмотки для управления верхним и нижним высоковольтным транзистором.
Все это обусловлено тем, что в инверторе применены полевые транзисторы, а также это облегчает работу инвертора в широком диапазоне заполнения ШИМ вплоть до полного отключения.

Узел «обвязки» TL494 (справа) и некоторые элементы снаббера высоковольтной цепи (справа).

Узел выходного вторичного питания (вверху) и узел усилителя сигнала с шунта.
Блок питания внутренней электроники выдает два напряжения. Одно питает ШИМ контроллер, второе — электронику управления и индикации.

Как ни странно, но производитель покрыл лаком этот узел, пришлось отмывать лак с микросхемы чтобы узнать что они здесь применили.
В данном случае это банальный LM358. Характеристики его далеки от идеала, но вполне достаточны для конкретного применения, можно заменить, но не думаю что это улучшит что либо.

После осмотра я немного отмыл флюс с печатной платы и покрыл ее слоем лака.
Отчасти чтобы восстановить лак там, где я его смыл, да и просто для общей дополнительной защиты.

С осмотром силовой платы закончили, перейдем к плате управления.
Размещена она на передней панели, флюс также частично не смыт (контролер видимо часто отходил покурить, пора бросать), но в данном месте это не критично.

Откручиваем три винта, которыми привинчена плата управления к передней панели.

Да..., а индикатор можно было поставить и ровнее. Я это заметил сразу и потому разбирал всю конструкцию отчасти и для того чтобы выровнять его. Благо доступ к индикатору несложный, четыре винта на передней панели и три винта крепления печатной платы.
По большому счету большинство скорее всего этого и не заметит, и это точно никаким образом не сказывается на работе и характеристиках БП, но как говорится «осадочек остался».
Больше замечаний как то не возникло, вроде на вид все аккуратно.


1. В качестве «мозга» применен 8 бит микроконтроллер STM8S105K4T6.
2. Индикацией управляет он через пару регистров 74HC595, которые служат для усиления тока и расширения количества выводов.
3. Питается все это «безобразие» от линейного стабилизатора 3.3 Вольта.
4. На этой плате установлен еще один операционный усилитель, и тоже LM358.

Также на плате был замечен термодатчик. Судя по инструкции устройство имеет защиту от перегрева, но в штатном режиме работы перегреть у меня его не получилось.

Переднюю панель осмотрели, больше ничего интересного на ней не обнаружено
Про заднюю панель я вспомнил тогда, когда уже собирался скручивать все обратно.
На задней панели также присутствуют некоторые детали
Но также нет одной необходимой и полезной детали, которую почему то забыли, выходного предохранителя. Если подключить к блоку питания аккумулятор в обратной полярности, то как минимум выгорят выходные провода, предохранитель лучше добавить, ток — 6-7 Ампер.

Прямо на выходных клеммах установлена небольшая печатная плата, на которой расположен один из выходных конденсаторов.
Вторая печатная плата распаяна на контактах выключателя питания. Примечательно то, что мало того что установили отдельную небольшую плату, так еще и разрывает включатель оба сетевых провода, что является правильным, особенно для импульсных БП.

Заодно измерил реальную емкость конденсаторов входного фильтра.
Не обманули, все совпадает. Выше я давал расчет, почему должно быть 140 мкФ, повторю его здесь — 100мкФ + 180мкФ = 280мкФ на параллельно включенных конденсаторах.
Так как конденсаторы на 200 Вольт, то включены они еще и последовательно, что дает 280/2=140мкФ.

Уже после сборки всего этого я решил проверить нагрев элементов внутри бока питания.
Так как остальные параметры я уже измерил, то в тесте было гораздо меньше «участников».
Блок питания
Электронная нагрузка
Бесконтактный термометр
Ручка и бумажка.

Тест продолжался 1 час 40 минут. Проверялась температура с интервалами в 20 минут и током кратным 1.25 Ампера.
В конце был дополнительный 20 минутный прогон на максимальном токе и напряжении.

Все результаты измерений были сведены в таблицу.
Пускай вас не удивляет чуть большая изначальная температура диодов, дело в том, что БП лежал на столе, а над ним была настольная лампа с галогенкой, которая немного подогрела эту сторону корпуса.
В целом результаты неплохие, но дополнительный прогон на максимальном токе показал, что при большой температуре воздуха может быть перегрев трансформатора. например если при 25 градусах это 88, то при 35 будет уже 98, что близко к критичной. Я бы не советовал длительно эксплуатировать блок питания на максимальной мощности при высокой температуре.
Можно немного улучшить ситуацию, проложив между дном и трансформатором кусочек теплопроводящей резины, но задвинуть дно в таком состоянии будет очень проблематично.
Все эти проблемы связаны с тем, что у БП пассивное охлаждение, как говорится — палка о двух концах.
Температура остальных узлов была в допустимых рамках. Корпус под максимальной нагрузкой разогрелся примерно до 55 градусов, держать в руках можно, но неприятно.
Заодно под конец измерил температуру ШИМ контроллера питания электроники (TNY274), она составила 67 градусов, что вполне отлично.

В качестве одного из вариантов применения я решил зарядить аккумулятор, понятно что использовать лабораторный БП как зарядное устройство можно, хотя и как то неправильно
Подключил аккумулятор и...., получил срабатывание защиты от превышения напряжения на выходе. Дело в том, что на выходе было выставлено 10 Вольт, а на аккумуляторе было заметно больше и БП посчитал это аварийной ситуацией, выход я даже не включал.
Для того чтобы выйти из этой ошибки надо отключить аккумулятор, перещелкнуть тумблер выбора ток/напряжение и выставить напряжение на выходе больше чем напряжение аккумулятора.

Все, процесс пошел, ток заряда выставлен 1 Ампер, БП работает в режиме стабилизации тока.
Кстати я пробовал коротить клеммы (без аккумулятора конечно) при включенном выходе, тихий щелчок и БП переходит в режим стабилизации тока.

Если поднять ток выше, то напряжение на клеммах аккумулятора поднимается до установленного порога (аккумулятор старенький) и БП переходит в режим стабилизации напряжения.
Можно нажать кнопку блокировки органов управления и оставить аккумулятор заряжаться.

Небольшой комментарий по поводу особенностей управления.
примерно полторы недели я пользовался этим блоком питания в штатном режиме, потому могу вполне описать ощущения от пользования данным аппаратом.
Выключатель питания — удобен если БП стоит на столе, но неудобен если стоит на полке.
Выходные клеммы — особенно непринципиально, включил и забыл.
Нагрев — при штатной работе в качестве питателя разных устройств нагрев был небольшой, самый большой был только при тестах.
Индикатор — на фото он выглядит хуже чем в реальной жизни, светодиодная индикация удобна лучшей читаемостью, хотя светофильтр я бы добавил.
Управление, ну это вообще большая тема, попробую описать.
Сначала логика управления и индикации мне была не очень привычна, БП то имеет только два индикатора, а по хорошему надо четыре или пять (пятый для отображения мощности).
Регулировка одновременно и удобна и неудобна.
Удобно тем, что в реальности чаще всего регулируешь только один параметр и одного энкодера достаточно, да и переключение между режимами не вызывает проблем.
Неудобно тем, что если БП вышел из режима управления, то для возврата надо делать один лишний щелчок энкодером (перевод в режим отображения установленного параметра), второй щелчок регулирует.
Ну и на время регулировки оба индикатора переходят в режим отображения установленного значения. но тут ничего не поделаешь, издержки минимализма.
Но самое неудобное было то, что после перехода в режим отображения параметров на выходе и попытке опять изменить параметры БП включает режим управления с минимальной дискретой.
Например я регулировал десятые доли вольта, отпустил ручку, БП перешел в нормальный режим, и если я потом решил еще увеличить/уменьшить, то регулировать я буду сотые доли, или надо нажать на энкодер. Меня это раздражало, хотя привыкнуть можно. Я думаю разработчики вполне могли сделать память последнего режима работы, было бы удобнее.
Итак резюме.
Плюсы
Довольно качественная сборка. ну может за исключением мелочей типа плохой смывки флюса и криво установленного индикатора, но это не влияет ни на надежность ни на качество работы.
Общая продуманность конструкции.
Качественные компоненты
Хорошая схемотехника
Очень низкий уровень пульсаций
БП обеспечивает отличные характеристики во всем диапазоне выходных напряжения и токов
Один из немногих БП где производитель не экономил, может почти не экономил
Минусы
Выключатель питания на задней стенке
Отсутствие предохранителя по выходу
Есть небольшие огрехи сборки, описал в плюсах.
Некоторое неудобство управления, возможно дело привычки.
Тонкие выходные провода в комплекте, менять однозначно.
Большая емкость на выходе, из-за этого не рекомендуется подключать проверяемый элемент к БП если у него подано напряжение на выход (например маломощные светодиоды и т.п.), но это недостаток почти всех импульсных БП. сначала надо подключить нагрузку и только потом включить подачу напряжения на выход.
Мое мнение. Нормальный добротный блок питания, с хорошими техническими характеристиками.
Можно конечно поругать за флюс и т.п., но это мелочи на фоне того, что блок питания собран действительно правильно. Уровень пульсаций по выходу очень приятно удивил, я не ожидал.
Также измерение тока и напряжения обеспечивает хорошую точность. По напряжению есть небольшие замечания на краях диапазона, по току только в начале, но как по мне точность для устройства такого класса вполне хорошая.
В общем БП мне понравился, действительно интересный и качественный питальник для радиолюбителя. Я могу конечно найти недостатки где угодно, но здесь пропорция достоинств и недостатков явно перевешивает в сторону достоинств.
В общем тот редкий случай...., когда почти не накосячили и сделали устройство с характеристиками лучше заявленных.
Надеюсь что обзор был полезен и поможет сделать правильный выбор.
Если есть вопросы, дополнения, будут рад ответить или попробовать какие нибудь еще тесты.
Перейти в магазин
Но в данном случае это изначально планировался обзор блока питания. Я его видел и раньше, потому мне от этого еще интереснее было пощупать его самому и рассказать о своих впечатлениях другим.
Тесты, разборка, анализ, все как всегда и на том же месте

Иногда можно подумать, что я оставляю слишком хорошие отзывы о товарах. Отчасти это вызвано не моим стремлением похвалить товар, а тем, что я всегда стараюсь внимательно выбирать товары для обзоров, а некоторые я сам прошу добавить к ассортименту.
Данный товар как раз и относится к категории тех, которые я попросил добавить, и понятно что я потом решил написать обзор

Но это так, лирическое отступление, а мы перейдем к делу, т.е. к осмотру, тестированию и прочим интересным делам.
Распаковка
Кроме полиэтиленового конверта присутствовала какая то мягкая бумага
Которая к сожалению не смогла защитить родную коробочку, но так как БП довольно крепкий то ему особо ничего не грозило.
На коробке присутствует небольшая наклеечка на которой в двух словах и цифрах написано что внутри.
Внутри все довольно простенько, БП в плотном пакете, по бокам вставлены кусочки пенопласта, сидит плотно, не болтается.
Вот собственно весь комплект. Вообще комплектация лабораторного БП не подразумевает кучу аксессуаров, дали в общем все необходимое.
Кабель питания
Кабель для подсоединения нагрузки
Инструкция
Блок питания
Инструкция на английском. Не скажу что в ней куча информации, но необходимый минимум точно присутствует. Хотя такие вещи обычно покупают люди, которые понимают что это такое и зачастую инструкция нужна лишь в самом начале и просто как подсказка.
Данный блок питания выпускается в куче модификаций (по идее должно быть около шести).
Три версии с разным выходным напряжением и максимальным током и две модификации с трех или четырехразрядным индикатором тока.
У меня вариант CPS-3205, максимальное выходное напряжение 32 Вольта, максимальный ток 5 Ампер.
В инструкции это средняя колонка в описании характеристик. Напоминаю, все фото в обзоре кликабельны.
Также в комплекте дали кабель для подсоединения к нагрузке. Честно, кабель шлак. Когда я получил этот БП, то естественно хотелось его хоть попробовать

В качестве нагрузки я взял автомобильную лампу 12 вольт 45 Ватт, но так как она просто лежала на столе, то я не включал ее надолго, стол мне еще пригодится
Но когда я закончил играться, то провод был ненамного холоднее лампы. Правда стоит сказать, что я его не распутывал, а пробовал как есть.Сечение кабеля совсем никакое, такой кабель лучше сразу заменить на что нибудь поприличнее.
А вот разъемы и крокодилы вполне годные, потому можно заменить только сам кабель.
К кабелю питания у меня претензий не было, за исключением той мелочи, что мне случайно прислали (или это я случайно заказал) кабель под американскую розетку

Хорошо то, что подходит обычный компьютерный кабель, потому проблемы это не составило, просто достал из ящика первый попавшийся.
Ладно, понимаю что кабели рассматривать никому неинтересно, потому перейду к блоку питания.
Первое что бросается в глаза, это небольшие размеры. Думаю все понимают, что БП такой мощности и таких габаритов обычно импульсные.
Импульсные блоки питания имеют свои преимущества и свои недостатки. Если рассматривать именно лабораторный блок питания, то из плюсов будет то, что он имеет небольшие габариты при большой мощности, кроме того данный блок питания имеет пассивное охлаждение (но к этому мы еще вернемся при тестах).
Из минусов обычно упоминают повышенный уровень пульсаций и большую емкость на выходе, но к этому мы также еще вернемся.
Габариты данного БП составляют 192х120х58мм с учетом всех выступающих частей.
Компоновка передней панели вполне удобная, хотя и не без недостатков. Мне не очень понравилось то, что выходные клеммы и выключатель питания размещены сзади. И если к расположению выходных клемм можно приспособиться, то выключатель питания сзади не очень удобен.
На передней панели кроме органов управления находится и индикатор установленного и реального выходного напряжения и тока. В данной модели применен четырехразрядный индикатор напряжения и трехразрядный индикатор тока.
Существует модель с четырехразрядным индикатором тока, она немного удобнее, но и дороже.
В данной модели ток до одного ампера отображается в формате ххх.мА, более 1 Ампера — х.хх.А, о переходе на первый режим измерения уведомляет правая точка индикатора.
Также на передней панели присутствуют индикаторы —
Режима стабилизации напряжения
Стабилизации тока, этот блок питания не имеет отключения нагрузки при превышении установленного тока, а переходит в режим ограничения на установленном значении.
Режима блокировки органов управления.
Установка тока и напряжения происходит при помощи энкодера. Вращение — уменьшение/увеличение, нажатие — выбор дискретности изменения.
Энкодер один, поэтому присутствует переключатель выбора регулировки, регулировать ток или напряжение.
Справа внизу расположены две кнопки, блокировка управления и включение подачи напряжения на выходные клеммы
Сзади все просто и скромно, две выходные клеммы, переключатель входного напряжения, выключатель питания и разъем питания.
Особое внимание надо обращать на то, в каком положении стоит переключатель напряжения питания. Если в сети 230 вольт и переключатель выставить в режим 110 Вольт то последствия будут печальными.
Выходные клеммы вполне нормальные, для тока в 5 Ампер более чем достаточно.
Весь корпус выполнен из анодированного алюминия и представляет собой большой радиатор.
Данная конструкция подразумевает не только неплохой отвод тепла, а и довольно жесткую конструкцию, блок питания кажется монолитным.
Снизу ребер охлаждения нет, но присутствуют четыре небольшие ножки. Эти ножки мне чем то напомнили старые советские шашки, такие же по виду и такие же скользкие, я бы советовал приклеить кусочки резины.
Вообще ножки изготовлены из либо мягкой пластмассы либо твердой резины, вроде ногтем можно немного продавить, но по гладкому столу скользят.
При включении блок питания сразу включается в режим — Выключено, автоматической подачи напряжения на выход нет, это по своему хорошо, но было бы еще лучше если бы можно было выбирать, включаться или нет после подачи питания.
Корректив, оказывается есть выбор, подавать напряжение на выход или нет после включения.
Для этого надо зажать кнопку on/off и покрутить энкодер пока не будет надпись (появляется не сразу) — dON, чтобы вернуть обратно надо сделать то же самое пока не будет надписи dOF.
Максимально можно выставить немного больше заявленных параметров, 32.3 Вольта и 5.1 Ампера.
При переключении выбора дискреты регулировки соответствующий разряд индикатора подсвечивается более ярко. Т.е. регулируем десятые доли вольта, значит подсвечивается самый правый разряд.
После прекращения процесса регулировки индикатор начинает светиться равномерно и переходит в режим отображения текущего значения выходного напряжения, если напряжение на выход не подается, то будет отображено 00.00
В процессе экспериментов было замечено, что присутствует небольшая паразитная засветка одного из разрядов от соседнего, это можно увидеть на фото. Не критично, но это есть.
Первым делом я решил проверить насколько точно вольтметр блока питания отображает выходное напряжение, для этого я прогнал его по всему диапазону от 1 Вольта до 32.30 через каждые 5 Вольт.
Нарекания были только по краям диапазона, при напряжении в 1 Вольт и 32.30, в остальных контрольных точках напряжение отображалось очень точно.
При измерении я выставлял соответствующее напряжение, после этого БП переходил в режим отображения выходного напряжения. Для того чтобы БП не работал совсем без нагрузки (для импульсного БП это сложный режим) я прицепил по выходу небольшую «нагрузку» в виде резистора сопротивлением 1 кОм. Кстати на фото заодно можно посмотреть как работает измерение тока на малых значениях, выходной ток в мА равен выходному напряжению в вольтах.
В процессе измерений резистор немного подгорел так как 32 Вольта для него это многовато.
После измерения точности отображения выходного напряжения я захотел проверить наверное самый критичный параметр для импульсного блока питания — величину пульсаций напряжения на выходе.
Проверять я сразу решил при максимальном заявленном токе — 5 Ампер и при разных напряжениях, от 5 Вольт до максимума.
Щуп осциллографа стоял в положении 1:1 и выбрано было 50мВ на деление, режим работы входа — АС.
Как эквивалент нагрузки использовалась электронная нагрузка.
Внешне выглядело как то так.
При малых напряжениях я вообще не заметил каких либо заметных пульсаций, разве что при напряжении в 10 Вольт осциллограмма начала показывать «признаки жизни»
Заодно на фото можно посмотреть как БП держит напряжение при почти максимальном токе нагрузки (вольтметр слева).
Увеличение выходного напряжения до 15 и 20 Вольт ситуацию практически не изменило, пульсации остались точно на том же уровне что и при 10.
Попробовал при 25 и 30 Вольт, у меня сложилось впечатление что я вообще ничего не меняю, даже начал проверять разъем подключения осциллографа, но все было подключено нормально.
В конце я выставил на выходе почти максимум того, что может быть БП, 32.3 Вольта и 5.08 Ампера. Больше я не выставлял так как электронная нагрузка стабилизирует ток и при переходе БП в режим стабилизации тока напряжение на выходе падало до нуля и нагрузка автоматически отключалась. Это не поломка, это поведение обусловленное логикой работы этой связки.
Но у меня было чувство что я вообще делаю постоянно один и тот скриншот, хорошо что осциллограммы были пронумерованы, иначе я 100% бы запутался.
Мало того что разницы в уровне пульсаций между 10 Вольт и 32.3 нет вообще, так еще и уровень пульсаций находится на очень достойном уровне, при заявленных 30мВ р-р реально БП обеспечивает около 10мВ, это более чем отличный результат, в 3 раза превышающий заявленные характеристики.
Проверив точность отображения выходного напряжения и уровень пульсаций выходного напряжения я перешел к проверке еще одного параметра, точности отображения выходного тока.
При малых токах есть небольшие нарекания к точности измерения, обусловлено это тем, что АЦП прибора имеет небольшую разрядность и на малых токах начинает показывать с дискретностью не в 1 знак, а 3-4 последних знака.
Как это проявляется, можно увидеть на фото ниже.
При бОльших токах нагрузки все приходит в норму, а при токах нагрузки более 1 Ампера показания отображаются с завидной точностью.
Показания отображаются знак в знак вплоть до максимального выходного тока.
Испытания проходили при выходном напряжении в 15 Вольт, это напряжение было выбрано как примерная середина от максимального.
Как то в комментариях видел вопрос, а зачем много измерительных приборов?
Ниже на фото наглядный пример одновременного использования нескольких приборов.
Вторая часть знакомства с этим блоком питания мне была любопытна не меньше, а может и дальше больше чем первая. Конечно это разборка.
До этого я уже видел на фото внутренности, но одно дело видеть, второе — пощупать все самому.
Передняя панель прибора крепится на декоративные винты с внутренним шестигранником, задняя на обычные винты с головкой под крестовую отвертку.
Изначально я взял биту под шестигранник и приготовился отвинчивать переднюю панель, но на самом деле, для частичной разборки, удобнее отвинчивать заднюю.
Отвинчиваем четыре винта, крепящие заднюю панель и сдвигаем дно в сторону задней панели.
Вот оно, чудо инженерной мысли китайских разработчиков. Хотя практика показывает, что большая часть таких устройств является клонами от устройств более именитых производителей, но по поводу данного устройства я ничего утверждать не буду.
Первое впечатление — аккуратно, второе — очень аккуратно!
Плата внутри занимает не все пространство, даже осталось свободное место, это хорошо.
Дальше будет довольно много фотографий внутренностей, кому то может показаться что они лишние, но если честно, то я и так при подготовке материала сокращал их количество как мог, но когда вещь собрана хорошо, то хочется показать ее со всех сторон. Считайте это небольшой моей слабостью

А с другой стороны, я хотел показать так, как сам бы хотел видеть обзор такого устройства.
Хорошо видно большое количество трансформаторов и дросселей.
Вообще устройство содержит 7 моточных узлов, распишу их.
Два входных дросселя
Трансформатор питания электроники
Развязывающий трансформатор для управления высоковольтными транзисторами
Силовой трансформатор
Выходной дроссель инвертора
Помехоподавляющий выходной дроссель.
Сборка качественная, я бы даже сказал что почти на уровне промышленных устройств.
Но конечно не обошлось и без небольших «косячков», первое что я заметил, это то что провод к переключателю диапазона входного напряжения проходит в опасной близости к шунту измерения выходного тока. С ним мы разберемся позже, а насчет остального впечатления пока только положительные, монтаж довольно свободный.
Кстати, измерил падение на шунте при токе в 5 Ампер, оно составило ровно 75мВ, что дает нам сопротивление шунта 15мОм.
На входе установлена сборка из четырех конденсаторов, 2шт 100мкФ и 2шт 180мкФ, интересно что одна пара производства Capxon, вторая Samxon. Не скажу что это верх совершенства, но и безродными эти конденсаторы точно не назовешь, вполне себе средний класс.
Выбор такой комбинации конденсаторов обусловлен желанием разработчиков впихнуть все в небольшой корпус, причем ключевым была высота корпуса.
Конденсаторы на большую емкость обычно имеют и большую высоту. Я недавно пытался подобрать емкие и низкие конденсаторы типа 680х200 Вольт, не нашел пока.
Но разработчики вполне могли поставить и четыре по 180, было бы только лучше.
Конденсаторы имеют реальную емкость и в сумме обеспечивают эквивалент 140мкФ (100+180)/2.
Эта емкость вполне достаточна для 160 Ватт выходной мощности.
Кстати, собственное потребление БП очень мало, при отключении питания и отключенной нагрузке он еще продолжает работать около 10 секунд питаясь от конденсаторов.
На выходе применена примерно такая же связка фирм производителей, 2200мкФ Capxon и 1000мкФ Samxon.
Расстроило то, что конденсаторы рассчитаны на 35 Вольт. На мой взгляд этого мало и корректнее было бы применить конденсаторы на 50 Вольт.
В оправдание разработчиков можно сказать лишь то, что у БП собранных по топологии обозреваемого (это полумостовой БП) меньше выбросы напряжения и БП не всегда работает при максимальном выходном напряжении.
Также на фото виден помехоподавляющий дроссель.
Фото отдельных узлов.
Высоковольтные транзисторы имеют изолированный корпус и кроме того между корпусом и транзисторами присутствует изолирующая теплопроводящая прокладка, диодный мост также привинчен к радиатору, хотя для него это было и не обязательно.
На выходные диодные сборки одеты специальные изоляторы, закрывающие корпус целиком.
Корпус устройства соединяется с земляным контактом печатной платы и соответственно с контактом заземления разъема питания.
Мало того, когда я разбирал дальше, то увидел что не забыли проложить и специальную шайбу. И даже не просто проложили, а проложили в правильном месте, между лепестком и корпусом!
Кто то скажет, что такого в наличии шайбы или дополнительном изоляторе. Отвечу — любой инженер скажет, что такой подход показывает культуру производства устройства, потому как если начинают экономить, то обычно вот с таких мелочей, то изолятор посчитали лишним, то шайбу не поставили, или поставили не так.
Т.е. судя даже по осмотру могу сказать, что контроль производства есть и он работает.
Открутив все винты, прижимающие элементы к корпусу, я смог вынуть плату из корпуса (вынимается она аналогично дну).
Вот теперь можно перейти к еще более детальному осмотру.
Но предварительно я уберу один из небольших «косячков», провод проходящий около шунта.
Выше я писал что около шунта проходит провод к переключателю выбора диапазона входного напряжения.
В нашей местности этот переключатель мало того что бесполезен, а иногда и вреден, даже случайное его переключение выпалит блок питания в считанные секунды, потому я этот выключатель просто убираю из схемы.
Данная переделка не подходит для жителей тех стран, где в сети напряжение 100-120 Вольт, им придется провод изолировать.
Дорабатывается БП очень просто. Находим куда подключены провода от переключателя.
И просто выпаиваем их

Все, проблема решена на глобальном уровне, нет провода — нет проблемы.
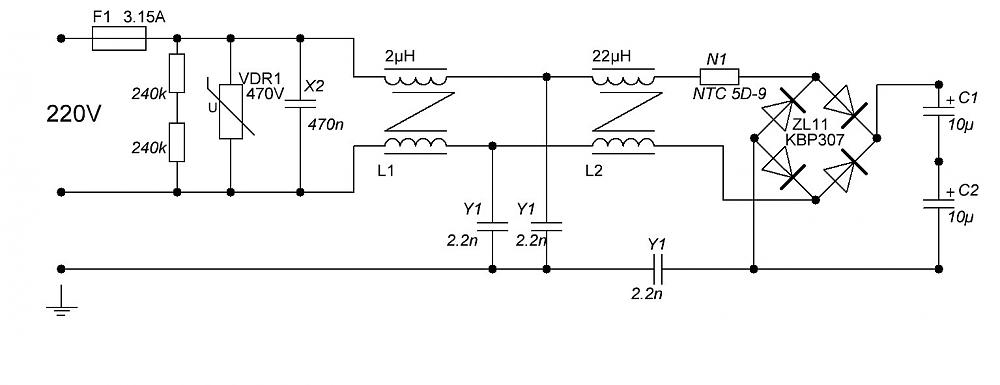
Входной фильтр заслуживает отдельного внимания.
Я обозревал довольно много разных БП, но в данном случае входной фильтр собран так, как положено, можно использовать как образец.
На входе стоит предохранитель, за ним стоит варистор для защиты от повышенного входного напряжения и выбросов. Варистор рассчитан на 470 Вольт, это стандартное напряжение для варисторов в этой цепи, бывает еще 430 Вольт, но они встречаются реже.
1. Можно сделать замечание, варистор не будет работать при напряжении питающей сети в 100-120 Вольт и корректнее ставить их два, но параллельно высоковольтным электролитам, но у нас в сети 230 Вольт и нам установленный вариант подходит более чем полностью.
2. На входе установлен MKP конденсатор класса Х2, рядом установлен небольшой двухобмоточный дроссель.
3. В устройстве применены правильные конденсаторы класса Y1, это то, что я обычно ругаю при осмотре дешевых блоков. Здесь все отлично.
4. В фильтре питания применено два двухобмоточных дросселя, также виден термистор для ограничения тока заряда конденсаторов.
За такой фильтр питания производителю большой плюс, часто применяют одну степень фильтрации, здесь же правильный фильтр с двумя двухобмоточными дросселями, такое я видел только в фирменных устройствах.
Схема входного фильтра питания.
1. В инверторе применены полевые высоковольтные транзисторы f13nk50z со встроенным стабилитроном защищающим затвор от всплесков напряжения.
2. На входе установлен диодный мост GBU407, он рассчитан на 4 Ампера 700 Вольт (1000 в пике).
3. Выходные диодные сборки MUR1640CT, 16 Ампер 400 Вольт, причем включены они немного непривычно, но одновременно и правильно. Корректность включения заключается в том, что они не запараллелены, как это обычно бывает, а одна сборка выполняет функцию одного диода выпрямителя, вторая — другого. Такое включение улучшает работу диодов, так как запараллелены диоды находящиеся внутри одного компонента, на одном кристалле.
4. Моточные узлы даже пытались пропитывать лаком, может и не пропитывали, но покрыть лаком пытались однозначно.
Схема выходного выпрямителя и фильтра. Отмечу правильное включение фильтра от помех и токоизмерительного шунта.
1. ШИМ контроллер, ну тут классика в виде TL494. Разработчики пошли привычным и правильным путем применив «аппаратный» ШИМ контроллер которым уже управляет процессор, это обеспечивает хорошую точность поддержания напряжения и тока, а также более быструю реакцию на изменение нагрузки.
ШИМ контроллер расположен на вторичной стороне и питается от отдельного источника питания.
2. Вся электроника блока питания питается от отдельного источника, собранного на базе TNY274.
Меня обрадовало то, что разработчики применили вполне распространенные комплектующие, которые можно купить в оффлайне, а не китайские аналоги, которые можно купить только на ебее или Али.
Принципиальную схему я не чертил, так как это заняло бы совсем неприличное количество времени, но нарисовал примерную блок-схему устройства.
К печатной плате были замечания. Флюс, после монтажа некоторых конденсаторов, не смыт.
Меня это даже удивило, особенно на фоне очень аккуратной сборки. Я не скажу что это критично, но неприятно.
Может контролер, который следит за соблюдением техпроцесса, отошел покурить и в это время как раз паяли мою плату.

Общее фото платы.
Так как на общем фото платы не видно маркировку всех элементов, то дальше я покажу несколько фото отдельных узлов, возможно это поможет кому нибудь в ремонте.
Так как в инверторе применены полевые транзисторы, а сам узел изначально задумывался под управление биполярными, то инженеры немного доработали схему управления, добавив мелкие транзисторы. Насколько я понимаю, они нужны для более надежного закрытия полевых транзисторов.
В данном БП применен развязывающий трансформатор отличающийся от стандартного для БП типа АТХ (хотя схема частично и похожа). Стандартный трансформатор для работы с биполярными транзисторами содержит больше обмоток, две первичные и три вторичные, здесь же это развязывающий трансформатор в чистом виде.
Первичная обмотка подключена к мосту из четырех небольших транзисторов которыми управляет TL494. У трансформатора две выходные обмотки для управления верхним и нижним высоковольтным транзистором.
Все это обусловлено тем, что в инверторе применены полевые транзисторы, а также это облегчает работу инвертора в широком диапазоне заполнения ШИМ вплоть до полного отключения.
Узел «обвязки» TL494 (справа) и некоторые элементы снаббера высоковольтной цепи (справа).
Узел выходного вторичного питания (вверху) и узел усилителя сигнала с шунта.
Блок питания внутренней электроники выдает два напряжения. Одно питает ШИМ контроллер, второе — электронику управления и индикации.
Как ни странно, но производитель покрыл лаком этот узел, пришлось отмывать лак с микросхемы чтобы узнать что они здесь применили.
В данном случае это банальный LM358. Характеристики его далеки от идеала, но вполне достаточны для конкретного применения, можно заменить, но не думаю что это улучшит что либо.
После осмотра я немного отмыл флюс с печатной платы и покрыл ее слоем лака.
Отчасти чтобы восстановить лак там, где я его смыл, да и просто для общей дополнительной защиты.
С осмотром силовой платы закончили, перейдем к плате управления.
Размещена она на передней панели, флюс также частично не смыт (контролер видимо часто отходил покурить, пора бросать), но в данном месте это не критично.
Откручиваем три винта, которыми привинчена плата управления к передней панели.
Да..., а индикатор можно было поставить и ровнее. Я это заметил сразу и потому разбирал всю конструкцию отчасти и для того чтобы выровнять его. Благо доступ к индикатору несложный, четыре винта на передней панели и три винта крепления печатной платы.
По большому счету большинство скорее всего этого и не заметит, и это точно никаким образом не сказывается на работе и характеристиках БП, но как говорится «осадочек остался».
Больше замечаний как то не возникло, вроде на вид все аккуратно.
1. В качестве «мозга» применен 8 бит микроконтроллер STM8S105K4T6.
2. Индикацией управляет он через пару регистров 74HC595, которые служат для усиления тока и расширения количества выводов.
3. Питается все это «безобразие» от линейного стабилизатора 3.3 Вольта.
4. На этой плате установлен еще один операционный усилитель, и тоже LM358.
Также на плате был замечен термодатчик. Судя по инструкции устройство имеет защиту от перегрева, но в штатном режиме работы перегреть у меня его не получилось.
Переднюю панель осмотрели, больше ничего интересного на ней не обнаружено

Про заднюю панель я вспомнил тогда, когда уже собирался скручивать все обратно.
На задней панели также присутствуют некоторые детали

Но также нет одной необходимой и полезной детали, которую почему то забыли, выходного предохранителя. Если подключить к блоку питания аккумулятор в обратной полярности, то как минимум выгорят выходные провода, предохранитель лучше добавить, ток — 6-7 Ампер.
Прямо на выходных клеммах установлена небольшая печатная плата, на которой расположен один из выходных конденсаторов.
Вторая печатная плата распаяна на контактах выключателя питания. Примечательно то, что мало того что установили отдельную небольшую плату, так еще и разрывает включатель оба сетевых провода, что является правильным, особенно для импульсных БП.
Заодно измерил реальную емкость конденсаторов входного фильтра.
Не обманули, все совпадает. Выше я давал расчет, почему должно быть 140 мкФ, повторю его здесь — 100мкФ + 180мкФ = 280мкФ на параллельно включенных конденсаторах.
Так как конденсаторы на 200 Вольт, то включены они еще и последовательно, что дает 280/2=140мкФ.
Уже после сборки всего этого я решил проверить нагрев элементов внутри бока питания.
Так как остальные параметры я уже измерил, то в тесте было гораздо меньше «участников».
Блок питания
Электронная нагрузка
Бесконтактный термометр
Ручка и бумажка.
Тест продолжался 1 час 40 минут. Проверялась температура с интервалами в 20 минут и током кратным 1.25 Ампера.
В конце был дополнительный 20 минутный прогон на максимальном токе и напряжении.
Все результаты измерений были сведены в таблицу.
Пускай вас не удивляет чуть большая изначальная температура диодов, дело в том, что БП лежал на столе, а над ним была настольная лампа с галогенкой, которая немного подогрела эту сторону корпуса.
В целом результаты неплохие, но дополнительный прогон на максимальном токе показал, что при большой температуре воздуха может быть перегрев трансформатора. например если при 25 градусах это 88, то при 35 будет уже 98, что близко к критичной. Я бы не советовал длительно эксплуатировать блок питания на максимальной мощности при высокой температуре.
Можно немного улучшить ситуацию, проложив между дном и трансформатором кусочек теплопроводящей резины, но задвинуть дно в таком состоянии будет очень проблематично.
Все эти проблемы связаны с тем, что у БП пассивное охлаждение, как говорится — палка о двух концах.
Температура остальных узлов была в допустимых рамках. Корпус под максимальной нагрузкой разогрелся примерно до 55 градусов, держать в руках можно, но неприятно.
Заодно под конец измерил температуру ШИМ контроллера питания электроники (TNY274), она составила 67 градусов, что вполне отлично.
В качестве одного из вариантов применения я решил зарядить аккумулятор, понятно что использовать лабораторный БП как зарядное устройство можно, хотя и как то неправильно

Подключил аккумулятор и...., получил срабатывание защиты от превышения напряжения на выходе. Дело в том, что на выходе было выставлено 10 Вольт, а на аккумуляторе было заметно больше и БП посчитал это аварийной ситуацией, выход я даже не включал.
Для того чтобы выйти из этой ошибки надо отключить аккумулятор, перещелкнуть тумблер выбора ток/напряжение и выставить напряжение на выходе больше чем напряжение аккумулятора.
Все, процесс пошел, ток заряда выставлен 1 Ампер, БП работает в режиме стабилизации тока.
Кстати я пробовал коротить клеммы (без аккумулятора конечно) при включенном выходе, тихий щелчок и БП переходит в режим стабилизации тока.
Если поднять ток выше, то напряжение на клеммах аккумулятора поднимается до установленного порога (аккумулятор старенький) и БП переходит в режим стабилизации напряжения.
Можно нажать кнопку блокировки органов управления и оставить аккумулятор заряжаться.
Небольшой комментарий по поводу особенностей управления.
примерно полторы недели я пользовался этим блоком питания в штатном режиме, потому могу вполне описать ощущения от пользования данным аппаратом.
Выключатель питания — удобен если БП стоит на столе, но неудобен если стоит на полке.
Выходные клеммы — особенно непринципиально, включил и забыл.
Нагрев — при штатной работе в качестве питателя разных устройств нагрев был небольшой, самый большой был только при тестах.
Индикатор — на фото он выглядит хуже чем в реальной жизни, светодиодная индикация удобна лучшей читаемостью, хотя светофильтр я бы добавил.
Управление, ну это вообще большая тема, попробую описать.
Сначала логика управления и индикации мне была не очень привычна, БП то имеет только два индикатора, а по хорошему надо четыре или пять (пятый для отображения мощности).
Регулировка одновременно и удобна и неудобна.
Удобно тем, что в реальности чаще всего регулируешь только один параметр и одного энкодера достаточно, да и переключение между режимами не вызывает проблем.
Неудобно тем, что если БП вышел из режима управления, то для возврата надо делать один лишний щелчок энкодером (перевод в режим отображения установленного параметра), второй щелчок регулирует.
Ну и на время регулировки оба индикатора переходят в режим отображения установленного значения. но тут ничего не поделаешь, издержки минимализма.
Но самое неудобное было то, что после перехода в режим отображения параметров на выходе и попытке опять изменить параметры БП включает режим управления с минимальной дискретой.
Например я регулировал десятые доли вольта, отпустил ручку, БП перешел в нормальный режим, и если я потом решил еще увеличить/уменьшить, то регулировать я буду сотые доли, или надо нажать на энкодер. Меня это раздражало, хотя привыкнуть можно. Я думаю разработчики вполне могли сделать память последнего режима работы, было бы удобнее.
Итак резюме.
Плюсы
Довольно качественная сборка. ну может за исключением мелочей типа плохой смывки флюса и криво установленного индикатора, но это не влияет ни на надежность ни на качество работы.
Общая продуманность конструкции.
Качественные компоненты
Хорошая схемотехника
Очень низкий уровень пульсаций
БП обеспечивает отличные характеристики во всем диапазоне выходных напряжения и токов
Один из немногих БП где производитель не экономил, может почти не экономил

Минусы
Выключатель питания на задней стенке
Отсутствие предохранителя по выходу
Есть небольшие огрехи сборки, описал в плюсах.
Некоторое неудобство управления, возможно дело привычки.
Тонкие выходные провода в комплекте, менять однозначно.
Большая емкость на выходе, из-за этого не рекомендуется подключать проверяемый элемент к БП если у него подано напряжение на выход (например маломощные светодиоды и т.п.), но это недостаток почти всех импульсных БП. сначала надо подключить нагрузку и только потом включить подачу напряжения на выход.
Мое мнение. Нормальный добротный блок питания, с хорошими техническими характеристиками.
Можно конечно поругать за флюс и т.п., но это мелочи на фоне того, что блок питания собран действительно правильно. Уровень пульсаций по выходу очень приятно удивил, я не ожидал.
Также измерение тока и напряжения обеспечивает хорошую точность. По напряжению есть небольшие замечания на краях диапазона, по току только в начале, но как по мне точность для устройства такого класса вполне хорошая.
В общем БП мне понравился, действительно интересный и качественный питальник для радиолюбителя. Я могу конечно найти недостатки где угодно, но здесь пропорция достоинств и недостатков явно перевешивает в сторону достоинств.
В общем тот редкий случай...., когда почти не накосячили и сделали устройство с характеристиками лучше заявленных.
Надеюсь что обзор был полезен и поможет сделать правильный выбор.
Если есть вопросы, дополнения, будут рад ответить или попробовать какие нибудь еще тесты.
Перейти в магазин
