В своей работе я пользуюсь разным инструментом, но один из главных инструментов электронщика это паяльник, может даже главный.
Паяльники бывают довольно разными, один из вариантов мини паяльной станции я как то упоминал в одном из своих обзоров.
Но у меня есть и вторая паяльная станция, которая так же требует расходников в виде жал Hakko T12, собственно о них и пойдет речь ниже.
Второй паяльной станцией я пользуюсь заметно реже, одна из причин- довольно дорогие жала для нее. В наших магазинах цена жала соизмерима с ценой паяльника, порядка 10-15 долларов.
Паяльники делятся на несколько категорий.
Простейшие варианты, медное жало, вокруг нихром с изоляцией из слюды.
Более современные, керамический нагреватель на который одето биметаллическое жало.
Жала с интегрированным нагревателем.
Индукционные паяльники.
Первые два варианта здесь уже неоднократно обозревались, четвертый вариант очень редко появляется в природе, так как довольно дорого стоит.
Я же решил сделать обзор жал для паяльников из третьей категории.
После появления бессвинцовой технологии выяснилось, что обычным паяльником такие вещи паять несколько хуже, потому я приобрел себе паяльную станцию с учетом этого нюанса.
Выбрал я себе относительно недорогой вариант, станцию Aoyue модели 2738.
Извиняюсь за фотку, точно такой как у меня, но без рекламы не нашел, а моя не совсем фотогенична. Но на фото именно такая, как я пользуюсь дома.

Пользоваться ею довольно удобно, особенно радует очень быстрый разогрев паяльника, с комнатной температуры до 350 градусов за 13 секунд (станция сигнализирует о достижении установленной температуры).
Декларируется, что мощность нагревателя у этих жал 70 Ватт, сопротивление около 8,5 Ом.
Но комплектного жала, только одного типа, мне было мало.
Потом как то наткнулся на статью в интернете, где писали что к этой станции подходят жала от паяльных станций Hakko.
В общем попал ко мне на обзор набор таких жал.
Упаковку показывать не буду, но внутри они были в аккуратном пакетике с защелкой.

В комплект входит 5 жал разного типа.
Вообще у Hakko я насчитал около 85 жал со встроенным нагревателем, но столько в жизни наверное и не надо (хотя очень хочется
)

Более подробное описание комплекта.
Три жала имели выгравированную маркировку Hakko, но в работе с двумя другими разницы я особо не заметил.
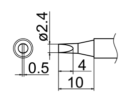
Жало с конусом, хорошо подходит для тонких работ.
Наименование в каталоге — T12-B


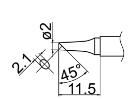
Жало ножевого типа, лучше подходит для пайки массивных или широких деталей.
Наименование в каталоге — T12-K


Жало с односторонним срезом, скорее для любителей классики, так раньше иногда затачивали паяльники с обычными медными жалами. Работать очень удобно.
Наименование в каталоге — T12-BC2


Жало типа Игла, если честно, то я его не понял, или у меня просто не нашлось для него применений.
Номер в каталоге — T12-I


Наверное одно из самых распространенных жал, к нему я привык больше, чем к остальным, подходит для большинства работ.
Номер в каталоге — T12-D24


Собственно паяльник, для которого брались данные жала.
Паяльник оборудован дымоотводом, подключается к компрессору станции.

Смена жал занимает секунды, конструкция по типа разъема аудиоаппаратуры, очень удобно.
Но в этом есть и небольшой минус, он нем позже.
Как видно, родное жало (с черной изоляцией) короче.

Разные измерения и сравнения.
Магнитятся жала примерно одинаково, довольно сильно магнитится само жало, немного слабее часть около 20-30мм в районе передней части, и почти немагнитная остальная часть.
Так же немного отличается и диаметр.
Родное имеет диаметр 5.41мм

Обозреваемое чуть толще, 5.49мм, но при использовании никаких проблем это не создало, я даже разницу то увидел благодаря штангенциркулю.

Длина родного почти 124мм

Hakko подлиннее, почти 147мм (жало типа нож вообще около 156мм)

Масса родного жала 8 грамм.

Hakko показались немного полегче, при больших габаритах они имеют массу 7 грамм.

Нож потяжелее, на целый грамм

После установки нового жала стало понятно, что дымоотсос можно смело снимать, так как смысл у него теперь нулевой, но без него паяльником даже легче пользоваться, хотя и более вредно.

Но здесь меня ждала небольшая проблемка.
После установки нового жала и подключении к паяльной станции она просигналила, что паяльник не подключен.
Расследование показало, что контактная часть жал немного различается.
На фото видно, что изолирующая задняя часть у новых жал немного длиннее.

Ну а дальше почти как в анекдоте, после сборки обработать напильником
В общем взял надфиль, за 15 секунд подогнал размеры задней части под требуемые и все заработало с пол пинка, стачивается пластмасса довольно легко.
Первая «проба пера», по ощущениям, температура стала больше, измерить точно мне пока нечем, как разживусь подходящим термометром (пирометр отказывается корректно измерять температуру жала), то откалибрую станцию под новые жала.
Где то была термопара к мультиметру, но у меня есть большие сомнения в точности ее измерений.

Вот так в итоге теперь выглядит родная подставка под паяльник, не пожалел даже новую губку, что бы не стыдно было показать
.
На фото 4 жала еще с наклейками, на том, что вставлено в паяльник, наклейку я снял и стер следы клея ацетоном. Уже после того как сделал фото, я проверил остальные 4 жала, проблем не обнаружил, все работают.

Резюме.
Плюсы.
Все жала работают.
Быстрый разогрев.
Пользоваться очень комфортно.
Цена ниже, чем в наших магазинах.
Минусы.
Вместо жала T12-I хотелось бы видеть в комплекте жало типа «микроволна», но это скорее пожелание, а не минус. Надеюсь на расширение ассортимента жал такого типа ( Т12)
Минусы при использовании с неродной паяльной станцией.
Для использования в моем паяльнике их пришлось немного подточить, но подозреваю, что это проблема конкретно станции Aoyue.
Длина больше, чем у родных жал, но опять же, это проблема совместимости разных станций.
Мое мнение.
Жала очень удобные, допиливание занимает от силы пол минуты, тем более делать это надо один раз, в остальном проблем нет, рекомендую.
Надеюсь, что не я один пользуюсь такой паяльной станцией и кому то будет полезен данный обзор.
Сейчас на них акция, и цена немного снижена относительно обычной.
Перейти в магазин
Обсудить можно также здесь: http://mysku.ru/blog/china-stores/28491.html
Паяльники бывают довольно разными, один из вариантов мини паяльной станции я как то упоминал в одном из своих обзоров.
Но у меня есть и вторая паяльная станция, которая так же требует расходников в виде жал Hakko T12, собственно о них и пойдет речь ниже.
Второй паяльной станцией я пользуюсь заметно реже, одна из причин- довольно дорогие жала для нее. В наших магазинах цена жала соизмерима с ценой паяльника, порядка 10-15 долларов.
Паяльники делятся на несколько категорий.
Простейшие варианты, медное жало, вокруг нихром с изоляцией из слюды.
Более современные, керамический нагреватель на который одето биметаллическое жало.
Жала с интегрированным нагревателем.
Индукционные паяльники.
Первые два варианта здесь уже неоднократно обозревались, четвертый вариант очень редко появляется в природе, так как довольно дорого стоит.
Я же решил сделать обзор жал для паяльников из третьей категории.
После появления бессвинцовой технологии выяснилось, что обычным паяльником такие вещи паять несколько хуже, потому я приобрел себе паяльную станцию с учетом этого нюанса.
Выбрал я себе относительно недорогой вариант, станцию Aoyue модели 2738.
Извиняюсь за фотку, точно такой как у меня, но без рекламы не нашел, а моя не совсем фотогенична. Но на фото именно такая, как я пользуюсь дома.
Пользоваться ею довольно удобно, особенно радует очень быстрый разогрев паяльника, с комнатной температуры до 350 градусов за 13 секунд (станция сигнализирует о достижении установленной температуры).
Декларируется, что мощность нагревателя у этих жал 70 Ватт, сопротивление около 8,5 Ом.
Но комплектного жала, только одного типа, мне было мало.
Потом как то наткнулся на статью в интернете, где писали что к этой станции подходят жала от паяльных станций Hakko.
В общем попал ко мне на обзор набор таких жал.
Упаковку показывать не буду, но внутри они были в аккуратном пакетике с защелкой.
В комплект входит 5 жал разного типа.
Вообще у Hakko я насчитал около 85 жал со встроенным нагревателем, но столько в жизни наверное и не надо (хотя очень хочется
)Более подробное описание комплекта.
Три жала имели выгравированную маркировку Hakko, но в работе с двумя другими разницы я особо не заметил.
Жало с конусом, хорошо подходит для тонких работ.
Наименование в каталоге — T12-B
Жало ножевого типа, лучше подходит для пайки массивных или широких деталей.
Наименование в каталоге — T12-K
Жало с односторонним срезом, скорее для любителей классики, так раньше иногда затачивали паяльники с обычными медными жалами. Работать очень удобно.
Наименование в каталоге — T12-BC2
Жало типа Игла, если честно, то я его не понял, или у меня просто не нашлось для него применений.
Номер в каталоге — T12-I
Наверное одно из самых распространенных жал, к нему я привык больше, чем к остальным, подходит для большинства работ.
Номер в каталоге — T12-D24
Собственно паяльник, для которого брались данные жала.
Паяльник оборудован дымоотводом, подключается к компрессору станции.
Смена жал занимает секунды, конструкция по типа разъема аудиоаппаратуры, очень удобно.
Но в этом есть и небольшой минус, он нем позже.
Как видно, родное жало (с черной изоляцией) короче.
Разные измерения и сравнения.
Магнитятся жала примерно одинаково, довольно сильно магнитится само жало, немного слабее часть около 20-30мм в районе передней части, и почти немагнитная остальная часть.
Так же немного отличается и диаметр.
Родное имеет диаметр 5.41мм
Обозреваемое чуть толще, 5.49мм, но при использовании никаких проблем это не создало, я даже разницу то увидел благодаря штангенциркулю.
Длина родного почти 124мм
Hakko подлиннее, почти 147мм (жало типа нож вообще около 156мм)
Масса родного жала 8 грамм.
Hakko показались немного полегче, при больших габаритах они имеют массу 7 грамм.
Нож потяжелее, на целый грамм

После установки нового жала стало понятно, что дымоотсос можно смело снимать, так как смысл у него теперь нулевой, но без него паяльником даже легче пользоваться, хотя и более вредно.
Но здесь меня ждала небольшая проблемка.
После установки нового жала и подключении к паяльной станции она просигналила, что паяльник не подключен.
Расследование показало, что контактная часть жал немного различается.
На фото видно, что изолирующая задняя часть у новых жал немного длиннее.
Ну а дальше почти как в анекдоте, после сборки обработать напильником

В общем взял надфиль, за 15 секунд подогнал размеры задней части под требуемые и все заработало с пол пинка, стачивается пластмасса довольно легко.
Первая «проба пера», по ощущениям, температура стала больше, измерить точно мне пока нечем, как разживусь подходящим термометром (пирометр отказывается корректно измерять температуру жала), то откалибрую станцию под новые жала.
Где то была термопара к мультиметру, но у меня есть большие сомнения в точности ее измерений.
Вот так в итоге теперь выглядит родная подставка под паяльник, не пожалел даже новую губку, что бы не стыдно было показать
.На фото 4 жала еще с наклейками, на том, что вставлено в паяльник, наклейку я снял и стер следы клея ацетоном. Уже после того как сделал фото, я проверил остальные 4 жала, проблем не обнаружил, все работают.
Резюме.
Плюсы.
Все жала работают.
Быстрый разогрев.
Пользоваться очень комфортно.
Цена ниже, чем в наших магазинах.
Минусы.
Вместо жала T12-I хотелось бы видеть в комплекте жало типа «микроволна», но это скорее пожелание, а не минус. Надеюсь на расширение ассортимента жал такого типа ( Т12)
Минусы при использовании с неродной паяльной станцией.
Для использования в моем паяльнике их пришлось немного подточить, но подозреваю, что это проблема конкретно станции Aoyue.
Длина больше, чем у родных жал, но опять же, это проблема совместимости разных станций.
Мое мнение.
Жала очень удобные, допиливание занимает от силы пол минуты, тем более делать это надо один раз, в остальном проблем нет, рекомендую.
Надеюсь, что не я один пользуюсь такой паяльной станцией и кому то будет полезен данный обзор.
Сейчас на них акция, и цена немного снижена относительно обычной.
Перейти в магазин
Обсудить можно также здесь: http://mysku.ru/blog/china-stores/28491.html
